Запчасти Case IH 495 (1-020) - PICTORIAL INDEX, REMOTE AUXILIARY CONTROL VALVES (00) - PICTORIAL INDEX

Схема запчастей Case IH 495 - (1-020) - PICTORIAL INDEX, REMOTE AUXILIARY CONTROL VALVES (00) - PICTORIAL INDEX
12
9
6
14
17
10
2
3
15
16
4
13
11
5
7
8
1
FIT
1:1
100%

Артикул

Название

Примечание

Количество

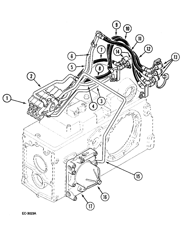
1

Remote Auxiliary Control Valves, Pages 8-23, 25, 27, 29, 31, 33

1шт.

2

Remote Auxiliary Valve Return Tube, Page 8-23

1шт.

3

1st Bank Valve Raise Control Tube, Page 8-25

1шт.

4

1st Bank Valve Lower control Tube, Page 8-25

1шт.

5

2nd Bank Valve Raise Control Tube, Page 8-25

1шт.

6

2nd Bank Valve Lower Control Tube, Page 8-25

1шт.

7

3rd Bank Valve Front Outlet Tube, Page 8-27

1шт.

8

3rd Bank Valve Rear Outlet Tube, Page 8-27

1шт.

9

1st Bank Lower Tube to Coupling Hose, Page 8-25

1шт.

10

1st Bank Raise Tube to Coupling Hose, Page 8-25

1шт.

11

2nd Bank Lower Tube to Coupling Hose, Page 8-25

1шт.

12

2nd Bank Raise Tube to Coupling Hose, Page 8-25

1шт.

13

1st and 2nd Bank Break-Away Couplings, Page 8-25

1шт.

14

3rd Bank Break-Away Couplings, Page 8-27

1шт.

15

Multiple Control Valve By-Pass Tube, Page 8-7

1шт.

16

Hydraulic Oil Filter, Page 8-3

1шт.

17

Multiple Control Valve, Pages 8-7, 9

1шт.

Выбрано товаров: 17