Запчасти Case IH 495 (9-050) - THREE POINT HITCH, FIXED LOWER LINKS (09) - CHASSIS/ATTACHMENTS

Схема запчастей Case IH 495 - (9-050) - THREE POINT HITCH, FIXED LOWER LINKS (09) - CHASSIS/ATTACHMENTS
7
19
30
30
1
4
25
16
11
28
7
29
8
18
8
26
6
5
29
17
3
4
2
20
27
3
9
20
8
22
23
15
8
14
12
13
9
21
24
10
8
19
FIT
1:1
100%

Артикул

Название

Примечание

Количество

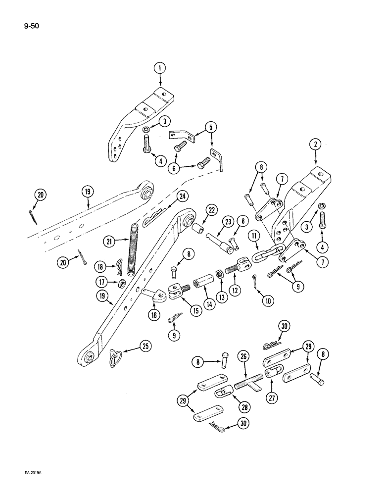
1

529874R1

SUPPORT

BRACKET - check chain, left

1шт.

2

529875R1

SUPPORT

BRACKET - check chain, right

1шт.

3

92-11062

LOCK WASHER,5/8"

WASHER, LOCK, 5/8"

4шт.

4

13-1032

BOLT,Hex, 5/8" - 11 x 2", Gr 5

4шт.

5

3121228R1

BRACKET

- sway chain

2шт.

6

13-1016

BOLT,Hex, 5/8" - 11 x 1", Gr 5, Full Thd

2шт.

7

3129005R1

SUPPORT

STRAP - check chain adjusting

4шт.

8

528112R2

PIN,15.77mm OD x 54.61mm L

- clevis

1шт.

9

720631R1

LINCH PIN

PIN - cotter,quick attachable

6шт.

10

32-1016

COTTER PIN

PIN - cotter, 5/32 x 1 inch

2шт.

11

3129007R1

CHAIN (AG)

CHAIN - limiter

2шт.

12

70622C1

CLEVIS,7/8" - 14

- limiter chain

2шт.

13

25-1514

JAM NUT,Jam, 7/8"-14, G5

- hex, jam, 7/8 inch NF

2шт.

14

3113596R1

NUT

- adjustment

2шт.

15

3118016R1

CLEVIS,7/8" - 14

- limiter chain (Left hand thread)

2шт.

16

3129014R1

EYEBOLT

BOLT - eye, rear stabilizer

2шт.

17

529894R2

WASHER

- adjustable eyebolt

2шт.

18

529895R2

CLIP

PIN - spring

2шт.

19

1286791C91

LOWER LINK

LINK ASSEMBLY - lower, 1-3/8 inch implement ball, Includes: Ref. 20

2шт.

20

32-2024

COTTER PIN,5/16" x 1 1/2"

PIN, SPLIT (COTTER), 5/16" x 1 1/2"

4шт.

21

1970961C1

SPRING

- restraining

2шт.

22

530826R1

BUSHING

- lower link

2шт.

23

530825R1

PIN,31.75mm OD x 119.84mm L

- lower link

2шт.

24

538406R1

COTTER PIN

PIN - quick attachable

2шт.

25

1328218C1

LINCH PIN,11mm OD

Assy - quick attachable

2шт.

26

1537507C1

TRUNNION

SHAFT ASSEMBLY - turnbuckle

1шт.

27

1537504C1

CLEVIS

TURNBUCKLE - right hand thread

1шт.

28

1537495C1

CLEVIS

TURNBUCKLE - left hand thread

1шт.

29

3113594R1

PLATE

STRAP - check chain

4шт.

30

720361R1

CLIP

PIN - cotter

4шт.

Выбрано товаров: 30