Запчасти Case IH 495 (5-012) - POWER STEERING TUBES, REAR, WITH 2 SPEED POWER SHIFT (05) - STEERING

Схема запчастей Case IH 495 - (5-012) - POWER STEERING TUBES, REAR, WITH 2 SPEED POWER SHIFT (05) - STEERING
10
3
14
7
8
11
12
3
4
4
3
4
12
1
4
6
9
15
13
2
5
FIT
1:1
100%

Артикул

Название

Примечание

Количество

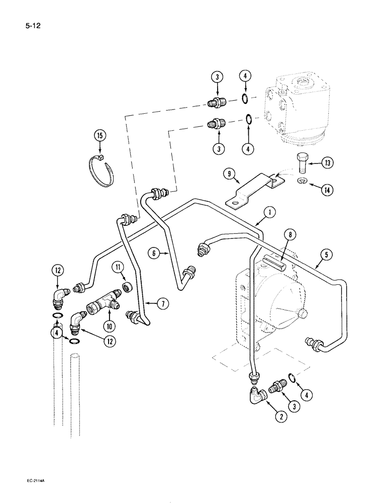
1

99778C2

PIPE

TUBE ASSEMBLY - return, power steering, 2WD tractor

1шт.

2

218-5230

ELBOW,90 Degree, 3/4"-16, 37 Degree x 3/4"-16, 37 Degree Fem Sw

- 90 degree, 3/4-16 inch flare x swivel flare, 2WD tractor

1шт.

3

218-5059

HYD CONNECTOR,3/4"-16, 37 Degree x 3/4"-16, O-Ring

ADAPTER - straight, 3/4-16 inch flare x O-ring boss, 2WD tractor

3шт.

4

237-6008

O-RING,0.087" Thk x 0.644" ID, -908, Cl 6, 90 Duro

8-1, 90 Duro, .644" ID x .087" Thk, 2WD tractor

5шт.

5

99777C3

PIPE

TUBE ASSEMBLY - pressure, power steering, 2WD tractor

1шт.

6

99797C3

PIPE

TUBE ASSEMBLY - pressure, power steering, 2WD tractor

1шт.

6

99824C1

HOSE

ASSEMBLY - pressure, power steering (Orchard tractor), 2WD tractor

1шт.

7

99798C2

PIPE

TUBE ASSEMBLY - return, power steering, 2WD tractor

1шт.

7

99823C1

HOSE

ASSEMBLY - return, power steering (Orchard tractor), 2WD tractor

1шт.

8

536009R1

FUEL HOSE,0.31" ID x 2.50"

Sleeve (Order 87086C1), 2WD Tractor 0.31" ID x 2.50"

2шт.

9

99953C1

CLAMP

BRACKET - pipe retaining, 2WD tractor

1шт.

10

218-845

TEE,37 Degree, 3/4"-16 x 3/4"-16, Fem Sw Run

- 3/4-16 inch flare branch x flare x adj straight thread, 2WD tractor

1шт.

11

218-755

CAP,37 Degree, 3/4"-16

2WD tractor 37º, 3/4"-16

1шт.

12

218-5106

90 ELBOW,90 Degree Elbow, 3/4" - 16 Male JIC x 3/4" - 16 Male ORB

- 90 degree, 3/4-16 inch flare x adj O-ring boss, 2WD tractor

2шт.

13

13-630

BOLT,Hex, 3/8" - 16 x 1-7/8", Gr 5

- hex, 3/8 NC x 1-7/8 inch, 2WD tractor

2шт.

14

92-11038

LOCK WASHER,3/8"

WASHER, LOCK, , 2WD tractor 3/8"

2шт.

15

306132C1

CABLE TIE,14.5" L

STRAP - tie, nylon, 14 inch, 2WD tractor

2шт.

1

99778C2

PIPE

TUBE ASSEMBLY - return, power steering, MFD tractor with mechanical dog clutch

1шт.

2

218-5230

ELBOW,90 Degree, 3/4"-16, 37 Degree x 3/4"-16, 37 Degree Fem Sw

- 90 degree, 3/4-16 inch flare x swivel flare, MFD tractor with mechanical dog clutch

1шт.

3

218-5059

HYD CONNECTOR,3/4"-16, 37 Degree x 3/4"-16, O-Ring

ADAPTER - straight, 3/4-16 inch flare x O-ring boss, MFD tractor with mechanical dog clutch

3шт.

4

237-6008

O-RING,0.087" Thk x 0.644" ID, -908, Cl 6, 90 Duro

8-1, 90 Duro, .644" ID x .087" Thk, MFD tractor with mechanical dog clutch

5шт.

5

99777C3

PIPE

TUBE ASSEMBLY - pressure, power steering, MFD tractor with mechanical dog clutch

1шт.

6

99797C3

PIPE

TUBE ASSEMBLY - pressure, power steering, MFD tractor with mechanical dog clutch

1шт.

7

99798C2

PIPE

TUBE ASSEMBLY - return, power steering, MFD tractor with mechanical dog clutch

1шт.

8

536009R1

FUEL HOSE,0.31" ID x 2.50"

Sleeve (Order 87086C1), MFD Tractor with mechanical dog clutch 0.31" ID x 2.50"

2шт.

9

99953C1

CLAMP

BRACKET - pipe retaining, MFD tractor with mechanical dog clutch

1шт.

10

218-845

TEE,37 Degree, 3/4"-16 x 3/4"-16, Fem Sw Run

- 3/4-16 inch flare branch x flare x adj straight thread, MFD tractor with mechanical dog clutch

1шт.

11

218-755

CAP,37 Degree, 3/4"-16

MFD tractor with mechanical dog clutch 37º, 3/4"-16

1шт.

12

218-5106

90 ELBOW,90 Degree Elbow, 3/4" - 16 Male JIC x 3/4" - 16 Male ORB

- 90 degree, 3/4-16 inch flare x adj O-ring boss, MFD tractor with mechanical dog clutch

2шт.

13

13-630

BOLT,Hex, 3/8" - 16 x 1-7/8", Gr 5

- hex, 3/8 NC x 1-7/8 inch, MFD tractor with mechanical dog clutch

2шт.

14

92-11038

LOCK WASHER,3/8"

WASHER, LOCK, , MFD tractor with mechanical dog clutch 3/8"

2шт.

15

306132C1

CABLE TIE,14.5" L

STRAP - tie, nylon, 14 inch, MFD tractor with mechanical dog clutch

2шт.

Выбрано товаров: 32