Запчасти Case IH 504 (231) - HYDRAULIC SYSTEM, AUXILIARY VALVES AND MANIFOLD TUBES, FARMALL TRACTORS W/SERIAL NO. 14969 AND BELOW (07) - HYDRAULIC SYSTEM

Схема запчастей Case IH 504 - (231) - HYDRAULIC SYSTEM, AUXILIARY VALVES AND MANIFOLD TUBES, FARMALL TRACTORS W/SERIAL NO. 14969 AND BELOW (07) - HYDRAULIC SYSTEM
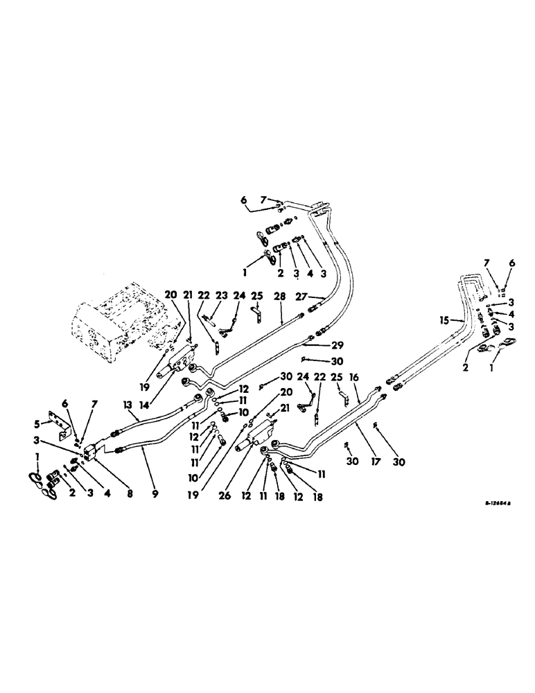
3
20
12
30
3
10
26
28
30
11
8
2
10
11
30
12
6
21
7
14
3
11
2
25
6
12
20
30
18
18
4
19
22
7
5
22
3
2
27
4
3
24
19
14
17
1
11
4
24
15
11
12
11
7
23
1
3
25
9
16
21
6
26
1
FIT
1:1
100%

Артикул

Название

Примечание

Количество

378026R92

PARTS ACCESSORY, single auxiliary valve, consists of all parts marked unit A

1шт.

When parts accessory, 378026R92 or 378035R92 is applied on tractors 501 to 7044, the following parts must also be ordered (1) O-ring 364879R1, (1) O-ring 383219R1, (1) valve 386031R91, (1) washer 378985R2.

1шт.

378035R92

PARTS ACCESSORY, double auxiliary valve, consists of all parts marked unit B

1шт.

When parts accessory, 378026R92 or 378035R92 is applied on tractors 501 to 7044, the following parts must also be ordered (1) O-ring 364879R1, (1) O-ring 383219R1, (1) valve 386031R91, (1) washer 378985R2.

1шт.

378294R92

PARTS ACCESSORY, LH front and rear manifold, tractors equipped with double auxiliary valve, consists of all parts marked unit D

1шт.

1

373220R1

PLUG

CAP, self-sealing coupling dust, 4 for unit C, 2 for unit D

1шт.

2

395150R91

COUPLING, QUICK, FEM

COUPLING ASSY, self-sealing female, only serviceable item is O-ring 385713R1, 4 for unit C, 2 for unit D

1шт.

3

364885R1

O-RING,0.097" Thk x 0.755" ID, -910, Cl 6, 90 Duro

3/4 x 15/16 x 3/32, self-sealing coupling connector, 8 for unit C, 4 for unit D

1шт.

4

9410204

HYD CONNECTOR,7/8"-14, 37 Degree x 7/8"-14, O-Ring

CONNECTOR, self-sealing coupling, 4 for unit C, 2 for unit D

1шт.

5

378313R1

BRACKET, rear manifold, unit C

1шт.

271556

WHEEL CYLINDER,Hex, 5/8" - 11 x 1 1/4", Gr 5

SCREW, 5/8-11 x 1-1/4 hex-hd cap

2шт.

6

9410356

PLUG

manifold junction block, 4 for unit C, 2 for unit D

1шт.

7

369751R1

O-RING,0.072" Thk x 0.351" ID, -904, Cl 6, 90 Duro

4-1, 90 Duro, .351" ID x .072" Thk, Manifold junction block plug, 4 for unit C, 2 for unit D

1шт.

8

381136R91

BLOCK

ASSY, rear junction, unit C

1шт.

103026

NUT,3/8"-24, G5

2шт.

181380

BOLT,Hex, 3/8" - 24 x 2 1/4", Gr 5

SCREW, 3/8-24 x 2-1/4 hex-hd cap

2шт.

103321

LOCK WASHER,3/8"

WASHER, LOCK, 3/8"

2шт.

9

381135R91

MANIFOLD

ASSY, rear lift, unit C

1шт.

10

378256R1

BOLT,Hex, 7/8" - 14 x 2.71"

PLUG, inlet union long, 2 for unit C

1шт.

11

384376R1

O-RING,0.07" Thk x 0.926" ID, -21, Cl 6, 90 Duro

15/16 x 1-1/16 x 1/16, inlet union plug seal, 4 for unit C, 2 for unit D

1шт.

12

364885R1

O-RING,0.097" Thk x 0.755" ID, -910, Cl 6, 90 Duro

3/4 x 15/16 x 3/32, inlet union plug, 2 for units C and D

1шт.

13

381134R91

MANIFOLD

ASSY, rear drop, unit C

1шт.

14

383267R92

VALVE

ASSY, hydraulic control, unit B, inner position, for components see list of parts under details of hydraulic control valve

1шт.

364885R1

O-RING,0.097" Thk x 0.755" ID, -910, Cl 6, 90 Duro

control valve plug, 2 for unit B

1шт.

9410360

PLUG

control valve, 2 for unit B

1шт.

20846R1

BOLT,Hex, 3/8" - 16 x 4 5/8", Gr 8

SCREW, 3/8-16 x 4-5/8 hex-hd cap, 3 for unit B, serial no. 13301 & above

1шт.

20159R1

BOLT,Hex, 3/8" - 16 x 5 1/8", Gr 8

SCREW, 3/8-16 x 5-1/8 hex-hd cap, 3 for unit B, up to serial no. 13300

1шт.

15

381129R91

MANIFOLD ASSY, RH front, unit D

1шт.

103026

NUT,3/8"-24, G5

2шт.

181380

BOLT,Hex, 3/8" - 24 x 2 1/4", Gr 5

SCREW, 3/8-24 x 2-1/4 hex-hd cap

2шт.

103321

LOCK WASHER,3/8"

WASHER, LOCK, 3/8"

2шт.

16

381133R91

TUBE ASSY, RH rear lift, unit D

1шт.

17

381131R91

TUBE ASSY, RH rear drop, unit D

1шт.

18

378169R1

SCREW,Hex, 7/8" - 14 x 1.62"

PLUG, inlet union, 2 for unit D

1шт.

19

381884R1

O-RING,0.103" Thk x 0.987" ID, -120, Cl 6, 90 Duro

1 x 1-3/16 x 3/32, 2 for unit A, 4 for unit B, control valve small

1шт.

20

381885R1

O-RING,0.103" Thk x 1.362" ID, -126, Cl 6, 90 Duro

1-3/8 x 1-9/16 x 3/32, unit A, 2 for unit B, control valve large

1шт.

21

33558V

CLEVIS PIN,1/2" x 1.906"

PIN, 1/2 x 1-29/32 rod end, actuating lever, unit A, 2 for unit B

1шт.

22

378302R11

BRACKET ASSY, manifold rear, units C and D

1шт.

23

378045R1

STUD

SHAFT, actuating lever, units A and B

1шт.

24

378044R1

LEVER, valve actuating, unit A, 2 for unit B

1шт.

108630

COTTER PIN,1/8" x 7/8"

Pin, Split (Cotter), , Unit A, 2 for unit B 1/8" x 7/8"

1шт.

395-11053

WASHER,0.53" ID x 1.06" OD x 0.1" Thk

17/32 x 1-1/16 x 13 ga, unit A, 2 for unit B

1шт.

25

378303R11

BRACKET ASSY, manifold front, units C and D

1шт.

26

383267R92

VALVE

ASSY, hydraulic control, outer position, units A & B, up to serial no. 13300, for components see list of parts under details of hydraulic control valve

1шт.

365885R1

RING

O-RING, 3/4 x 15/16 x 3/32

2шт.

9410360

PLUG

control valve

2шт.

20157R1

BOLT,3/8" x 3 1/8", Gr 8

SCREW, 3/8-16 x 3-1/8 hex-hd cap

3шт.

26

390826R92

VALVE

ASSY, hydraulic control, outer position, units A & B, serial no. 13301 & above, for components see list of parts under details of hydraulic control valve

1шт.

365885R1

RING

O-RING, 3/4 x 15/16 x 3/32

2шт.

9410360

PLUG

control valve

2шт.

631994R1

BOLT,Hex, 3/8" - 16 x 2 1/2", Gr 8

SCREW, 3/8-16 x 2-1/2 hex-hd cap

3шт.

27

381128R91

MANIFOLD ASSY, LH front, unit C

1шт.

103026

NUT,3/8"-24, G5

2шт.

181380

BOLT,Hex, 3/8" - 24 x 2 1/4", Gr 5

SCREW, 3/8-24 x 2-1/4 hex-hd cap

2шт.

103321

LOCK WASHER,3/8"

WASHER, LOCK, 3/8"

2шт.

28

381132R91

TUBE ASSY, LH rear lift, unit C

1шт.

29

381130R91

TUBE ASSY, LH rear drop, unit C 38.3, 7.4, 2" Length

1шт.

30

369758R1

CLAMP

manifold tube, 2 for units C and D

1шт.

NLS

NO LONGER SERVICED

SCREW, 1/4-20 x 7/8 hex-hd cap

2шт.

Выбрано товаров: 59