Запчасти Case IH 504 (035[A]) - DEISEL ENGINE, EXHAUST SYSTEM, FARMALL TRACTORS (01) - ENGINE

Схема запчастей Case IH 504 - (035[A]) - DEISEL ENGINE, EXHAUST SYSTEM, FARMALL TRACTORS (01) - ENGINE
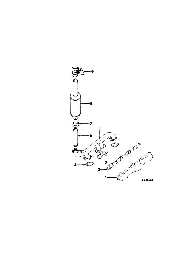
5
7
2
6
3
9
8
4
1
FIT
1:1
100%

Артикул

Название

Примечание

Количество

1

308389R1

MANIFOLD, intake

1шт.

179840

BOLT,Hex, 3/8" - 16 x 1 1/8", Gr 5

SCREW, 3/8-16 x 1-1/8 hex-hd cap

8шт.

103321

LOCK WASHER,3/8"

WASHER, LOCK, 3/8"

8шт.

2

308390R1

GASKET

intake manifold

1шт.

3

278314R1

MANIFOLD GASKET

exhaust manifold center

1шт.

4

278313R2

GASKET

exhaust manifold end

2шт.

5

318382R1

MANIFOLD, exhaust

1шт.

39524DA

NUT

manifold stud

7шт.

113934H

WASHER

manifold stud nut

2шт.

6

361384R1

PIPE

exhaust

1шт.

7

350602R1

CLAMP

exhaust muffler

1шт.

102635

NUT,3/8"-16, G5

1шт.

413-622

BOLT,Hex, 3/8" - 16 x 1-3/8", Gr 5

3/8-16 x 1-3/8 hex-hd cap

1шт.

103321

LOCK WASHER,3/8"

WASHER, LOCK, 3/8"

1шт.

8

370644R92

MUFFLER

exhaust

1шт.

9

381799R91

CAP

ASSY, exhaust

1шт.

Выбрано товаров: 0