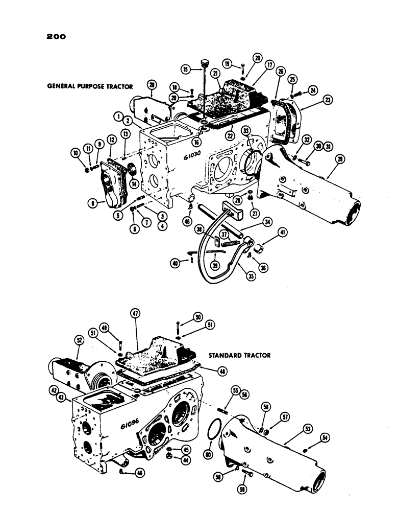
Запчасти Case IH 530 (200) - TRANSMISSION CASE AND AXLE HOUSINGS, PRIOR TO S/N 8262800 (06) - POWER TRAIN

Схема запчастей Case IH 530 - (200) - TRANSMISSION CASE AND AXLE HOUSINGS, PRIOR TO S/N 8262800 (06) - POWER TRAIN
53
45
6
3
14
11
59
32
29
15
36
60
21
42
47
33
24
20
40
19
41
34
4
30
17
12
35
57
31
27
2
46
5
54
48
43
7
50
55
29
18
29
39
23
49
52
17
25
44
58
51
58
22
38
56
8
16
20
1
37
51
46
13
10
9
FIT
1:1
100%

Артикул

Название

Примечание

Количество

1

G1030

CASE - transmission (Order ref. 2)

1шт.

2

G13194

CASE - transmission (Gen. Purpose)

1шт.

3

O1169AB

STUD - torque tube to trans. (1/2" x 4-7/8")

2шт.

4

VT3546

X

STUD - torque tube to trans. (1/2" x 2-1/2")

4шт.

5

G49500

STUD

- torque tube to trans. (1/2" x 2-3/16")

2шт.

6

25-118

NUT,1/2"-20, G5

- 1/2" N.F. hex

10шт.

7

92-8

LOCK WASHER,1/2"

10шт.

8

G1027

COVER

- front (w/4 speed trans.)

1шт.

9

G10710

STUD

- front cover (3/8" x 1-3/4")

7шт.

10

25-116

NUT,Hex, 3/8"-24, G5

- 3/8" NF hex

7шт.

11

92-6

LOCK WASHER,3/8"

7шт.

12

G46841

GASKET

- cover

1шт.

13

VT5179

X

DOWEL - torque, Serial Range: tube-trans.

2шт.

14

G10311

COLLAR

- pilot

1шт.

15

G10348

DIPSTICK

- oil level

1шт.

16

G10351

GASKET

- dipstick

1шт.

17

G1098

COVER - top rear (Gen. Purpose w/o hitch)

1шт.

18

13-620

BOLT,Hex, 3/8" - 16 x 1-1/4", Gr 5, Full Thd

8шт.

19

13-636

BOLT,Hex, 3/8" - 16 x 2-1/4", Gr 5

4шт.

20

92-6

LOCK WASHER,3/8"

12шт.

21

O7166AB

X

BREATHER - oil

1шт.

22

G10462

GASKET

- top cover

1шт.

23

G1041

COVER

- rear (w/o P.T.O.)

1шт.

24

13-616

BOLT,Hex, 3/8" - 16 x 1", Gr 5, Full Thd

6шт.

25

92-6

LOCK WASHER,3/8"

6шт.

26

G10447

GASKET

- rear cover

1шт.

27

A14280

PLUG

- transmission drain

1шт.

28

O9844AB

X

GASKET - drain plug

1шт.

29

A35013

HOUSING - rear axle (Gen. Purpose)

2шт.

30

13-1028

BOLT,Hex, 5/8" - 11 x 1-3/4", Gr 5, Full Thd

(6 w/hitch) Hex, 5/8"-11 x 1 3/4", G5, Full Thd

10шт.

31

13-1036

BOLT,Hex, 5/8" - 11 x 2-1/4", Gr 5

(w/hitch) Hex, 5/8"-11 x 2 1/4", G5

2шт.

32

92-10

LOCK WASHER,5/8"

WASHER, LOCK, 5/8"

10шт.

33

G10347

O-RING,0.139" Thk x 4.984" ID, -250, Cl 5, 75 Duro

- axle housing

2шт.

34

G10708

SHAFT

- cross, brake & clutch pedal

1шт.

35

G1412

PEDAL - clutch (SN8191147 and after)

1шт.

35

G13011

PEDAL - clutch (Before SN8191147)

1шт.

36

219-40

LUBE NIPPLE,65 Degree Elbow, 1/8" - 27 NPTF

FITTING - 1/8" 67-1/2 (0)

1шт.

37

A35789

SPRING

- return, clutch pedal

1шт.

38

G15912

BRACKET - spring (SN9181147 and after)

1шт.

39

G10748

LINK

ROD - clutch

1шт.

40

132-26

COTTER PIN

PIN, split (Cotter), 3/32" x 3/4"

2шт.

41

G16783

SPACER

- cross shaft (In place of pedal w/Case-O-Matic)

1шт.

42

G1096

CASE - transmission (Order ref. 43)

1шт.

43

A40708

CASE - transmission (Standard)

1шт.

44

A14280

PLUG

- drain

1шт.

45

O9844AB

X

GASKET - drain plug

1шт.

46

219-36

LUBE NIPPLE,45 Degree Elbow, 1/8" - 27 NPTF

FITTING - 1/8" 45 deg.

2шт.

47

G1097

COVER - top rear (Standard w/o hitch)

1шт.

48

G10941

GASKET

- top cover

1шт.

49

13-620

BOLT,Hex, 3/8" - 16 x 1-1/4", Gr 5, Full Thd

8шт.

50

13-636

BOLT,Hex, 3/8" - 16 x 2-1/4", Gr 5

4шт.

51

92-6

LOCK WASHER,3/8"

12шт.

52

A37068

HOUSING

- R.H. axle (Standard)

1шт.

53

A37069

HOUSING

- L.H. axle (Standard)

1шт.

54

219-36

LUBE NIPPLE,45 Degree Elbow, 1/8" - 27 NPTF

FITTING - 1/8" 45 deg.

2шт.

55

G49510

STUD

- axle housing, (5/8" x 2-13/16")

4шт.

56

O2517AB

X

STUD - axle housing, (5/8" x 4-5/8")

2шт.

57

25-1110

NUT,5/8"-18, G5

- 5/8" N.F. hex

6шт.

58

12034871

WASHER

LOCK, M16 (5/8")

10шт.

59

13-1032

BOLT,Hex, 5/8" - 11 x 2", Gr 5

4шт.

60

G10347

O-RING,0.139" Thk x 4.984" ID, -250, Cl 5, 75 Duro

- axle housing

2шт.

Выбрано товаров: 61