Запчасти Case IH 530 (206) - DIFFERENTIAL AND FINAL DRIVE, PRIOR TO S/N 8262800 (06) - POWER TRAIN

Схема запчастей Case IH 530 - (206) - DIFFERENTIAL AND FINAL DRIVE, PRIOR TO S/N 8262800 (06) - POWER TRAIN
18
18
4
38
9
17
15
2
12
28
27
14
23
24
36
11
3
22
37
34
8
7
30
21
35
31
29
32
16
10
26
13
20
5
25
33
39
1
6
FIT
1:1
100%

Артикул

Название

Примечание

Количество

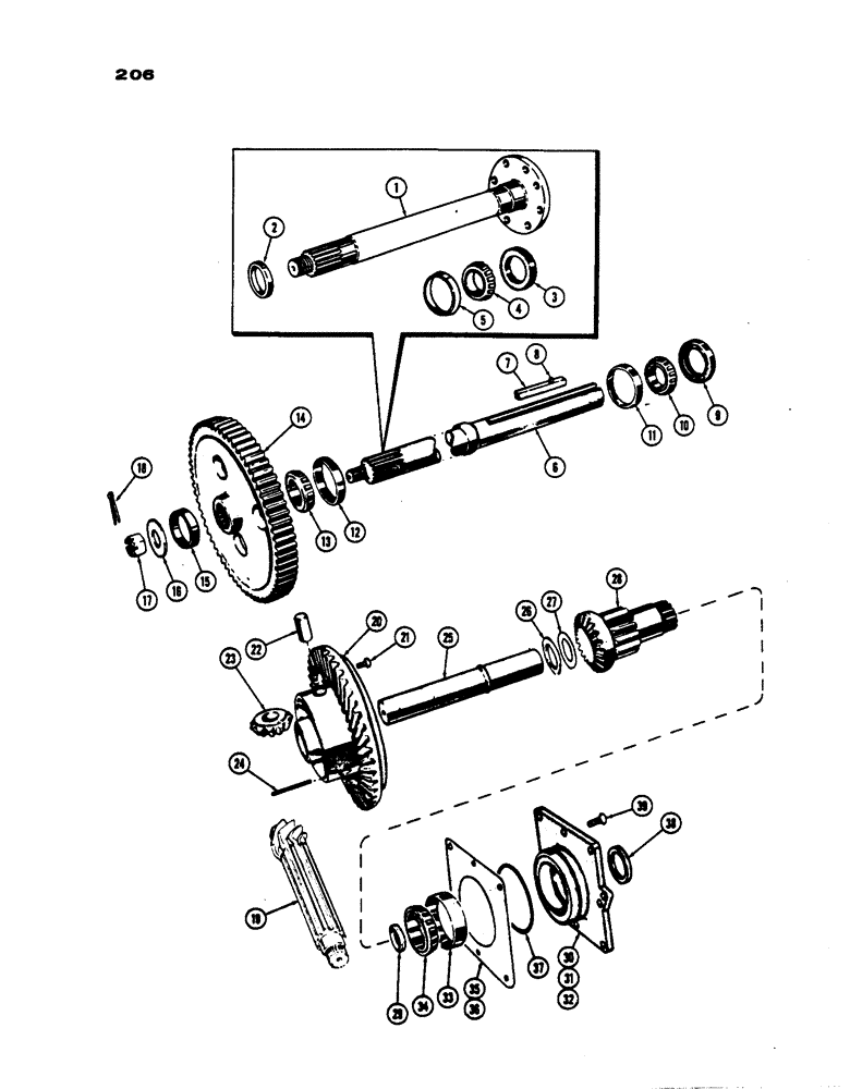
1

G17178

SHAFT - rear axle (Standard)

2шт.

2

G13801

OIL SEAL

OIL SEAL - inner (Standard)

2шт.

3

G13822

SEAL,73.66mm ID x 110.13mm OD x 11mm Thk

OIL SEAL - outer (Standard)

2шт.

4

G15207

ROLLER BEARING

CONE - outer bearing (Standard)

2шт.

5

G15208

BEARING CUP,110mm OD x 18.82mm W

CUP - outer bearing (Standard)

2шт.

6

A35172

SHAFT - rear axle (Gen. Purpose)

2шт.

7

A37184

KEY - hub to axle (Gen. Purpose) (incl. ref. 8)

2шт.

8

138-127

LOCK PIN,1/4" x 1/2", Slotted

PIN, 1/4" x 1/2", Slotted

1шт.

9

G10346

OIL SEAL

OIL SEAL - outer (Gen. Purpose)

1шт.

10

A29975

CUP ASSY.

CONE - outer bearing (Gen. Purpose)

2шт.

11

A28874

CUP - outer bearing (Gen. Purpose)

2шт.

12

G10415

BEARING CUP

CUP - inner bearing (Std. & Gen. Purpose)

2шт.

12

G10414

ROLLER BEARING

CONE - inner bearing (Std. & Gen. Purpose)

2шт.

14

G30353

GEAR

- final drive (incl. ref. 15)

2шт.

15

G49616

SPACER

- drive gear

1шт.

16

F62105

WASHER,38.89mm ID x 69.85mm OD x 6.35mm Thk

- take-up, axle

2шт.

17

A30075

WHEEL NUT

- axle (1-1/2" N.F. hex. slotted)

2шт.

18

132-157

COTTER PIN,Ext Prong Sq Cut, 1/4" x 2 1/2"

Pin, Split (Cotter), 1/4" x 2 1/2"

2шт.

19

G10319

PINION & COUNTERSHAFT - (Order A384020

1шт.

20

A29938

RIVET

RING GEAR & CENTER WHEEL ASSY. - (Order A38402) (incl. ref. 21)

1шт.

21

VT345

RIVET - ring gear

12шт.

22

A37097

PIN

- pinion gear

3шт.

23

G15483

GEAR

- pinion

3шт.

24

138-103

LOCK PIN,3/16" x 1 7/8", Slotted

PIN, LOCK, 3/16" x 1 7/8", Slotted

3шт.

25

A37186

SHAFT

- cross, differential

1шт.

26

A30539

WASHER

- thrust (.089")

1шт.

26

A39007

WASHER

- thrust (.094")

1шт.

26

A30533

WASHER

- thrust (.099")

1шт.

26

A30045

WASHER

- thrust (.104")

1шт.

26

A30543

WASHER

- thrust (.109")

1шт.

26

A30051

WASHER

- thrust (.119")

1шт.

27

A29388

WASHER

SHIM - thrust washer (.010")

2шт.

28

G13298

GEAR - side (Before SN 61652569) (incl. ref. 29)

2шт.

28

G30596

GEAR

- side (SN 61652369 and after) (incl. ref. 29)

2шт.

29

A29902

PLUG

- side gear

1шт.

30

G30490

CARRIER

- brg. R.H. gear (incl.ref 33) Use on Utility tractor S.N. 6165269 and after

1шт.

31

G30491

CARRIER

- brg., L.H. side gear (incl. ref. 33) Use on Utility tractor S.N. 6165269 and after

1шт.

32

G30492

CARRIER - brg., side gear (incl. ref. 33) Use on all Gen. Purpose tractors and Utility tractor before S.N. 6165269

2шт.

33

A26744

BEARING CUP,110.025 mm OD x 18.875 mm

CUP - bearing, side gear

1шт.

34

A30114

CONE

- bearing, side gear

2шт.

35

G10719

SHIM,.005" Thk

Bearing carrier .005" Thk

1шт.

36

G10720

SHIM,.010" Thk

Bearing carrier .010" Thk

1шт.

37

G10347

O-RING,0.139" Thk x 4.984" ID, -250, Cl 5, 75 Duro

"O" RING - bearing carrier

2шт.

38

G10689

SEAL

OIL SEAL - bearing carrier

2шт.

39

171-202

SCREW,Phil Flat Hd, Spin Lock, 3/8" - 16 x 3/4"

- lock, 3/8" x 3/4" flat hd.

2шт.

Выбрано товаров: 45