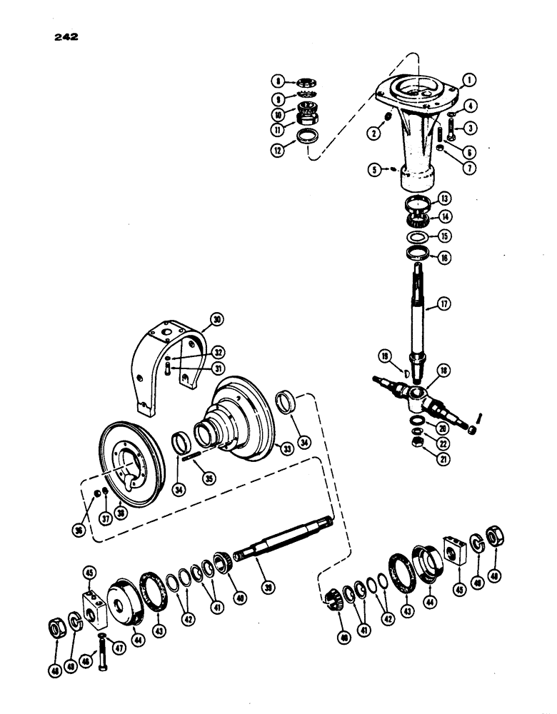
Запчасти Case IH 530 (242) - DUAL FRNT WHEEL PEDESTAL, GENL PURP. BEFORE S/N 8199596, SNGL FRNT WHEEL AND FORK, PR S/N 82628002 (06) - POWER TRAIN

Схема запчастей Case IH 530 - (242) - DUAL FRNT WHEEL PEDESTAL, GENL PURP. BEFORE S/N 8199596, SNGL FRNT WHEEL AND FORK, PR S/N 82628002 (06) - POWER TRAIN
47
31
49
19
18
7
10
3
43
42
30
33
14
39
22
46
45
5
11
8
32
45
12
40
15
21
41
44
20
48
49
35
37
44
13
17
34
38
43
1
40
48
42
9
16
4
34
41
2
36
6
FIT
1:1
100%

Артикул

Название

Примечание

Количество

1

G1093

PEDESTAL

1шт.

2

221-1013

DRAIN PLUG,Sq Hd, 3/8"-18 NPTF

PLUG - pipe, 3/8" sq. hd.

1шт.

3

13-1036

BOLT,Hex, 5/8" - 11 x 2-1/4", Gr 5

4шт.

4

92-10

LOCK WASHER,5/8"

WASHER, LOCK, 5/8"

4шт.

5

219-1

LUBE NIPPLE,1/8" - 27 NPTF

FITTING - grease, 1/8" str.

1шт.

6

G10733

SCREW - adjusting

1шт.

7

25-158

JAM NUT,Jam, 1/2"-20, G5

- jam, 1/2" N.F. hex

1шт.

8

G10948

NUT

- lock, upper bearing

1шт.

9

G10949

LOCK WASHER

LOCKWASHER - upper bearing

1шт.

10

G57452

ROLLER BEARING

CONE - upper bearing (Timken #48548)

1шт.

11

G57451

BEARING, CUP

CUP - upper bearing (Timken #LM8510)

1шт.

12

O4240AB

X

OIL SEAL - upper, steering shaft

1шт.

13

G15202

CUP

- lower bearing (Timken #24720)

1шт.

14

VT4995

X

CONE - lower bearing (Timken #24780)

1шт.

15

VT4993

X

WASHER - thrust, lower bearing

1шт.

16

G10689

SEAL

OIL SEAL - lower, steering shaft

1шт.

17

G10850

SPINDLE

SHAFT - steering

1шт.

18

G10812

SPINDLE - dual wheel

1шт.

19

126-40

WOODRUFF KEY,#G, 3/8" x 1 1/2"

Spindle to shaft #G, 3/8" x 1 1/2"

1шт.

20

O4267AB

WASHER - take-up spindle

1шт.

21

25-1516

NUT,Jam, 1"-14, G5

- 1" N.F. half hex

1шт.

22

92-16

LOCK WASHER,1"

WASHER, LOCK, 1"

1шт.

30

6489A

FORK - single front wheel

1шт.

31

13-1032

BOLT,Hex, 5/8" - 11 x 2", Gr 5

4шт.

32

193-14

LOCK WASHER,Ext Tooth, 5/8"

LOCKWASHER - 5/8" int. Shakeproof

4шт.

33

4916AA

WHEEL ASSY. - single front (For 9.00 x 10 tire) (incl. ref. 34 & 35)

1шт.

34

O9149AB

X

CUP - bearing (Timken #25820)

2шт.

35

O9343AB

STUD - flange (1/2" x 4")

6шт.

36

25-178

NUT,1/2"-20, G5, Hvy

- 5/8" N.F. hex

6шт.

37

92-8

LOCK WASHER,1/2"

6шт.

38

6192A

FLANGE - wheel (For 9.00 x 10 tire)

1шт.

39

O10856AB

SHAFT - axle, single front wheel

1шт.

40

VT4831

X

CONE - bearing, wheel (Timken #25877)

2шт.

41

O10857AB

WASHER - thrust, axle shaft

4шт.

42

O10858AB

X

SHIM - axle shaft (.003")

1шт.

42

O10859AB

SHIM - axle shaft (.005")

1шт.

43

O9153AB

X

WASHER - felt, wheel

2шт.

44

O10860AB

X

RETAINER - felt washer

2шт.

45

4915AA

BLOCK ASSY. - extension

2шт.

46

14-952

BOLT,Hex, 9/16" - 18 x 3-1/4", Gr 5

- 9/16" x 3-1/4" N.F. hex hd.

4шт.

47

92-9

BEARING WASHER,9/16"

4шт.

48

25-1518

JAM NUT,Jam, 1 1/8"-12, G5

- jam, 1-1/8" N.F. hex

2шт.

49

92-18

LOCK WASHER,1 1/8"

1-1/8"

2шт.

Выбрано товаров: 43