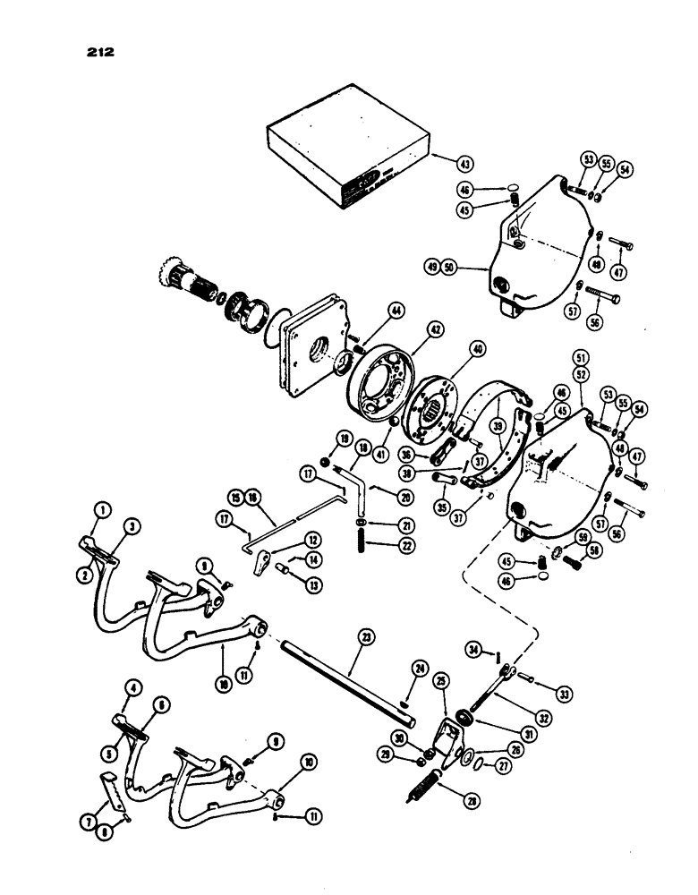
Запчасти Case IH 530 (212) - BRAKE SYSTEM, S/N 6165269 AND AFTER, PRIOR TO S/N 8262800 (07) - BRAKES

Схема запчастей Case IH 530 - (212) - BRAKE SYSTEM, S/N 6165269 AND AFTER, PRIOR TO S/N 8262800 (07) - BRAKES
22
45
48
5
20
30
16
38
14
10
36
17
17
59
32
9
8
28
54
1
46
39
37
9
34
58
43
11
40
47
56
49
52
51
12
15
19
37
7
33
18
47
3
45
45
57
6
56
21
27
53
55
13
35
55
24
50
41
44
54
23
11
57
46
20
25
10
29
4
42
46
53
2
31
48
FIT
1:1
100%

Артикул

Название

Примечание

Количество

1

G13012

PEDAL

ASSY. - R.H. brake (530 Series) (incl. ref. 2 & 3)

1шт.

2

A29086

INTERLOCK - pedal

1шт.

3

46-420

RIVET - 1/4" x 1-1/4" ctsk. hd.

1шт.

4

G14212

PEDAL ASSY. - R.H. brake (430 Series) (incl. ref. 5 - 8)

1шт.

5

A29086

INTERLOCK - pedal

1шт.

6

46-420

RIVET - 1/4" x 1-1/4" ctsk. hd.

1шт.

7

A29401

CATCH

- brake pedal

1шт.

8

45-418

RIVET,Button, 6.35mm OD x 28.57mm L

- 1/4" x 1-1/8" ctsk. hd.

1шт.

9

219-40

LUBE NIPPLE,65 Degree Elbow, 1/8" - 27 NPTF

FITTING - 1/8", 67-1/2 deg.

1шт.

10

G13013

PEDAL

ASSY. - L.H. brake (incl. ref. 11)

1шт.

11

85-610

SET SCREW,Sq Hd, 3/8"-16 x 5/8"

SCREW - set, 3/8" x 5/8" N.C. sq. hd. cup pt.

1шт.

12

G16604

BRAKE LINE

PAWL - brake lock (530 Series)

1шт.

13

VC1230

PIN - pawl pivot, (530 Series)

1шт.

14

132-48

COTTER PIN,1/8" x 1"

PIN - cotter, 3/32" x 5/8"

1шт.

15

G10764

DRAG LINK

LINK - brake lock (530 Series) See ref. 16

1шт.

16

A36606

LINK - brake lock (530 w/differential lock)

1шт.

17

132-25

COTTER PIN,3/32" x 5/8"

PIN - cotter, 1/8" x 1"

2шт.

18

G10765

LEVER

- hand, brake release (530 Series)

1шт.

19

G10766

KNOB

- hand lever (530 Series)

1шт.

20

138-61

LOCK PIN,1/8" x 1", Slotted

PIN, 1/8" x 1", Slotted

2шт.

21

95-8

WASHER,1/2"

- plain 1/2"

2шт.

22

G10707

VALVE SPRING

SPRING - release lever (530 Series)

1шт.

23

G10708

SHAFT

- cross, brake pedal

1шт.

24

126-216

WOODRUFF KEY,Hi-Pro, 1" Dia x 1/4" x 1 1/16"

KEY - brake pedal & lever

2шт.

25

G1057

LEVER

- L.H. brake

1шт.

26

B18145

WASHER

- retainer, cross shaft

1шт.

27

O1507FH

X

SNAP RING - cross shaft

2шт.

28

G10848

SPRING

- return pedal & lever

2шт.

29

25-157

JAM NUT,Jam, 7/16"-20, G5

- jam, 7/16" N.F. hex

2шт.

30

G10709

NUT

- adjusting, brake rod

2шт.

31

G10943

DUST CAP

CAP - dust-brake rod

2шт.

32

G46351

ROD

- brake

2шт.

33

141-5

CLEVIS PIN,7/16" x 1.190"

PIN - yoke, brake ord to link

1шт.

34

132-26

COTTER PIN

PIN, split (Cotter), 3/32" x 3/4"

2шт.

35

G46345

LINK

- straight, brake actuating

4шт.

36

G46344

LINK

- offset, brake actuating

4шт.

37

G49082

PIN,14.22mm OD x 40.03mm L

-, Serial Range: link-band

2шт.

38

132-26

COTTER PIN

PIN, split (Cotter), 3/32" x 3/4"

2шт.

39

G45468

BRAKE LINING

BAND - actuating, set of 2 (See ref. 43)

2шт.

40

NLS

NO LONGER SERVICED

- brake (See ref. 43)

2шт.

41

211-21

BALL

- actuating, drum (1" dia.)

8шт.

42

G45361

DRUM

- brake actuating (See ref. 43)

2шт.

43

A41552

LINER

KIT - lining, brake disc

1шт.

43

A41728

LINING

KIT - lining, brake band

1шт.

44

G48508

SPRING

- disc return

4шт.

45

G48507

SPRING

- band return

4шт.

46

41-13

GUARD,Exp, 13/16"

- return spring (3/16" dia.) (Replaces 41-3)

4шт.

Size of 13/16 EXP PLUG - ZINC PLATED

1шт.

47

G15801

BOLT

- anchor, actuating band

2шт.

48

92-10

LOCK WASHER,5/8"

WASHER, LOCK, 5/8"

2шт.

49

G1400

COVER - R.H. brake (Gen. Purpose)

1шт.

50

G1401

COVER - L.H. brake (Gen. Purpose)

1шт.

51

G1394

COVER

- R.H. brake (Standard)

1шт.

52

G1395

COVER

- L.H. brake (Standard)

1шт.

53

A29522

ROD

STUD - cover, 1/2" x 2-1/2" (4 on Standard)

6шт.

54

25-118

NUT,1/2"-20, G5

- 1/2" N.F. hex

6шт.

55

92-8

LOCK WASHER,1/2"

6шт.

56

13-860

BOLT,Hex, 1/2" - 13 x 3-3/4", Gr 5

Cover Hex, 1/2"-13 x 3 3/4", G5

2шт.

57

92-8

LOCK WASHER,1/2"

2шт.

58

61-628

HEX SOC SCREW,3/8"-16 x 1 3/4"

SCREW - cover, 1/2" x 1-3/4" hex socket hd. (Standard only)

2шт.

59

193-12

LOCK WASHER,Ext Tooth, 0.52" ID x 0.89" OD, STL, PLN

WASHER, LOCK, Ext Tooth, 1/2"

2шт.

Выбрано товаров: 61