Запчасти Case IH 530 (322) - HOOD, GRILLE, AND SIDE PANELS, 530 MODEL, PRIOR TO S/N 8262800 (09) - CHASSIS

Схема запчастей Case IH 530 - (322) - HOOD, GRILLE, AND SIDE PANELS, 530 MODEL, PRIOR TO S/N 8262800 (09) - CHASSIS
28
7
40
60
47
15
39
27
55
28
6
37
2
17
52
21
16
1
61
35
49
22
22
36
45
50
46
56
28
58
38
23
54
4
13
48
57
24
59
12
25
53
3
14
5
51
20
8
FIT
1:1
100%

Артикул

Название

Примечание

Количество

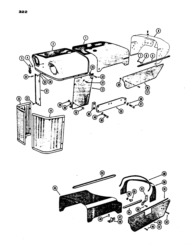
1

G15624

HOOD - (diesel) (used w/upright muffler)

1шт.

1

G15682

HOOD - (diesel) (used w/underneath muffler)

1шт.

1

G15616

HOOD - (Gas) (used w/upright muffler)

1шт.

1

G15681

HOOD - (Gas) (used w/underneath muffler)

1шт.

2

G30274

CAP

- radiator grill

1шт.

3

A24526

MEDALLION - cap (Case trade mark)

1шт.

4

131-138

PUSH-ON NUT

- medallion (1/4" Tinnerman)

2шт.

5

G46259

MOLDING

- hood trim

2шт.

6

A11459

BOLT

- trim retaining ("T" bolt)

6шт.

7

193-1000

NUT,Keps, w/LW,#10-32

- trim bolt (#10-32 Keps)

6шт.

8

G30394

PANEL - instrument (w/Auto Lite cluster)

1шт.

8

A35576

PANEL - instrument (w/Stewart-Warner cluster)

1шт.

12

G30614

PANEL - radiator, right hand side

1шт.

12

G30615

PANEL - radiator, left hand side

1шт.

13

G45240

SCREEN

GRILLE - radiator screen, right hand

1шт.

14

G45241

SCREEN

GRILLE - radiator screen, left hand

1шт.

15

A23762

SCREW,1/4" - 20 x 1"

- grille lock

4шт.

16

G15618

PANEL - side, R.H. rear

1шт.

17

G15619

PANEL - side, L.H. rear

1шт.

21

G30275

BRACE - grille, center

1шт.

22

175-405

SCREW,Phil Truss Hd, 1/2" - 20 x 1/2"

- (1/4" x 1/2" N.C. truss hd.)

10шт.

23

131-102

SPRING NUT,Ret, 1/4"-20

speed (Tinnerman) Ret, 1/4"-20

4шт.

24

175-408

SCREW,Phil Truss Head, 1/4" - 20 x 3/4"

- (1/4" x 3/4" N.C. truss hd.)

2шт.

25

192-19

LOCK WASHER,Helical Spring, 0.256" ID, CST, ZND

WASHER, LOCK, 1/4"

2шт.

26

7770

NUT,Hex, 1/4 - 20, Cl 5

1/4"-20, G5

2шт.

27

175-429

SCREW,Phil Truss Hd, 5/16" - 24 x 5/8"

- (5/16" x 5/8" N.C. truss hd.)

2шт.

28

131-123

NUT,Ret, 5/16"-24

- speed (5/16" N.F. Tinnerman)

2шт.

29

175-437

SCREW,Phil Truss Hd, 5/16" - 18 x 5/8"

- (5/16" x 5/8" N.C. truss hd.)

4шт.

35

G15652

RAIL - imp. mtg., right hand (Diesel) (24" long)

1шт.

35

G15653

RAIL - imp. mtg., left hand (Diesel) (24" long)

1шт.

35

G17062

RAIL - imp. mtg., right hand (Gas) (22-3/4" long)

1шт.

35

G17125

RAIL - imp. mtg., left hand (Gas) (22-3/4" long)

1шт.

36

G17126

SPACER - imp. mtg., rail, front

2шт.

37

13-1024

BOLT,Hex, 5/8" - 11 x 1-1/2", Gr 5, Full Thd

Rail, rear Hex, 5/8"-11 x 1 1/2", G5, Full Thd

4шт.

38

92-10

LOCK WASHER,5/8"

WASHER, LOCK, 5/8"

4шт.

39

13-1224

BOLT,Hex, 3/4" - 10 x 1-1/2", Gr 5

Rail, front Hex, 3/4"-10 x 1 1/2", G5

4шт.

40

92-12

LOCK WASHER,3/4"

WASHER, LOCK, 3/4"

4шт.

45

G15776

HOOD - engine, side panels L.P.G

1шт.

46

175-413

SCREW,Phil Truss Hd, 5/16" - 18 x 3/4"

- 5/16" x 3/4" N.C. truss hd., hood & side panels L.P.G

2шт.

47

G15774

BRACKET - R.H., hood support, side panels L.P.G

1шт.

48

G15775

BRACKET - L.H., hood support, side panels L.P.G

1шт.

49

13-516

BOLT,Hex, 5/16" - 18 x 1", Gr 5

Hood & side panels L.P.G Hex, 5/16"-18 x 1", G5, Full Thd

2шт.

50

G15778

PANEL - R.H. side, hood & side panels L.P.G

1шт.

51

G15779

PANEL - L.H. side, hood & side panels L.P.G

1шт.

52

175-448

SCREW - 3/8" x 1" N.C. truss hd., hood & side panels L.P.G

4шт.

53

G46259

MOLDING

STRIP - chrome, R.H. side, hood & side panels L.P.G

1шт.

54

A36940

STRIP - chrome, L.H. side, hood & side panels L.P.G

2шт.

55

A11459

BOLT

- chrome strip, hood & side panels L.P.G

6шт.

56

193-1000

NUT,Keps, w/LW,#10-32

- #10-32 "Keps", hood & side panels L.P.G

6шт.

57

G15777

SUPPORT - instrument panel, hood & side L.P.G

2шт.

58

13-616

BOLT,Hex, 3/8" - 16 x 1", Gr 5, Full Thd

Hood & side panels L.P.G Hex, 3/8"-16 x 1", G5, Full Thd

2шт.

59

G15780

STRIP - filler, tank & instrument panel, hood & side L.P.G

1шт.

60

G16034

MOLDING - rubber (30-1/2" long), hood & side panels L.P.G

1шт.

61

G16033

MOLDING - rubber (20" long L.H. side), hood & side panels L.P.G

1шт.

61

G46137

MOLDING - rubber (16" long R.H. side), hood & side panels L.P.G

1шт.

Выбрано товаров: 55