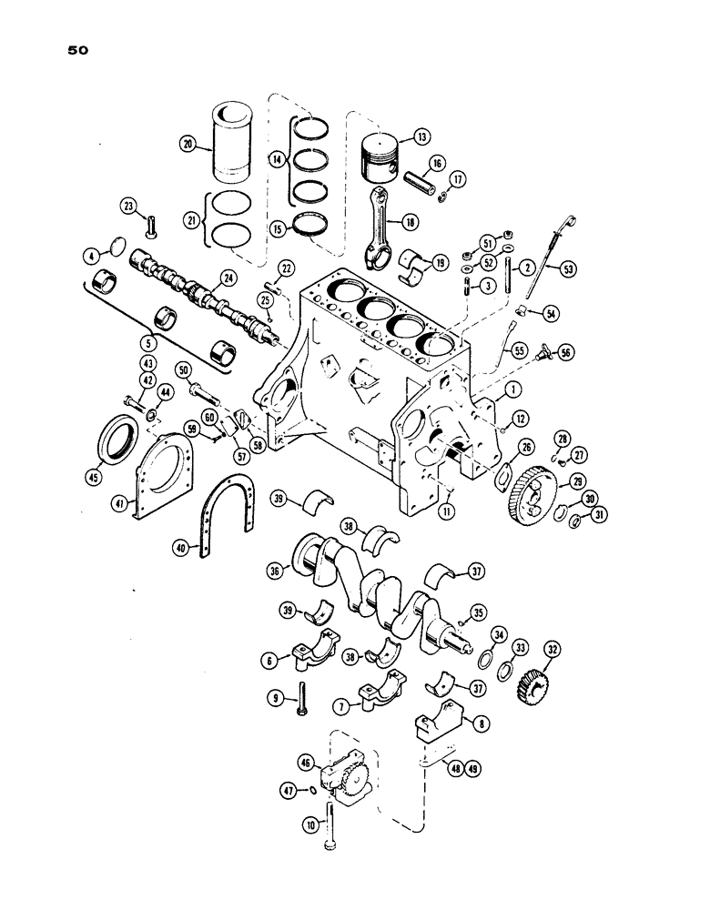
Запчасти Case IH 530 (050) - CYLINDER HEAD ASSEMBLY, PRIOR TO S/N 8262800, 530 MODEL, 159 SPARK IGNITION ENGINE (02) - ENGINE

Схема запчастей Case IH 530 - (050) - CYLINDER HEAD ASSEMBLY, PRIOR TO S/N 8262800, 530 MODEL, 159 SPARK IGNITION ENGINE (02) - ENGINE
5
9
14
30
17
49
1
38
3
52
15
50
29
7
12
4
41
28
57
32
51
43
27
54
58
50
314
38
40
36
34
47
8
46
37
44
35
14
2
10
16
39
45
22
13
33
26
21
6
11
42
18
56
55
59
19
23
53
39
48
15
20
37
60
FIT
1:1
100%

Артикул

Название

Примечание

Количество

G10507

X

SHORT BLOCK ASSY (Order from Figure 52 when depleted) (incl. ref. 1 - 49)

1шт.

1

G11957

BLOCK ASSY. - stripped (incl. ref. 2 - 12)

1шт.

2

VT4515

X

STUD - head (1/2" x 5-7/8")

5шт.

3

VT4503

X

STUD - head (1/2" x 2")

9шт.

4

VT3398

X

PLUG - rear (2-1/8" dia.)

1шт.

5

VTA2621

X

BUSHING SET - camshaft

1шт.

6

G2037

CAP

- rear bearing, crankshaft

1шт.

7

G2036

CAP

- center bearing, crankshaft

1шт.

8

G2035

CAP

- front bearing, crankshaft

1шт.

9

G49037

BOLT

- bearing cap (1/2" x 3")

4шт.

10

G49059

BOLT

- front brg. cap (1/2" x 4-3/4")

2шт.

11

VT4535

X

RING - dowel

2шт.

12

VT3395

X

PLUG - oil gallery

3шт.

13

G2105

PISTON

- (See Figure 56)

4шт.

14

G4810

RING, PISTON

RING - compression (See Figure 56) (Replaces G4811)

12шт.

15

G4811

RING, PISTON

RING - oil (See Figure 56) (Replaces G4810)

4шт.

16

NSS

NOT SOLD SEPARAT

PIN - wrist (See Page 57)

1шт.

17

O5713AB

X

RING - retaining (See Figure 56)

8шт.

18

G11172

STEM

CONNECTING ROD ASSY. (See Figure 56)

4шт.

19

A36500

SEAL

LINERS - bearing, std. (See Figure 56)

4шт.

20

G2104

SLEEVE CYLINDER

SLEEVE - cylinder (See Figure 56)

4шт.

21

G46909

O-RING,3.112" ID x 3.344" OD

"O" RING - sleeve seal

8шт.

22

VT3531

X

STUD - block to torque tube (5/8" x 3")

2шт.

23

VT3236

X

TAPPET - valve

8шт.

24

G2049

CAMSHAFT

1шт.

25

126-12

WOODRUFF KEY,#6, 5/32" x 5/8"

Gear to camshaft #6, 5/32" x 5/8"

1шт.

26

VT3365

X

PLATE - thrust

1шт.

27

VT4500

X

SCREW - thrust plate

2шт.

28

193-9

LOCK WASHER,Ext Tooth, 5/16"

WASHER, LOCK, Ext Tooth, 5/16"

2шт.

29

G37066

GEAR

- camshaft

1шт.

30

VT4517

X

LOCKWASHER - camshaft nut

1шт.

31

VT4536

X

NUT -, Serial Range: gear-camshaft

1шт.

32

VT3225

X

GEAR - crankshaft

1шт.

33

VT3377

X

SPACER - crankshaft thrust

1шт.

34

VT3368

X

SHIM - crankshaft thrust

1шт.

35

126-216

WOODRUFF KEY,Hi-Pro, 1" Dia x 1/4" x 1 1/16"

KEY - gear & pulley to crankshaft

2шт.

36

G11183

CRANKSHAFT

(See Figure 54)

1шт.

37

G37043

KIT

LINERS - front brg., Std (See Figure 54)

1шт.

38

G37047

KIT

LINERS - center brg., Std (See Figure 54)

1шт.

39

G37051

KIT

LINERS - rear brg., Std. (See Figure 54)

1шт.

40

G46802

GASKET

- oil seal retainer

1шт.

41

G2017

RETAINER

- rear oil seal

1шт.

42

13-412

BOLT,Hex, 1/4" - 20 x 3/4", Gr 5, Full Thd

4шт.

43

13-416

BOLT,Hex, 1/4" - 20 x 1", Gr 5

3шт.

44

92-4

LOCK WASHER,1/4"

WASHER, LOCK, 1/4"

7шт.

45

A36610

OIL SEAL

OIL SEAL - rear, crankshaft

1шт.

46

G11844

PUMP, ENGINE OIL

OIL PUMP ASSY. (See Figure 58)

1шт.

47

O8416AB

X

"O" RING - oil port

1шт.

48

G11337

SHIM,.002" Thk

Pump to block .002" Thk

2шт.

49

G11338

SHIM,.005" Thk

Pump to block .005" Thk

1шт.

50

V14110

BOLT - block to torque tube (5/8" x 3-1/2")

2шт.

51

VT3361

X

NUT - head stud

14шт.

52

G49404

WASHER

- head stud

14шт.

53

G37037

DIPSTICK

- oil level (incl. ref. 54)

1шт.

54

G46892

OIL SEAL

- rubber

1шт.

55

G45139

BRACKET

SUPPORT - dipstick

1шт.

56

217-103

COCK, DRAIN

DRAIN COCK - cylinder block

1шт.

57

G11702

COVER

- fuel pump opening

1шт.

58

G46902

GASKET

- cover

1шт.

59

13-512

BOLT,Hex, 5/16" - 18 x 3/4", Gr 5

2шт.

60

92-5

LOCK WASHER,5/16"

2шт.

Выбрано товаров: 61