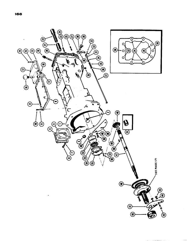
Запчасти Case IH 530 (166) - TORQUE TUBE, DRY CLUTCH, PRIOR TO S/N 8262800, BEFORE S/N 8191147 (06) - POWER TRAIN

Схема запчастей Case IH 530 - (166) - TORQUE TUBE, DRY CLUTCH, PRIOR TO S/N 8262800, BEFORE S/N 8191147 (06) - POWER TRAIN
8
1
26
28
15
6
51
32
41
52
7
34
4
20
24
33
57
36
40
44
22
49
23
3
35
48
56
25
39
50
53
23
45
14
46
30
24
58
11
58
37
12
21
59
16
38
43
19
55
31
29
5
54
11
25
47
9
13
18
27
2
42
10
FIT
1:1
100%

Артикул

Название

Примечание

Количество

1

G1348

TUBE - torque (See G1355)

1шт.

1

G1355

TUBE - torque (w/shuttle transmission)

1шт.

2

138-65

LOCK PIN,1/8" x 1 1/2", Slotted

PIN, , Timing pointer 1/8" x 1 1/2", Slotted

1шт.

3

G10612

COVER

- timing hole

1шт.

4

VT41

COVER - belt pulley opening

1шт.

5

VT2127

X

GASKET - cover, pulley opening

1шт.

6

13-1024

BOLT,Hex, 5/8" - 11 x 1-1/2", Gr 5, Full Thd

4шт.

7

92-10

LOCK WASHER,5/8"

WASHER, LOCK, 5/8"

4шт.

8

G1099

COVER

- (w/no hydraulics)

1шт.

9

G10876

GASKET

- cover, hydraulics opening

1шт.

10

13-616

BOLT,Hex, 3/8" - 16 x 1", Gr 5, Full Thd

11шт.

11

92-6

LOCK WASHER,3/8"

11шт.

12

G1360

COVER - (w/4 speed trans. only)

1шт.

13

G46842

GASKET

- cover, gear box opening

1шт.

14

13-626

BOLT,Hex, 3/8" - 16 x 1-5/8", Gr 5

- 3/8' x 1-1/2" N.C. hex hd.

4шт.

15

92-6

LOCK WASHER,3/8"

4шт.

16

A9238

BREATHER

- hydraulic oil

1шт.

17

G30309

BREATHER,0.7535" OD x 1.5" L

TUBE - breather

1шт.

18

222-500

TUBE NUT,5/16" - 24 NPT

NUT - breather tube (81LB-3/4")

1шт.

19

G30261

DIPSTICK - oil level

1шт.

20

1342354C1

GASKET

GASKET - torque, Serial Range: tube-transmission

1шт.

21

G10614

SLEEVE - coupling (w/o hand clutch)

1шт.

22

G10615

SLEEVE - coupling (w/4 speed transmission)

1шт.

23

G49500

STUD

- torque tube to trans. (1/2" x 2-3/16")

2шт.

24

VT3546

X

STUD - torque tube to trans. (1/2" x 2-1/2")

4шт.

25

O1169AB

STUD - torque tube to trans. (1/2" x 4-7/8")

2шт.

26

221-1014

DRAIN PLUG,Sq Hd, 1/2"-14 NPTF

PLUG - pipe, 1/2" sq. hd.

1шт.

27

G10749

LEVER - clutch throwout

1шт.

28

G10644

SCREW

BOLT - shoulder, clutch lever

1шт.

29

193-34

LOCK WASHER,Int Tooth, 5/8"

WASHER, LOCK, Int Tooth, 5/8"

1шт.

30

219-10

LUBE NIPPLE,1/4" - 28 NPTF

FITTING - grease, 1/4"-28 str.

1шт.

31

213-3

ADJUSTABLE CLEVIS,5/16"-24

YOKE - clutch rod

1шт.

32

141-3

CLEVIS PIN,5/16" x .940"

PIN, CLEVIS, , Yoke 5/16" x .940"

1шт.

33

132-26

COTTER PIN

PIN, split (Cotter), 3/32" x 3/4"

1шт.

34

25-155

JAM NUT,Jam, 5/16"-24, G5

- jam, 5/16" N.F. hex

1шт.

35

T25642

SPRING - clutch rod

1шт.

36

95-8

WASHER,1/2"

- 3/8" plain

2шт.

37

G10645

ROD - hand clutch throwout

1шт.

38

G17029

COVER - flywheel

1шт.

39

13-1012

BOLT,Hex, 5/8" - 11 x 3/4", Gr 5, Full Thd

2шт.

40

92-10

LOCK WASHER,5/8"

WASHER, LOCK, 5/8"

2шт.

41

A36319

PIVOT ASSY.

YOKE - throwout, clutch

1шт.

42

113-216

SCREW

BOLT - 3/8" x 2-1/2" N.C. cut thrd. hex hd.

1шт.

43

25-106

NUT,3/8"-16, G5

- 3/8" N.C. hex

1шт.

44

92-6

LOCK WASHER,3/8"

1шт.

45

G10610

BEARING ASSY

BEARING - throwout (w/11" clutch)

1шт.

45

G14038

BEARING ASSY,39.75mm ID x 82.55mm OD x 33.34mm W

BEARING - throwout (w/9-1/4" and 10" clutch)

1шт.

46

G10407

GASKET

- drive housing

1шт.

47

G17201

SHAFT - clutch main drive

1шт.

48

VT2083

GEAR - drive, belt pulley

1шт.

49

VT2111

X

SNAP RING -, Serial Range: gear-shaft

2шт.

50

126-216

WOODRUFF KEY,Hi-Pro, 1" Dia x 1/4" x 1 1/16"

KEY - gear to shaft (Hi-Pro 1/4" x 1-1/16")

1шт.

51

G16629

SAPCER - (replaces VT2083 gear w/ shuttle)

1шт.

52

G10384

SHIM - bearing adjusting (.005)

1шт.

52

G10385

SHIM - bearing adjusting (.010)

1шт.

53

G10416

BALL BEARING,30mm ID x 72mm OD x 19mm W

BEARING - clutch shaft (N.D. #43306)

1шт.

54

G10383

BEARING CAP

CAP - bearing, clutch shaft

1шт.

55

G10382

LOCK

- bearing cap

1шт.

56

13-516

BOLT,Hex, 5/16" - 18 x 1", Gr 5

3шт.

57

92-5

LOCK WASHER,5/16"

3шт.

58

VT5179

X

DOWEL - torque, Serial Range: tube-transmission

1шт.

Выбрано товаров: 61