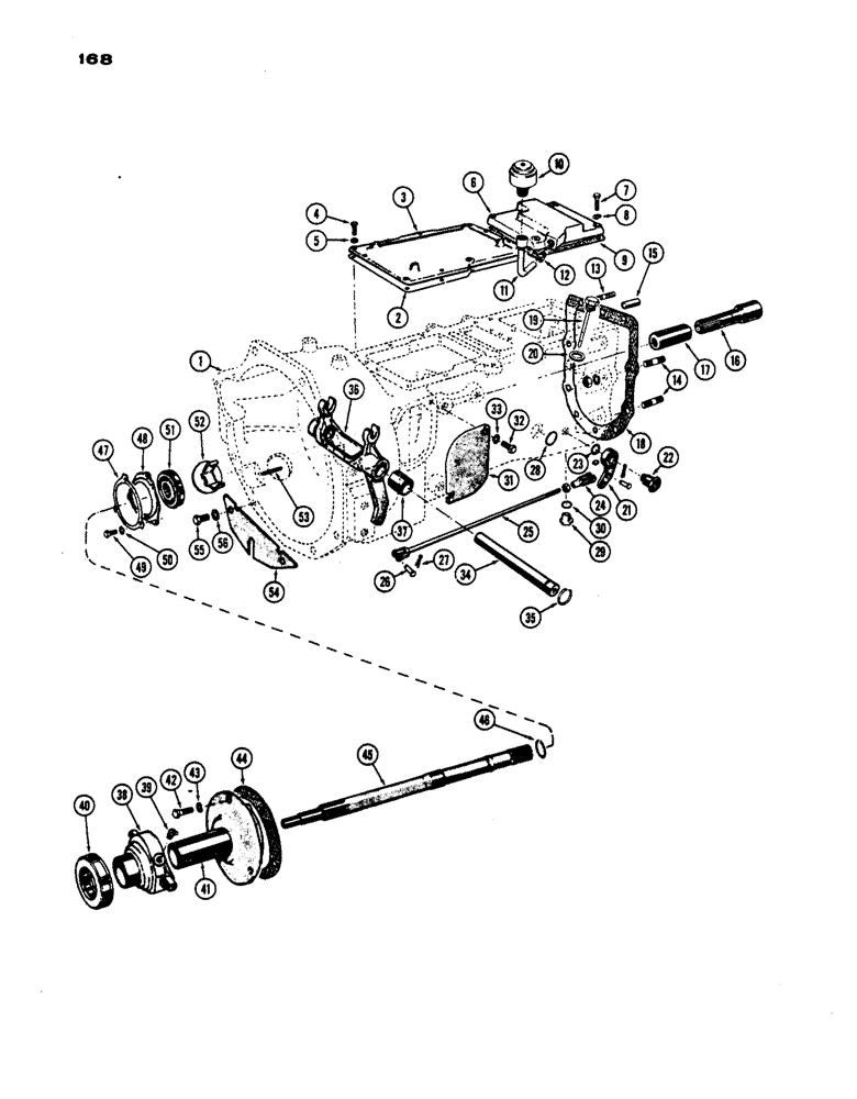
Запчасти Case IH 530 (168) - TORQUE TUBE, DRY CLUTCH, PRIOR TO S/N 8262800, S/N 8191147 AND AFTER (06) - POWER TRAIN

Схема запчастей Case IH 530 - (168) - TORQUE TUBE, DRY CLUTCH, PRIOR TO S/N 8262800, S/N 8191147 AND AFTER (06) - POWER TRAIN
6
2
17
28
34
55
54
50
16
3
5
33
20
35
11
39
19
38
49
37
51
13
7
25
44
56
31
48
29
30
18
32
23
10
52
45
1
15
40
22
21
36
4
43
24
42
27
48
9
41
14
53
12
47
26
8
FIT
1:1
100%

Артикул

Название

Примечание

Количество

1

G1411

TORQUE TUBE

1шт.

2

G10876

GASKET

- front cover

1шт.

3

G1099

COVER

- top frt. (w/o hydraulics)

1шт.

4

13-616

BOLT,Hex, 3/8" - 16 x 1", Gr 5, Full Thd

11шт.

5

92-6

LOCK WASHER,3/8"

11шт.

6

G1360

COVER - rear (w/4 speed transmission only)

1шт.

7

13-624

BOLT,Hex, 3/8" - 16 x 1-1/2", Gr 5

- 3/8" x 1-1/2" N.C. hex hd.

4шт.

8

92-6

LOCK WASHER,3/8"

stud 3/8"

4шт.

9

G46842

GASKET

- rear cover

1шт.

10

A9238

BREATHER

- oil (incl. A10059 element)

1шт.

A10059

FILTER, ELEMENT

ELEMENT - filter, breather (not shown)

1шт.

11

G30309

BREATHER,0.7535" OD x 1.5" L

TUBE - breather to cover

1шт.

12

222-508

TUBE NUT,1"-18

NUT - breather tube to cover (81LB-3/4")

1шт.

13

G49500

STUD

- upper, torque tube to trans. (1/2" x 2-13/16")

2шт.

14

VT3546

X

STUD - torque tube to trans. (1/2" x 2-1/2")

8шт.

25-118

NUT,1/2"-20, G5

- 1/2" N.F. hex

10шт.

92-8

LOCK WASHER,1/2"

10шт.

15

VT5179

X

DOWEL - torque, Serial Range: tube-transmission

2шт.

16

G10615

SLEEVE - cplg., drv. shaft (w/4 speed trans.)

1шт.

17

G10614

SLEEVE - cplg., drv. shaft (trac. w/o hand clutch)

1шт.

18

G46840

GASKET

GASKET - torque, Serial Range: tube-transmission

1шт.

19

A35048

DIPSTICK

- oil level

1шт.

20

O9844AB

X

GASKET - dipstick

1шт.

21

G15910

X

LEVER - clutch throwout

1шт.

22

G10644

SCREW

BOLT - shoulder, ckutch lever

1шт.

23

193-34

LOCK WASHER,Int Tooth, 5/8"

WASHER, LOCK, Int Tooth, 5/8"

1шт.

24

213-3

ADJUSTABLE CLEVIS,5/16"-24

YOKE - clutch throwout rod

1шт.

25

G46243

ROD

- clutch throwout

1шт.

26

141-3

CLEVIS PIN,5/16" x .940"

PIN, CLEVIS, , Yoke, Clutch rod 5/16" x .940"

2шт.

27

132-26

COTTER PIN

PIN, split (Cotter), 3/32" x 3/4"

2шт.

28

VT5156

PLUG - expansion, hand clutch lvr. opening

1шт.

29

A14280

PLUG

- drain

1шт.

30

O9844AB

X

GASKET - drain plug

1шт.

31

A7082

COVER

- hand hole

1шт.

32

13-68

SCREW,Hex, 3/8" - 16 x 1/2", Gr 5

BOLT - 3/8" x 1/2" N.C. hex hd.

1шт.

33

92-6

LOCK WASHER,3/8"

1шт.

34

A35029

SHAFT

- pivot, clutch throwout

1шт.

35

A35030

RING

SNAP RING - pivot shaft

1шт.

36

G14469

YOKE

- clutch throwout (incl. ref. 37)

1шт.

37

G49661

BUSHING

- throwout yoke

2шт.

38

G1324

CARRIER

- throwout bearing

1шт.

39

219-36

LUBE NIPPLE,45 Degree Elbow, 1/8" - 27 NPTF

FITTING - 1/8" 45 (0) (Lincoln #5200)

1шт.

40

G13624

BEARING

- throwout

1шт.

41

G14468

HOUSING

SLEEVE - throwout bearilng

1шт.

42

13-616

BOLT,Hex, 3/8" - 16 x 1", Gr 5, Full Thd

3шт.

43

92-6

LOCK WASHER,3/8"

3шт.

44

G10407

GASKET

- drive housing and sleeve

1шт.

45

G15967

SHAFT

- clutch, main drive

1шт.

46

VT2111

X

SNAP RING - clutch shaft bearing

1шт.

47

G10382

LOCK

- bearing retainer

1шт.

48

G10383

BEARING CAP

CAP - bearing retainer

1шт.

49

13-516

BOLT,Hex, 5/16" - 18 x 1", Gr 5

3шт.

50

92-5

LOCK WASHER,5/16"

3шт.

51

G10416

BALL BEARING,30mm ID x 72mm OD x 19mm W

BEARING - clutch shaft (N.D. #43306)

1шт.

52

A35216

COVER

- timing hole

1шт.

53

138-65

LOCK PIN,1/8" x 1 1/2", Slotted

PIN, , Timing pointer 1/8" x 1 1/2", Slotted

1шт.

54

A35842

COVER

- flywheel

1шт.

55

13-1012

BOLT,Hex, 5/8" - 11 x 3/4", Gr 5, Full Thd

2шт.

56

92-10

LOCK WASHER,5/8"

WASHER, LOCK, 5/8"

2шт.

Выбрано товаров: 59