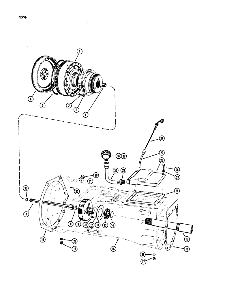
Запчасти Case IH 530 (174) - CASE-O-MATIC, TORQUE CONVERTER AND HOUSING, PRIOR TO S/N 8262800 (06) - POWER TRAIN

Схема запчастей Case IH 530 - (174) - CASE-O-MATIC, TORQUE CONVERTER AND HOUSING, PRIOR TO S/N 8262800 (06) - POWER TRAIN
7
13
6
21
8
4
1
10
12
28
15
32
22
18
31
27
20
17
9
29
3
21
19
16
23
33
25
2
14
30
17
24
11
5
26
21
FIT
1:1
100%

Артикул

Название

Примечание

Количество

1

G30373

CONVERTER

- torque (Repairs Figure 176)

1шт.

2

13-624

BOLT,Hex, 3/8" - 16 x 1-1/2", Gr 5

- 3/8" x 1-1/2" N.C. hex hd.

5шт.

3

92-6

LOCK WASHER,3/8"

5шт.

4

G49634

BUSHING

- converter to drive shaft

1шт.

5

G46817

GASKET,293.62mm ID x 314.58mm OD x 4.95mm Thk

-, Serial Range: converter-flywheel

1шт.

6

G11860

FLYWHEEL

- engine

1шт.

7

G16793

X

SHAFT - clutch main drive (See A37083)

1шт.

7

A37086

SHAFT

- clutch main drive (has groove for A37087 seal ring) Must ship both A37086 & A37087 when G16793 is exhausted

1шт.

8

G49046

WASHER

- thrust, mainshaft

1шт.

9

G16792

DRUM HUB

DRUM - driven, traction clutch

1шт.

10

G16780

CAP - bearing retainer

1шт.

11

13-512

BOLT,Hex, 5/16" - 18 x 3/4", Gr 5

3шт.

12

92-5

LOCK WASHER,5/16"

3шт.

13

40027

BALL BEARING,49.99mm ID x 80mm OD x 16mm W

- drum, traction clch. (N.D. #43L10)

1шт.

14

G46177

SNAP RING,#196, 1.849", Ext

- cup bearing

1шт.

15

G14118

COUPLING - converter to trans. (w/4 speed only)

1шт.

16

G30391

TORQUE TUBE - (incl. ref. 20, 21, 22, & 23)

1шт.

17

A14280

PLUG

- drain

2шт.

18

G46840

GASKET

GASKET - housing to transmission case

1шт.

19

G46876

GASKET

-, Serial Range: housing-engine

1шт.

20

A14280

PLUG

- timing hole

1шт.

21

O9844AB

X

GASKET - plug, timing hole & drain

3шт.

22

138-63

LOCK PIN,1/8" x 1 1/4", Slotted

PIN, , Timing pointer 1/8" x 1 1/4", Slotted

1шт.

23

G30284

SUPPORT - dipstick

1шт.

24

G45253

DIPSTICK

- oil level

1шт.

25

G1360

COVER - rear, (w/4 speed transmission)

1шт.

26

13-624

BOLT,Hex, 3/8" - 16 x 1-1/2", Gr 5

- 3/8" x 1-1/2" N.C. hex hd.

4шт.

27

92-6

LOCK WASHER,3/8"

4шт.

28

G46842

GASKET

- cover

1шт.

29

222-508

TUBE NUT,1"-18

NUT - breather tube to cover (81LB-3/4")

1шт.

30

G30309

BREATHER,0.7535" OD x 1.5" L

TUBE - breather

1шт.

31

A9238

BREATHER

- oil (incl. ref. 32)

1шт.

32

A10059

FILTER, ELEMENT

ELEMENT - filter, oil breather (not shown)

1шт.

33

A37087

RING

- seal

1шт.

Выбрано товаров: 34