Запчасти Case IH 530 (047C) - CYL. BLOCK ASSY., CASTING NO. G2089, W/ BRACKET MOUNTED OIL FILTER, 530 SERIES, 159 SPARK IGN. ENG. (02) - ENGINE

Схема запчастей Case IH 530 - (047C) - CYL. BLOCK ASSY., CASTING NO. G2089, W/ BRACKET MOUNTED OIL FILTER, 530 SERIES, 159 SPARK IGN. ENG. (02) - ENGINE
16
12
8
6
25
21
13
4
2
11
22
10
28
17
11
27
15
23
26
11
26
24
5
17
7
18
20
3
25
9
FIT
1:1
100%

Артикул

Название

Примечание

Количество

G10507

X

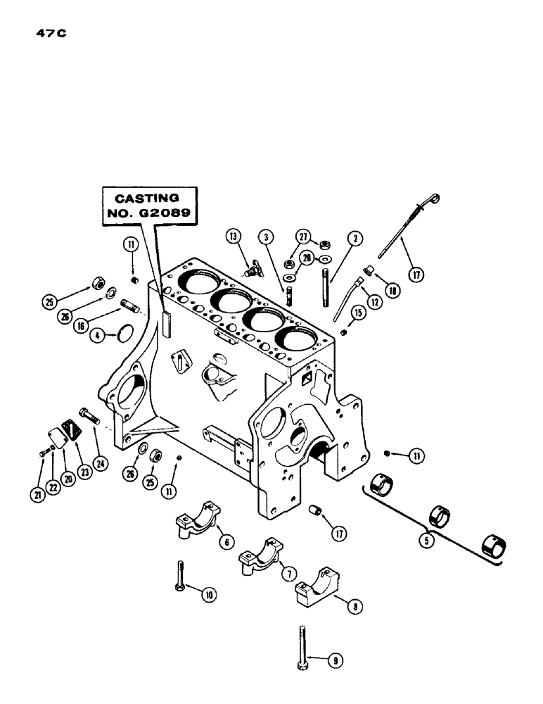
SHORT BLOCK (Casting No. G2089) Order A40589 from Figure 47 to 47B), Includes: Ref. 1 - 17

1шт.

1

G11957

BLOCK ASSY. - stripped (Casting No. G2089), Includes: Ref. 2 - 11

1шт.

2

A29436

STUD

- head to block (1/2 x 5-7/8")

5шт.

3

A30057

STUD

- head to block (1/2 x 2")

9шт.

4

A39241

PLUG,Exp, 2.12" dia

- rear (2-1/8" expansion type)

1шт.

5

A41225

KIT

BUSHING SET - camshaft (pre-sized)

1шт.

6

G2037

CAP

- rear bearing, crankshaft

1шт.

7

G2036

CAP

- center brg., crankshaft

1шт.

8

G2035

CAP

- front bearing, crankshaft

1шт.

9

G49059

BOLT

- front brg. cap (1/2 x 4-3/4")

2шт.

10

G49037

BOLT

- bearing cap (1/2 x 3")

4шт.

11

217-433

PLUG,Hex Soc, 1/4" - 18 NPTF

Oil gallery Hex Soc, 1/4"-18 NPTF

3шт.

12

G45139

BRACKET

SUPPORT - dipstick

1шт.

13

217-103

COCK, DRAIN

DRAIN COCK - cyl. block (1/4" P.T.)

1шт.

15

221-1850

PLUG,Hex Soc, 1/16"-27

- L.H. side, 1/16" P.T. socket hd.

1шт.

16

A29333

STUD

- eng. to torque tube (5/8 x 3")

2шт.

17

A29442

RING

- dowel, timing gear cover

2шт.

18

G37037

DIPSTICK

- oil level, Includes: Ref. 19

1шт.

19

G46892

OIL SEAL

- dipstick

1шт.

20

G11702

COVER

- fuel pump opening

1шт.

21

13-512

BOLT,Hex, 5/16" - 18 x 3/4", Gr 5

2шт.

22

92-5

LOCK WASHER,5/16"

2шт.

23

G46902

GASKET

- cover

1шт.

24

A30099

X

BOLT - eng. to torque tube (5/8 x 3-1/2")

2шт.

25

25-1110

NUT,5/8"-18, G5

- 5/8" N.F. hex.

4шт.

26

92-10

LOCK WASHER,5/8"

WASHER, LOCK, 5/8"

4шт.

27

A30021

NUT

- head stud (1/2" N.F. hex.)

14шт.

28

G49404

WASHER

- head stud (17/32 I.D. x 27/32 O.D. x 1/16")

14шт.

Выбрано товаров: 28