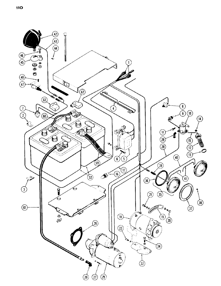
Запчасти Case IH 530 (110) - ELECTRICAL EQUIPMENT AND WIRING, 530 SERIES, 188 DIESEL ENGINE (04) - ELECTRICAL SYSTEMS

Схема запчастей Case IH 530 - (110) - ELECTRICAL EQUIPMENT AND WIRING, 530 SERIES, 188 DIESEL ENGINE (04) - ELECTRICAL SYSTEMS
27
15
42
62
12
1
7
44
6
17
61
47
28
4
45
35
63
3
8
14
59
40
25
26
23
10
46
52
38
29
19
36
37
60
43
21
16
20
13
2
11
39
9
18
24
22
5
48
41
29
FIT
1:1
100%

Артикул

Название

Примечание

Количество

1

A36676

HARNESS

- main wire, w/plugs

1шт.

2

A37179

CLIP

- main wire harness & battery cable

1шт.

3

A27033

CLIP - main wire harness

1шт.

4

A20411

CONDUIT - wire

1шт.

5

A35233

REGULATOR

ASSY. - voltage

1шт.

6

14-424

SCREW,Hex, 1/4" - 28 x 1 1/2", Gr 5

BOLT - regulator (1/4" x 1-1/2" N.F. hex)

4шт.

7

A20990

SWITCH

- safety, neutral start

1шт.

8

A13794

TRANSMITTER

UNIT - sending, oil pressure

1шт.

9

A21462

SENDER UNIT

UNIT - sending, engine temperature

1шт.

10

A21481

SOLENOID

- heater

1шт.

11

113-2

BOLT,Hex, 1/4" - 20 x 5/8", Gr 5

Solenoid Hex, 1/4"-20 x 5/8", G5, Full Thd

2шт.

12

A37775

HEATER

- manifold (Replaces A24396)

1шт.

13

A20916

MANIFOLD GASKET

GASKET - manifold heater (1 x 1-3/8 x 1/32")

1шт.

14

129-503

NUT,1/4"-20, Brass

Heater 1/4"-20, Brass

1шт.

15

A21483

CABLE

- heater, Serial Range: solenoid-heater

1шт.

16

A33241

SWITCH

- warning, converter temp.

1шт.

17

A36677

ELECTRICAL WIRE

WIRE - temperature switch (16" long)

1шт.

18

A36563

GENERATOR

ASSY. - (See Figure 112)

1шт.

19

A37017

STRAP

- generator adjusting

1шт.

20

14-620

BOLT,Hex, 3/8" - 24 x 1-1/4", Gr 5

- adj. strap (3/8" x 1-1/4" N.F. hex)

1шт.

21

13-512

BOLT,Hex, 5/16" - 18 x 3/4", Gr 5

Adj. strap to gen. Hex, 5/16"-18 x 3/4", G5, Full Thd

1шт.

22

G2131

X

BRACKET - generator mounting

1шт.

23

14-516

BOLT,Hex, 5/16" - 24 x 1", Gr 5, Full Thd

- gen. to mtg. brkt. (5/16" x 1" N.F. hex)

2шт.

24

13-522

BOLT,Hex, 5/16" - 18 x 1-3/8", Gr 5

- mtg. brkt. (5/16" x 1-3/8" N.C. hex)

2шт.

25

A36582

STARTER ASSY. - std. clutch (Delco #1107584) Order A36583 (For repairs See Figure 114)

1шт.

25

A36583

STARTER MOTOR

STARTER ASSY. - (Delco #1107583) See Figure 114 for repairs)

1шт.

26

G46873

GASKET

- starter to block (C-O-M)

1шт.

27

413-632

BOLT,Hex, 3/8" - 16 x 2", Gr 5

Starter Hex, 3/8"-16 x 2", G5

3шт.

28

A36896

CABLE PULLING GRIP

CABLE - starter to heater solenoid (6" long)

1шт.

29

A21753

CAP

BOOT - cable terminal cover

2шт.

35

A24572

LAMP

HEAD LAMP ASSY. - (sealed beam unit), Includes: Ref. 36

2шт.

36

A11276

GASKET

- head lamp

1шт.

37

A11275

RING

- retainer, head lamp

2шт.

38

131-150

LOCK NUT,#6-32, GA

NUT, LOCK, , Lamp #6-32, GA

6шт.

39

A11943

WIRE - head lamp to harness (21" long)

1шт.

40

A11764

WIRE - jumper, head lamp (16" long)

1шт.

41

A33439

WIRE - ground, head lamp (12" long)

2шт.

42

A20965

LAMP BASE

TAIL LAMP ASSY. - (See Figure 116)

1шт.

43

A36554

ELECTRICAL WIRE

WIRE - tail lamp to harness (48" long)

1шт.

44

G46047

CLIP - tail lamp wire

1шт.

45

A34046

BRACKET

- tail lamp mounting

1шт.

46

13-536

BOLT,Hex, 5/16" - 18 x 2-1/4", Gr 5

Lamp bracket Hex, 5/16"-18 x 2 1/4", G5

1шт.

47

A8170

SOCKET

ASSY. - auxiliary

1шт.

48

173-237

SCREW,Sl Rnd Hd, #10 - 32 x 1/2"

- aux. socket (#10 x 1/2" N.F. rd. hd.)

2шт.

A37100

X

CLIP - eng. temp. sender wire (not illust.)

1шт.

52

1M-105R

BATTERY - (6 volt) (Dry) (See note)

2шт.

See Fig. 111A for battery supports

1шт.

59

A36368

STRAP

- battery ground (15" long)

1шт.

60

G44055

CABLE PULLING GRIP

CABLE - battery to battery (7-1/2" long)

1шт.

61

A27987

CABLE

-, Serial Range: battery-starter

1шт.

62

G46879

COVER

- cable terminal (Stamped EL)

2шт.

63

G46880

COVER

- cable terminal (stamped ER)

1шт.

Выбрано товаров: 52