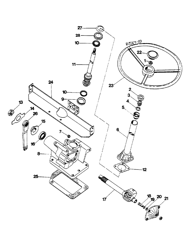
Запчасти Case IH 533 (05-02) - STEERING 433/533/633 (-XXX) (04) - STEERING

Схема запчастей Case IH 533 - (05-02) - STEERING 433/533/633 (-XXX) (04) - STEERING
22
2
3
4
28
20
6
1
7
14
10
27
9
12
21
10
26
19
15
25
13
8
17
16
18
23
24
5
11
FIT
1:1
100%

Артикул

Название

Примечание

Количество

3146921R93

HOUSING, STEERING ASSEMBLY CPTE., CONSISTS OF: ITEMS 1- 21

1шт.

3057161R1

SPLIT PIN/SAFETY PIN

ROLL, 14 X 20 MM

2шт.

179885

BOLT,Hex, 1/2" - 13 x 1 1/2", Gr 5

4шт.

103323

LOCK WASHER,1/2"

4шт.

1

934726R1

NUT

1шт.

2

3131952R1

SEALING RING

DUST

1шт.

Column with aluminium flange

1шт.

2

3058219R1

SEALING RING

DUST

1шт.

Column with iron flange

1шт.

3

715854R1

SPRING

1шт.

Column with aluminium flange

1шт.

3

3131820R2

COIL SPRING

1шт.

Column with iron flange

1шт.

4

715853R1

RING

GUIDE

1шт.

Column with aluminium flange

1шт.

4

715872R1

RING

GUIDE

1шт.

Column with iron flange

1шт.

5

3131949R1

BUSHING

BALL

1шт.

Column with aluminium flange

1шт.

5

715871R91

BUSHING

BALL

1шт.

Column with iron flange

1шт.

6

3224763R1

TUBE

BODY, STEERING COLUMN, WITH FLANGE

1шт.

Column with aluminium flange

1шт.

6

3147288R1

BODY

SPARE PART STEERING COLUMN, WITH FLANGE

1шт.

Column with iron flange

1шт.

931596R1

BOLT,M8 x 30mm, Cl 8.8

BOLT, M8 X 30 MM

4шт.

7

3058223R1

PLUG

1шт.

8

3224761R1

HOUSING

1шт.

Column with aluminium flange

1шт.

8

3146982R1

HOUSING

SPARE PART

1шт.

Column with iron flange

1шт.

9

3058221R1

BEARING, CUP

RACE BALL, 24 MM DIA.

1шт.

10

3058220R91

ROLLER BEARING

CAGE

2шт.

11

3244762R1

SHAFT STEERING, 22 MM DIA.

1шт.

Column with aluminium flange

1шт.

11

3147287R1

SHAFT

STEERING, 24 MM DIA.

1шт.

Column with iron flange

1шт.

12

3217349R1

SHIM

0.10 MM

1шт.

12

3217350R1

DISC

SHIM, 0.12 MM

1шт.

12

3217351R1

SHIM

0.15 MM

1шт.

12

3217352R1

SHIM

0.30 MM

1шт.

Column with iron flange

1шт.

12

3224765R1

DISC

SHIM, 0.30 MM

1шт.

12

3224766R1

DISC

SHIM, 0.40 MM

1шт.

12

3224767R1

SHIM

0.50 MM

1шт.

12

3224768R1

SHIM

0.60 MM

1шт.

12

3224769R1

SHIM

SPARE PART 0.70 MM

1шт.

12

3224770R1

SHIM

0.80 MM

1шт.

12

3224771R1

SHIM

0.90 MM

1шт.

12

3224772R1

SHIM

1.00 MM

1шт.

Column with aluminium flange

1шт.

13

934217R1

THIN NUT,Thin, M26 x 1.5

1шт.

14

933622R1

WASHER,Tab, M28

NUT

1шт.

15

3058231R1

SEALING RING

DUST

1шт.

16

3224764R1

SEAL

1шт.

Column with aluminium flange

1шт.

16

3146989R91

SEAL

1шт.

Column with iron flange

1шт.

17

3146990R1

STEERING AXLE

ROCKSHAFT, CONSISTS OF: ITEMS 18 - 20

1шт.

18

3146988R1

SET SCREW

ADJUSTING

1шт.

934218R1

NUT,Thin, M12 x 1.5, Cl 04

SPARE PART

1шт.

3142834R1

LOCK WASHER

LOCK

1шт.

19

3146987R92

SHIM

SET OF

1шт.

20

3146986R2

RING

LOCK

1шт.

21

3146983R1

COVER

1шт.

931599R1

SCREW,M8 x 25mm, Cl 8.8

SPARE PART BOLT, M8 X 25 MM

4шт.

22

790680R1

BUTTON

CAP, STEERING WHEEL

1шт.

23

3137375R92

WHEEL (STEERING)

1шт.

24

3142597R91

BRACKET

SUPPORT

1шт.

25

3059706R2

GASKET

1шт.

26

3146920R1

ARM

SPARE PART DROP

1шт.

930051R1

BOLT,Hex, M10 x 1.5 x 40mm, Cl 8.8

1шт.

933335R1

LOCK WASHER,M10

1шт.

933065R1

NUT,M10, Cl 5

1шт.

27

3224337R1

BELLEVILLE SPRING

1шт.

Column with aluminium flange

1шт.

28

3224773R1

BEARING, CUP

RACE BALL, 22 MM DIA.

1шт.

Column with aluminium flange

1шт.

28

3058221R1

BEARING, CUP

RACE BALL, 24 MM DIA.

1шт.

Column with iron flange

1шт.

Выбрано товаров: 80