Запчасти Case IH 533 (8-564) - HYDRAULIC TRAILER BRAKE (MANUALLY OPERATED) (08) - HYDRAULICS

Схема запчастей Case IH 533 - (8-564) - HYDRAULIC TRAILER BRAKE (MANUALLY OPERATED) (08) - HYDRAULICS
23
9
31
14
21
17
20
8
18
7
32
26
12
3
1
29
10
5
11
13
35
37
27
2
16
5
36
15
30
6
31
30
19
30
31
38
4
33
28
25
31
24
34
22
FIT
1:1
100%

Артикул

Название

Примечание

Количество

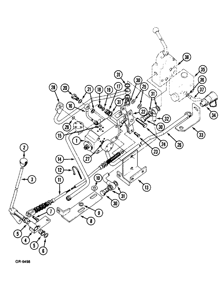
1

3216438R91

LOCK VALVE

SPARE PART ASSY.

1шт.

2

3216440R1

KNOB

SPARE PART

1шт.

3

3216646R91

LEVER

SPARE PART

1шт.

4

3216650R91

SUPPORT ASSY.

1шт.

186270

BOLT,Hex, 5/16" - 18 x 3 1/2", Gr 5

2шт.

5

3145798R1

BUSHING

2шт.

6

3216653R1

WASHER

SPARE PART

1шт.

932771R1

COTTER PIN,M4 x 20

4/x 20 mm

1шт.

7

932845R1

HEADED PIN,M8 x 22

1шт.

932767R1

COTTER PIN,M2 x 22

1шт.

8

3216655R91

SUPPORT ASSY.

1шт.

186282

BOLT,Hex, 3/8" - 16 x 3 1/4", Gr 5

1шт.

179820

BOLT,Hex, 5/16" - 18 x 1 1/4", Gr 5

1шт.

9

50793H

WASHER

10 x 22 x 3 mm

3шт.

10

3055574R1

WASHER,8.5mm ID x 19mm OD x 2.5mm Thk

3шт.

11

3216654R1

CABLE

1шт.

12

3148767R1

CABLE TIE

CABLE STRAP 200 mm

1шт.

13

3216658R91

SUPPORT ASSY.

SPARE PART

1шт.

180078

BOLT,Hex, 5/16" - 18 x 7/8", Gr 5

2шт.

179849

BOLT,Hex, 3/8" - 16 x 2 1/2", Gr 5

2шт.

125-10003

NUT,3/8"-16, G5, LH

WASHER

2шт.

14

3216663R1

PIPE CLAMP

SPARE PART TUBE

1шт.

930693R1

BOLT,Hex, M6 x 1 x 30mm, Cl 8.8

4шт.

933825R1

LOCK WASHER,M6

4шт.

15

3216618R1

RING

1шт.

16

3216666R1

TUBE

1шт.

17

3216667R2

NUT

1шт.

18

3216696R1

HYD CONNECTOR,M10 x 1

1шт.

19

933697R1

SEALING RING,M10 x 13.5 x 1

1шт.

20

717200R1

BANJO BOLT,M12 x 1.5 x 28mm

hollow

1шт.

21

E135042

SEALING RING

SEALRING

2шт.

22

3216661R91

CLEVIS COUPLING

SPARE PART CLAMP

1шт.

23

934605R1

AXLE PIN

1шт.

934783R1

BOLT,Hex, M10 x 1.5 x 100mm, Cl 8.8, Full Thd

1шт.

24

932765R1

HEADED PIN,M8 x 23

1шт.

932767R1

COTTER PIN,M2 x 22

1шт.

25

3058252R1

WASHER

3шт.

26

3216665R1

TUBE

SPARE PART

1шт.

930693R1

BOLT,Hex, M6 x 1 x 30mm, Cl 8.8

4шт.

933825R1

LOCK WASHER,M6

4шт.

27

3216448R1

O-RING

1шт.

28

3216664R1

PIPE CLAMP

SPARE PART TUBE

1шт.

717452R1

SCREW,Hex Soc Hd, M6 x 15, 8.8

2шт.

931587R1

SCREW,M6 x 40mm

1шт.

933825R1

LOCK WASHER,M6

3шт.

29

3216445R1

O-RING

1шт.

30

930259R1

BANJO BOLT,M18 x 1 x 42mm

hollow

3шт.

31

3051337R1

SEALING RING,M18 x 24mm OD x 1.5mm Thk

6шт.

32

3148912R2

PIPE

suction

1шт.

33

3216695R1

ANGLE

1шт.

413-624

BOLT,Hex, 3/8" - 16 x 1-1/2", Gr 5

1шт.

34

3131463R91

QUICK MALE COUPLING

ASSY., "Arelco"

1шт.

34

3142332R91

COUPLING, BREAK AWAY

ASSY., "Eljika", optional

1шт.

35

3134342R91

VALVE

ASSY., see mounting block

1шт.

36

717102R1

O-RING

1шт.

37

3058859R1

PIPE

suction

1шт.

38

VALVE, control, see single acting control valve

1шт.

Выбрано товаров: 57