Запчасти Case IH 533 (4-170) - STARTING MOTOR (04) - ELECTRICAL SYSTEMS

Схема запчастей Case IH 533 - (4-170) - STARTING MOTOR (04) - ELECTRICAL SYSTEMS
10
2
23
6
9
4
25
28
31
12
29
21
16
24
15
14
28
13
1
18
20
11
27
5
31
8
17
22
19
7
30
26
3
FIT
1:1
100%

Артикул

Название

Примечание

Количество

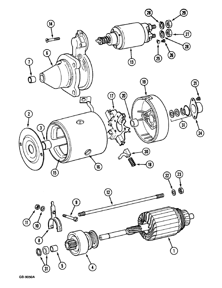
3228192R91

STARTING MOTOR

2.7KW, Consists of: 1-31

1шт.

1

3079548R1

ARMATURE

1шт.

2

3079253R91

HOUSING, BEARING

1шт.

3

3058967R1

SPRING

BUSHING

1шт.

4

3079550R91

PINION

SHAFT

1шт.

5

3079254R1

BUSHING

1шт.

6

3079165R91

HOUSING

1шт.

7

3055738R1

BUSHING

1шт.

8

3078965R1

LEVER

FORK

1шт.

9

3079251R1

BOLT

1шт.

10

3079166R1

SPRING WASHER,M8.4 ID x 15 OD x .8 Thk

1шт.

11

43362

NUT,M8 x 1.25, Cl 10

1шт.

12

3079172R1

STUD

2шт.

13

3079167R1

SOLENOID SWITCH

1шт.

14

3078974R1

SCREW

3шт.

15

3079551R91

COIL

1шт.

16

3079552R1

BOLT,Flat

4шт.

17

3079553R1

HOLDER

1шт.

18

3079175R1

SPRING

4шт.

19

3079169R91

COVER

1шт.

20

3079170R1

BUSHING

1шт.

21

905367R1

SCREW,M5 x 16mm, Cl 8.8

2шт.

22

3079176R1

WASHER

2шт.

23

86500688

NUT,Hex, M6 x 1.0, Cl 10.9

2шт.

24

3079177R1

CAP

1шт.

25

3132763R1

TERMINAL CONNECTOR

1шт.

26

931342R1

SCREW,Slotted Cheese, M4 x 0.7 x 6mm, Cl 8.8

1шт.

27

100016

NUT,M10 x 1.5, Cl 8

1шт.

28

933335R1

LOCK WASHER,M10

2шт.

29

625507C1

JAM NUT

1шт.

30

3079554R91

KIT

BRUSH

1шт.

31

3079555R91

PACKAGE

1шт.

Выбрано товаров: 32