Запчасти Case IH 533 (4-174) - STARTING MOTOR (04) - ELECTRICAL SYSTEMS

Схема запчастей Case IH 533 - (4-174) - STARTING MOTOR (04) - ELECTRICAL SYSTEMS
8
32
25
10
12
22
2
34
20
34
18
6
14
34
23
24
7
31
16
28
9
11
13
1
26
27
21
29
17
30
4
5
15
33
19
3
FIT
1:1
100%

Артикул

Название

Примечание

Количество

NSS

NOT SOLD SEPARAT

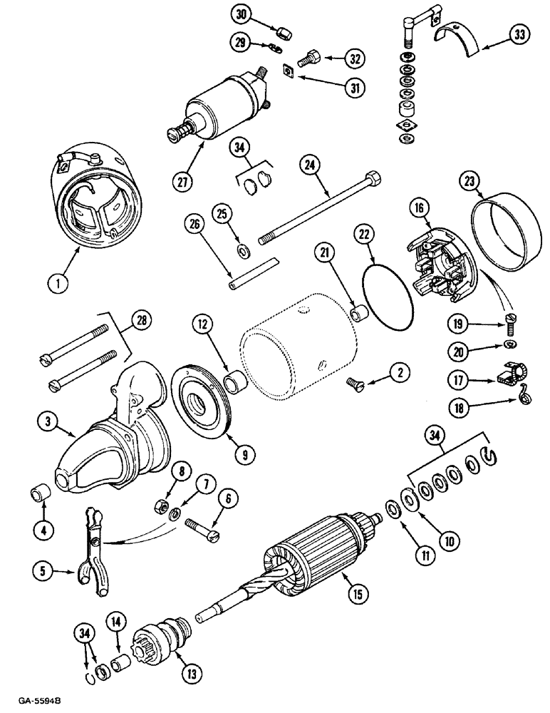
STARTER order: P/N 3228192R91, Consists of: 1-34

1шт.

1

3078958R91

COIL

1шт.

2

3078334R1

SCREW

4шт.

3

3078976R91

HOUSING

with: Ref. 4

1шт.

4

3055738R1

BUSHING

1шт.

5

3078965R1

LEVER

FORK

1шт.

6

3079251R1

BOLT

1шт.

7

933983R1

LOCK WASHER,M6

1шт.

8

43362

NUT,M8 x 1.25, Cl 10

1шт.

9

3078966R91

BEARING ASSY

BEARING with: Ref. 12

1шт.

10

3078971R2

DISC

1шт.

11

3078972R2

WASHER

1шт.

12

3078967R1

BUSHING

1шт.

13

3078979R92

SHAFT

with: Ref. 14

1шт.

14

3132443R1

BUSHING

1шт.

15

3078961R1

ARMATURE

1шт.

16

3113011R91

FRAME ASSY

1шт.

17

3078962R91

BRUSH, COMMUTATOR

BRUSH Set of 4

1шт.

18

3079018R2

SPRING

4шт.

19

931322R1

SCREW,M5 x 8mm, Cl 8.8

SPARE PART M5 x 8 mm

4шт.

20

933986R1

LOCK WASHER,M5

4шт.

21

3132446R1

BUSHING

1шт.

22

3132450R1

O-RING

1шт.

23

3132449R1

COVER

1шт.

24

3132759R1

BOLT

2шт.

25

3078756R1

WASHER

2шт.

26

3078973R1

PIPE

SPARE PART

2шт.

27

3078963R1

SOLENOID SWITCH

RELAY

1шт.

28

3078974R1

SCREW

3шт.

29

934075R1

LOCK WASHER,M10

2шт.

30

100016

NUT,M10 x 1.5, Cl 8

2шт.

31

3132763R1

TERMINAL CONNECTOR

1шт.

32

931342R1

SCREW,Slotted Cheese, M4 x 0.7 x 6mm, Cl 8.8

1шт.

33

3132464R91

TERMINAL CONNECTOR

1шт.

34

3079173R91

KIT

1шт.

Выбрано товаров: 35