Запчасти Case IH 544 (F-04) - HYDRAULICS SYSTEM, HYDRAULIC POWER SUPPLY, FARMALL HYDROSTATIC DRIVE TRACTORS (07) - HYDRAULIC SYSTEM

Схема запчастей Case IH 544 - (F-04) - HYDRAULICS SYSTEM, HYDRAULIC POWER SUPPLY, FARMALL HYDROSTATIC DRIVE TRACTORS (07) - HYDRAULIC SYSTEM
6
18
19
30
3
31
22
20
17
16
27
4
7
11
10
14
17
1
18
10
18
26
35
15
8
29
2
25
12
28
9
21
32
13
17
34
5
23
33
24
FIT
1:1
100%

Артикул

Название

Примечание

Количество

NSS

NOT SOLD SEPARAT

SERVICE PARTS for hydraulic power supply w/540 RPM independent PTO or without independent PTO., consists of all unmarked parts and those marked unit A

1шт.

NSS

NOT SOLD SEPARAT

SERVICE PARTS for hydraulic power supply w/1000 RPM independent PTO., consists of all unmarked parts and those marked unit B

1шт.

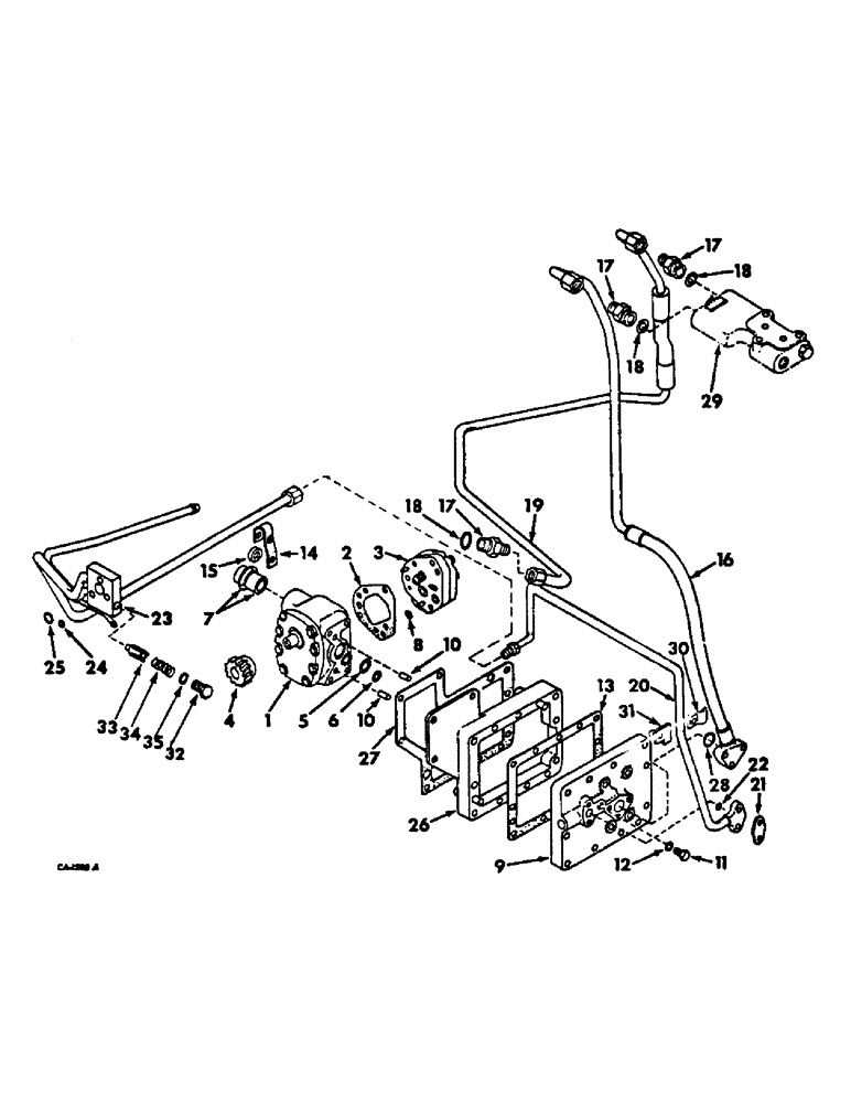
1

374483R96

PUMP

ASSY, hydraulic gear, 12 GPM, thompson, for components see list of parts under details of hydraulic pump, optional with 373964R94

1шт.

1

1949296C1

REMAN-HYD PUMP

Remanufactured HYDRAULIC PUMP

1шт.

1

1949297C1

CORE-HYDRAULIC PUMP

Return No, HYDRAULIC PUMP

1шт.

1

373964R94

PUMP

ASSY, hydraulic gear, 12 GPM, cessna, for components see list of parts under details of hydraulic pump, optional with 374483R96

1шт.

52999D

WASHER

GASKET, pump mounting screw

4шт.

NLS

NO LONGER SERVICED

SCREW, 7/16-14 x 1-1/2 hex-hd cap

4шт.

2

371543R2

GASKET

hydraulic gear pump, tractors with draft control

1шт.

3

391351R93

HYDRAULIC PUMP

PUMP ASSY, hyd gear, 9 GPM, cessna, optional with 395229R92, tractors with draft control, for components see list of parts under details of hydraulic pump

1шт.

3

1949290C1

REMAN-HYD PUMP

Reman For New PN 391351R93

1шт.

3

1949291C1

CORE-HYDRAULIC PUMP

Return Number

1шт.

3

395229R92

PUMP

ASSY, hydraulic gear, 9 GPM, thompson, optional with 391351R93, tractors with draft control, for components see list of parts under details of hydraulic pump

1шт.

3

1949290C1

REMAN-HYD PUMP

Reman for new P/N 395229R92

1шт.

3

1949291C1

CORE-HYDRAULIC PUMP

Return Number

1шт.

179849

BOLT,Hex, 3/8" - 16 x 2 1/2", Gr 5

4шт.

4

396859R1

GEAR

pump drive, 25 teeth, unit A

1шт.

4

399533R1

GEAR, pump drive, 28 teeth, unit B

1шт.

19263R1

LOCK NUT,Hex, 5/8" - 18

NUT, 5/8-18 ESNA stop, pump drive shaft

1шт.

5

254691R1

O-RING,-211, 70 Duro, .796" ID x .139" Thk

13/16 x 1-1/16 x 1/8, pump pressure port large

1шт.

6

352221R1

O-RING,0.103" Thk x 0.549" ID, -113, Cl 5, 75 Duro

9/16 x 3/4 x 3/32, pump pressure port small

1шт.

7

396860R11

BUSHING,28.5mm ID x 31.8mm OD x 50.8mm L

TUBE ASSY, pump suction

1шт.

8

371544R1

O-RING,0.07" Thk x 0.551" ID, -15, Cl 5, 75 Duro

9/16 x 11/16 x 1/16, hydraulic gear pump

1шт.

9

396866R21

FLANGE

ASSY, pump mounting

1шт.

179840

BOLT,Hex, 3/8" - 16 x 1 1/8", Gr 5

SCREW, 3/8-16 x 1-1/8 hex-hd cap

1шт.

186282

BOLT,Hex, 3/8" - 16 x 3 1/4", Gr 5

SCREW, 3/8-16 x 3-1/4 hex-hd cap

10шт.

103321

LOCK WASHER,3/8"

WASHER, LOCK, 3/8"

11шт.

10

384116R1

PIN

pump mounting flange dowel

2шт.

11

9410358

PLUG

9/16-18 str thd o-ring boss

1шт.

12

364839R1

O-RING,0.078" Thk x 0.468" ID, -906, Cl 6, 90 Duro

6-1, 90 Duro, .468" ID x .078" Thk

1шт.

13

396867R1

GASKET

pump mtg flange, light

1шт.

13

396868R1

GASKET

pump mtg flange, heavy

1шт.

14

401116R1

BRACKET

ASSY, supply tube mounting, tractors with draft control

1шт.

22055R1

SPACER,1/4" Pipe x .594"

19/32 x 1/4 std pipe

1шт.

179819

BOLT,Hex, 5/16" - 18 x 1 1/8", Gr 5

1шт.

15

33530H

SPACER, supply tube bracket mounting, tractors with draft control

1шт.

16

396874R1

HOSE ASSY.

HOSE ASSY, pump pressure

1шт.

179824

BOLT,Hex, 5/16" - 18 x 1 3/4", Gr 5

3шт.

103320

LOCK WASHER,5/16"

WASHER, LOCK, 5/16"

3шт.

17

9410205

HYD CONNECTOR,1 1/16"-12, 37 Degree x 1 1/16"-12, O-Ring

UNION, 1-1/16-12 37 deg hyd flared tube short swivel

3шт.

18

368269R1

O-RING,0.116" Thk x 0.924" ID, -912, Cl 6, 90 Duro

59/64 x 1-1/16 x 7/64

3шт.

19

396875R1

HOSE

PIPE & HOSE ASSY, open center valve transfer

1шт.

20

401957R1

TUBE

ASSY, draft control supply short

1шт.

179823

BOLT,Hex, 5/16" - 18 x 1 5/8", Gr 5

2шт.

21

378276R1

COVER

draft control pressure port, tractors without draft control

1шт.

179815

BOLT,Hex, 5/16" - 18 x 11/16", Gr 5

2шт.

103320

LOCK WASHER,5/16"

WASHER, LOCK, 5/16"

2шт.

22

352221R1

O-RING,0.103" Thk x 0.549" ID, -113, Cl 5, 75 Duro

9/16 x 3/4 x 3/32

1шт.

23

402327R2

MANIFOLD

ASSY, hyd housing power supply, tractors with draft control

1шт.

23

401549R1

MANIFOLD ASSY, oil cooler return, tractors w/o draft control

1шт.

413-630

BOLT,Hex, 3/8" - 16 x 1-7/8", Gr 5

3шт.

24

355965R1

O-RING,0.139" Thk x 0.921" ID, -213, Cl 5, 75 Duro

15/16 x 1-3/16 x 1/8, manifold assy, small

1шт.

25

356005R1

O-RING,1.109" ID x 0.139" Width

1-1/8 x 1-3/8 x 1/8, manifold assy, large

1шт.

26

396869R11

ADAPTER w/two pins, 20556R1 and two pins, 384116R1, pump mounting flange

1шт.

20556R1

DOWEL,1/2" x 3/4"

PIN, 1/2 x 3/4 dowel

2шт.

179840

BOLT,Hex, 3/8" - 16 x 1 1/8", Gr 5

SCREW, 3/8-16 x 1-1/8 hex-hd cap

3шт.

103321

LOCK WASHER,3/8"

WASHER, LOCK, 3/8"

3шт.

27

396870R1

GASKET

pump mounting flange adapter

1шт.

28

369908R1

O-RING,0.103" Thk x 0.799" ID, -117, Cl 5, 75 Duro

13/16 x 1 x 3/32, pump pressure hose flange

1шт.

29

VALVE ASSY, power steering flow divider, refer to power steering flow divider valve listing, section J

1шт.

30

527887R1

CLAMP, draft control supply tube

1шт.

181331

BOLT,Hex, 5/16" - 24 x 1/2", Gr 5

SCREW, 5/16-24 x 1/2 hex-hd cap

1шт.

31

527888R1

BRACKET

tube hold down

1шт.

179841

BOLT,Hex, 3/8" - 16 x 1 1/4", Gr 5

3/8-16 x 1-1/4 hex-hd cap

1шт.

95-11041

WASHER,3/8"

(13/32 x 13/16 x .051) 3/8"

1шт.

32

390825R1

PLUG

std thd o-ring boss

1шт.

33

354057R2

VALVE

check

1шт.

34

382334R1

SPRING

check

1шт.

35

364839R1

O-RING,0.078" Thk x 0.468" ID, -906, Cl 6, 90 Duro

6-1, 90 Duro, .468" ID x .078" Thk

1шт.

393259R1

HOSE

INSULATOR, round hyd line, use as required

1шт.

393258R1

INSULATOR, square hydraulic line, use as required

1шт.

Выбрано товаров: 71