Запчасти Case IH 544 (F-08) - HYDRAULICS SYSTEM, HYDRAULIC POWER SUPPLY, INTERNATIONAL HYDROSTATIC DRIVE TRACTORS (07) - HYDRAULIC SYSTEM

Схема запчастей Case IH 544 - (F-08) - HYDRAULICS SYSTEM, HYDRAULIC POWER SUPPLY, INTERNATIONAL HYDROSTATIC DRIVE TRACTORS (07) - HYDRAULIC SYSTEM
11
9
22
18
17
24
25
6
8
10
2
30
7
28
15
29
23
27
1
21
14
30
19
5
16
32
33
20
3
35
34
12
13
31
26
10
4
FIT
1:1
100%

Артикул

Название

Примечание

Количество

NSS

NOT SOLD SEPARAT

SERVICE PARTS for hydraulic power supply w/540 RPM independent PTO or without independent PTO., consists of all unmarked parts and those marked unit A

1шт.

NSS

NOT SOLD SEPARAT

SERVICE PARTS for hydraulic power supply w/1000 RPM independent PTO., consists of all unmarked parts and those marked unit B

1шт.

406910R91

PARTS ACCESSORY, high capacity hydraulic power supply w/540 RPM independent PTO or without independent PTO and equipped w/loaders or 110 hydraulic mowers, consists of all unmarked parts and those marked unit C

1шт.

406909R91

PARTS ACCESSORY, high capacity hydraulic power supply w/1000 RPM independent PTO and equipped with loaders or 110 hydraulic mowers, consists of all unmarked parts and those marked unit D

1шт.

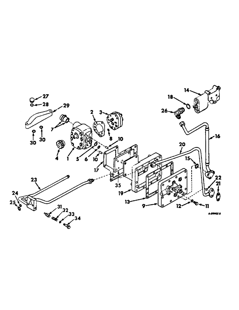
1

374483R96

PUMP

ASSY, hydraulic gear, 12 GPM, thompson, for components see list of parts under details of hydraulic pump, units A & B, optional with 373964R94

1шт.

1

1949296C1

REMAN-HYD PUMP

Remanufactured HYDRAULIC PUMP

1шт.

1

1949297C1

CORE-HYDRAULIC PUMP

Return No, HYDRAULIC PUMP

1шт.

1

373964R94

PUMP

ASSY, hydraulic gear, 12 GPM, cessna, for components see list of parts under details of hydraulic pump, units A & B, optional with 374483R96

1шт.

52999D

WASHER

GASKET, pump mounting screw

4шт.

NLS

NO LONGER SERVICED

SCREW, 7/16-14 x 1-1/2 hex-hd cap

4шт.

1

527755R91

PUMP

ASSY, hydraulic gear, 17 GPM, will work for 370880R94, thompson, for components see list of parts under details of hydraulic pump, units C & D, optional with 373966R94

1шт.

1

373966R94

HYDRAULIC PUMP

PUMP ASSY, hydraulic gear, 17 GPM, cessna, for components see list of parts under details of hydraulic pump, units C & D, optional with 527755R91

1шт.

1

1949292C1

REMAN-HYD PUMP

Remanufactured HYDRAULIC PUMP

1шт.

1

1949293C1

CORE-HYDRAULIC PUMP

Return No, HYDRAULIC PUMP

1шт.

52999D

WASHER

GASKET, pump mounting screw

4шт.

179862

BOLT,Hex, 7/16" - 14 x 1 1/2", Gr 5

SCREW, 7/16-14 x 1-1/2 hex-hd cap

4шт.

2

371543R2

GASKET

hydraulic gear pump, tractors with draft control

1шт.

3

391351R93

HYDRAULIC PUMP

PUMP ASSY, hyd gear, 9 GPM, cessna, for components see list of parts under details of hydraulic pump, tractors with draft control, optional with 395229R92

1шт.

3

1949290C1

REMAN-HYD PUMP

Reman For New PN 391351R93

1шт.

3

1949291C1

CORE-HYDRAULIC PUMP

Return Number

1шт.

3

395229R92

PUMP

ASSY, hyd gear, 9 GPM, thompson, for components see list of parts under details of hydraulic pump, tractors with draft control, optional with 391351R93

1шт.

3

1949290C1

REMAN-HYD PUMP

Reman for new P/N 395229R92

1шт.

3

1949291C1

CORE-HYDRAULIC PUMP

Return Number

1шт.

179849

BOLT,Hex, 3/8" - 16 x 2 1/2", Gr 5

4шт.

4

396859R1

GEAR

pump drive, 25 teeth, unit A

1шт.

4

399533R1

GEAR, pump drive, 28 teeth, unit B

1шт.

4

405206R1

GEAR, pump drive, 21 teeth, unit D

1шт.

4

391305F1

GEAR, pump drive, 18 teeth, unit C

1шт.

19263R1

LOCK NUT,Hex, 5/8" - 18

NUT, 5/8-18 ESNA stop, pump drive shaft

1шт.

5

254691R1

O-RING,-211, 70 Duro, .796" ID x .139" Thk

13/16 x 1-1/16 x 1/8

1шт.

6

352221R1

O-RING,0.103" Thk x 0.549" ID, -113, Cl 5, 75 Duro

9/16 x 3/4 x 3/32

1шт.

7

396860R11

BUSHING,28.5mm ID x 31.8mm OD x 50.8mm L

TUBE ASSY, pump suction, units A, B and C

1шт.

7

405207R11

TUBE ASSY, pump suction, unit D

1шт.

8

371544R1

O-RING,0.07" Thk x 0.551" ID, -15, Cl 5, 75 Duro

9/16 x 11/16 x 1/16, hydraulic gear pump

1шт.

9

396866R21

FLANGE

ASSY, pump mounting, units A and B

1шт.

9

405746R1

FLANGE, pump mounting, unit C

1шт.

9

405204R1

FLANGE ASSY, pump mounting, unit D

1шт.

179840

BOLT,Hex, 3/8" - 16 x 1 1/8", Gr 5

SCREW, 3/8-16 x 1-1/8 hex-hd cap

1шт.

186282

BOLT,Hex, 3/8" - 16 x 3 1/4", Gr 5

SCREW, 3/8-16 x 3-1/4 hex-hd cap

10шт.

103321

LOCK WASHER,3/8"

WASHER, LOCK, 3/8"

11шт.

10

384116R1

PIN

pump mounting flange dowel

2шт.

11

9410358

PLUG

9/16-18 str thd o-ring boss

1шт.

12

364839R1

O-RING,0.078" Thk x 0.468" ID, -906, Cl 6, 90 Duro

6-1, 90 Duro, .468" ID x .078" Thk

1шт.

13

396867R1

GASKET

pump mtg flange, light

1шт.

13

396868R1

GASKET

pump mtg flange, heavy

1шт.

14

NSS

NOT SOLD SEPARAT

VALVE ASSY, power steering flow divider, refer to power steering flow divider valve listing, section J

1шт.

15

369908R1

O-RING,0.103" Thk x 0.799" ID, -117, Cl 5, 75 Duro

13/16 x 1 x 3/32

1шт.

16

399675R1

HOSE ASSY.

PIPE & HOSE ASSY, hyd power supply

1шт.

179824

BOLT,Hex, 5/16" - 18 x 1 3/4", Gr 5

3шт.

103320

LOCK WASHER,5/16"

WASHER, LOCK, 5/16"

3шт.

17

396870R1

GASKET

pump flange mtg adapter

1шт.

18

368269R1

O-RING,0.116" Thk x 0.924" ID, -912, Cl 6, 90 Duro

59/64 x 1-1/16 x 7/64

1шт.

19

396869R11

ADAPTER W/TWO PINS, 20556R1 and two pins, 384116R1, pump mounting flange

1шт.

20556R1

DOWEL,1/2" x 3/4"

PIN, 1/2 x 3/4 dowel

2шт.

179840

BOLT,Hex, 3/8" - 16 x 1 1/8", Gr 5

SCREW, 3/8-16 x 1-1/8 hex-hd cap

3шт.

103321

LOCK WASHER,3/8"

WASHER, LOCK, 3/8"

3шт.

20

403624R1

TUBE ASSY, power supply front

1шт.

179819

BOLT,Hex, 5/16" - 18 x 1 1/8", Gr 5

1шт.

179823

BOLT,Hex, 5/16" - 18 x 1 5/8", Gr 5

2шт.

21

378276R1

COVER

draft control pressure port, tractors w/o draft control

1шт.

179815

BOLT,Hex, 5/16" - 18 x 11/16", Gr 5

2шт.

103320

LOCK WASHER,5/16"

WASHER, LOCK, 5/16"

2шт.

22

352221R1

O-RING,0.103" Thk x 0.549" ID, -113, Cl 5, 75 Duro

9/16 x 3/4 x 3/32

1шт.

23

399680R1

MANIFOLD ASSY, hyd housing power supply, tractors w/draft control

1шт.

23

400319R2

MANIFOLD

ASSY, hyd housing power supply, tractors with draft control

1шт.

413-630

BOLT,Hex, 3/8" - 16 x 1-7/8", Gr 5

3шт.

24

355965R1

O-RING,0.139" Thk x 0.921" ID, -213, Cl 5, 75 Duro

15/16 x 1-3/16 x 1/8

1шт.

25

356005R1

O-RING,1.109" ID x 0.139" Width

1-1/8 x 1-3/8 x 1/8

1шт.

26

9410979

ELBOW,90 Degree, 1 1/16"-12, 37 Degree x 1 1/16"-12, O-Ring

1-1/16-12 C-Z 37 deg hyd flared tube adj str thd 90 deg

1шт.

27

NSS

NOT SOLD SEPARAT

(Not used in this application)

1шт.

28

NSS

NOT SOLD SEPARAT

(Not used in this application)

1шт.

29

NSS

NOT SOLD SEPARAT

(Not used in this application)

1шт.

30

NSS

NOT SOLD SEPARAT

(Not used in this application)

1шт.

31

354057R2

VALVE

check

1шт.

32

382334R1

SPRING

check

1шт.

33

364839R1

O-RING,0.078" Thk x 0.468" ID, -906, Cl 6, 90 Duro

6-1, 90 Duro, .468" ID x .078" Thk

1шт.

34

390825R1

PLUG

std thd o-ring boss

1шт.

35

405745R1

PLATE, pump mounting, unit C

1шт.

179865

BOLT,Hex, 7/16" - 14 x 1 7/8"

SCREW, 7/16-14 x 1-7/8 hex-hd cap

4шт.

35

405307R1

PLATE, pump mounting, unit D

1шт.

179866

BOLT,Hex, 7/16" - 14 x 2", Gr 5

4шт.

393259R1

HOSE

INSULATOR, round hyd line, use as required

1шт.

393258R1

INSULATOR, square hydraulic line, use as required

1шт.

Выбрано товаров: 83