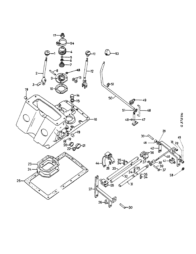
Запчасти Case IH 553 (132) - SHIFTER MECHANISM, TRANSMISSION FRONT COVER (06) - POWER TRAIN

Схема запчастей Case IH 553 - (132) - SHIFTER MECHANISM, TRANSMISSION FRONT COVER (06) - POWER TRAIN
3
7
49
12
35
28
42
23
30
10
20
19
44
16
17
37
5
27
1
45
13
51
14
39
40
36
26
33
32
30
48
54
35
37
31
4
53
15
25
6
2
18
8
21
22
34
29
50
11
9
26
43
45
29
19
24
34
52
41
35
34
38
19
51
46
FIT
1:1
100%

Артикул

Название

Примечание

Количество

1

3057145R91

KNOB

BALL, shifter lever

1шт.

2

3131807R11

LEVER

gearshift

1шт.

933065R1

NUT,M10, Cl 5

1шт.

3

3057139R1

PIVOT PIN

SHAFT, swivel, large

1шт.

4

3057146R2

SEAL

BOOT, lever

2шт.

5

713291R2

SNAP RING

snap

2шт.

6

713290R1

WASHER

RING, end

2шт.

7

713289R2

SPRING

tapered

2шт.

8

3057140R1

LARGE PIN

PIN, LARGE SHAFT, swivel, small

2шт.

103384

COTTER PIN,1/8" x 3/4"

4шт.

9

3057015R1

COVER

gearshift

2шт.

413-616

BOLT,Hex, 3/8" - 16 x 1", Gr 5

8шт.

10

3057136R1

GASKET

2шт.

11

3058306R91

KNOB

BALL, shifter lever

1шт.

12

3137661R11

LEVER

speed range

1шт.

933065R1

NUT,M10, Cl 5

1шт.

13

3057141R1

SPACER

SPARE PART

2шт.

14

3057291R93

FILTER

breather

1шт.

15

933609R1

RING

1шт.

16

3057018R41

SUPPORT ASSY.

instrument panel with 19 -21

1шт.

179841

BOLT,Hex, 3/8" - 16 x 1 1/4", Gr 5

11шт.

179845

BOLT,Hex, 3/8" - 16 x 1 3/4", Gr 5

4шт.

103321

LOCK WASHER,3/8"

15шт.

17

3137663R1

PLUG

CAP, deflector

2шт.

18

Q397

WASHER

1шт.

19

3057175R2

PLUG

3шт.

20

3057176R1

PLUG

1шт.

21

3057174R1

PLUG

2шт.

22

716495R1

CAP

PLUG

6шт.

23

3057148R1

GASKET

1шт.

24

3058428R1

COVER ASSY

1шт.

24

3057147R1

COVER

(version without powershift transmission

1шт.

13-510

BOLT,Hex, 5/16" - 18 x 5/8", Gr 5, Full Thd

5шт.

103320

LOCK WASHER,5/16"

5шт.

25

3057290R1

GASKET

1шт.

26

3137031R1

SLIDE

BLOCK, sliding

4шт.

27

787830R11

FORK

ARM, trip

1шт.

28

3057282R2

GUIDE

gear shifter

1шт.

138242

HEX SOC SCREW,3/8" - 16 x 1"

1шт.

29

557268R1

WASHER

2шт.

30

787583R1

PIN

4шт.

31

3137966R1

ROD

range shift, 553/654

1шт.

31

3142480R1

ROD

range shift, 724/824

1шт.

32

3059184R1

ROD

shifter 3rd and 4th speed

1шт.

33

3059183R1

ROD

shifter 1st and 2nd speed

1шт.

34

714409R1

SPRING

3шт.

35

933157R1

BALL,9mm Dia

6шт.

36

3059182R1

BLOCK DRIVER

2шт.

932305R1

LOCK PIN,M6 x 36, Slotted

2шт.

37

3058249R1

WASHER

2шт.

38

3057126R2

CLEVIS

BRACKET, yoke

1шт.

39

3057287R1

LARGE PIN

PIN, LARGE BOLT

1шт.

103384

COTTER PIN,1/8" x 3/4"

1шт.

40

3142456R1

ROD

connecting

1шт.

107763

COTTER PIN,1/8" x 5/8"

1шт.

102635

NUT,3/8"-16, G5

1шт.

41

787835R2

SLIDE

BLOCK, 553/654

2шт.

41

3142420R1

SLIDE VALVE

BLOCK, sliding, 724/824

2шт.

41

3142678R1

RAIL ASSY.

BLOCK, sliding LH (version with ground speed PTO), 553/654

1шт.

41

3142679R1

SLIDE

BLOCK, sliding (LH (version with ground speed PTO), 724/824

1шт.

42

3142421R91

FORK

ARM, range shift, 553/654

1шт.

42

3142419R91

FORK

ARM, range shift, 724/824

1шт.

43

718743R1

SEALING RING,M10 x 16 x 1

Packing

8шт.

44

3137034R11

FORK

SPARE PART gear shifter

1шт.

138242

HEX SOC SCREW,3/8" - 16 x 1"

1шт.

45

787837R1

SPACER

BUSHING

2шт.

46

3052055R1

O-RING,2.4mm Thk x 7.3mm ID, 72 Duro

1шт.

47

3057898R31

ROD

shift

1шт.

48

787588R1

ROD

1шт.

107762

WASHER,3/32" x 5/8"

2шт.

49

3057896R2

ARM

LEVER, for multi-disc clutch

1шт.

179819

BOLT,Hex, 5/16" - 18 x 1 1/8", Gr 5

1шт.

103320

LOCK WASHER,5/16"

1шт.

114502

JAM NUT,Jam, 5/16"-18, G5

1шт.

50

3057895R3

ROD

LEVER, gearshift

1шт.

933681R1

THIN NUT,Thin, M10 x 1.5, Cl 04

1шт.

51

3059161R1

RING

CLAMP

2шт.

52

933328R1

SNAP RING,M16, Ext

2шт.

53

3059160R1

BUTTON

gear shaft, with shifting symbol

1шт.

54

3131602R2

COLLAR CLAMP

hose, for shift lever seal

2шт.

55

718743R1

SEALING RING,M10 x 16 x 1

Packing

8шт.

Выбрано товаров: 81