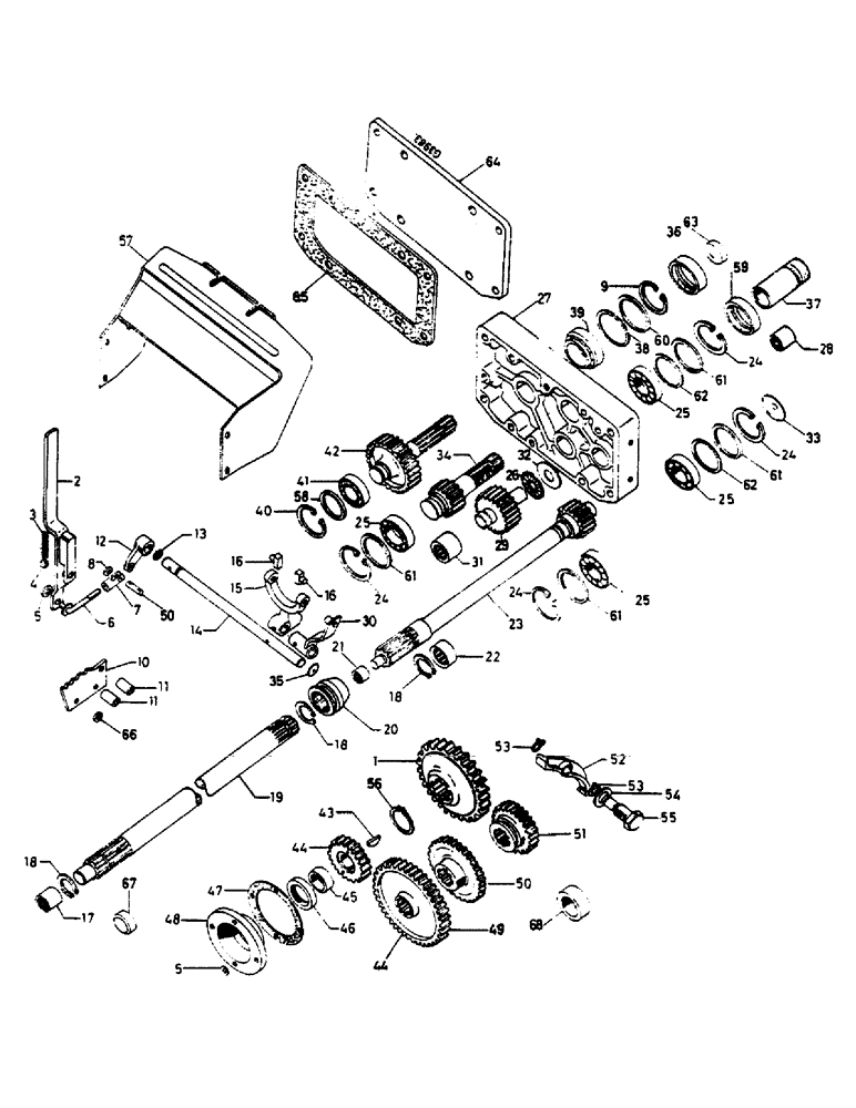
Запчасти Case IH 553 (170) - ENGINE P.T.O. 540 AND 1000 R.P.M., GROUND SPEED P.T.O. (06) - POWER TRAIN

Схема запчастей Case IH 553 - (170) - ENGINE P.T.O. 540 AND 1000 R.P.M., GROUND SPEED P.T.O. (06) - POWER TRAIN
34
5
49
41
36
30
17
21
39
3
20
18
38
24
50
59
25
61
11
18
65
7
24
23
19
46
18
54
53
4
48
42
47
24
44
2
29
61
28
45
13
16
68
25
64
32
40
52
25
16
50
63
66
15
43
56
11
44
37
57
58
12
8
33
55
62
10
5
27
61
26
60
24
51
67
9
1
14
53
35
25
62
6
31
22
61
FIT
1:1
100%

Артикул

Название

Примечание

Количество

1

3057799R4

GEAR

ground speed PTO, 54 teeth

1шт.

2

787814R21

LEVER

HAND, shifting PTO

1шт.

179821

BOLT,Hex, 5/16" - 18 x 1 3/8", Gr 5

1шт.

114502

JAM NUT,Jam, 5/16"-18, G5

2шт.

3

B22748

SPRING

1шт.

4

16018R1

BALL

steel

1шт.

5

Q398

WASHER

5шт.

6

3134133R11

ROD

shifting PTO

1шт.

425-115

NUT,5/16"-24, G5

1шт.

103373

COTTER PIN,3/32" x 3/4"

1шт.

7

714948R1

YOKE

UNIVERSAL JOINT YOKE CLEVIS, adjusting

1шт.

8

Q392

WASHER

1шт.

9

933288R1

SNAP RING,M85, Int

1шт.

10

3057306R1

DISC

PLATE, shifting PTO

1шт.

179848

BOLT,Hex, 3/8" - 16 x 2 1/4", Gr 5

2шт.

103321

LOCK WASHER,3/8"

2шт.

11

3057307R1

SPACER

BUSHING

2шт.

12

3134132R1

LEVER

shifting PTO

1шт.

932228R1

LOCK PIN,M6 x 24, Slotted

1шт.

13

355966R1

O-RING,0.424" ID x 0.103" Width

1шт.

14

3057314R1

SHAFT

shifter, PTO

1шт.

15

3057312R1

FORK

shifter, ground speed PTO

1шт.

932323R1

LOCK PIN,M6 x 45, Slotted

1шт.

16

3057313R1

SLIDE

BLOCK, ground speed PTO

2шт.

17

3146308R91

NEEDLE BEARING

needle

1шт.

18

933075R1

SNAP RING,M40, Ext

CIRCLIP

3шт.

19

3134428R2

SHAFT

PTO, front

1шт.

20

3057025R2

COUPLING

SHAFT, PTO

1шт.

21

3057317R91

NEEDLE BEARING CAGE

1шт.

22

3057318R91

BEARING, NEEDLE,Needle, 39.99mm ID x 46.98mm OD x 19.9mm W

1шт.

23

3142392R1

SHAFT

PTO

1шт.

24

933154R1

SNAP RING,M80, Int

CIRCLIP

4шт.

25

3142393R91

TAPERED BEARING

tapered roller

4шт.

26

3142432R91

NEEDLE BEARING,45mm ID x 58mm OD x 3mm W

needle

1шт.

27

3142325R1

HOUSING

PTO

1шт.

20296R1

HEX SOC SCREW,5/8"-11 x 2"

1шт.

179889

BOLT,Hex, 1/2" - 13 x 2", Gr 5

4шт.

9406825

HEX SOC SCREW,1/2" - 13 x 2 1/2"

2шт.

413-1036

BOLT,Hex, 5/8" - 11 x 2-1/4", Gr 5

3шт.

103323

LOCK WASHER,1/2"

4шт.

103325

LOCK WASHER,5/8"

3шт.

28

3142027R91

NEEDLE BEARING

BEARING, needle

1шт.

29

3142395R1

GEAR

intermediate

1шт.

30

3131817R11

ARM

LEVER, PTO shifting, LH

1шт.

932228R1

LOCK PIN,M6 x 24, Slotted

1шт.

31

3232189R91

ROLLER BEARING,38.1 mm ID x 47.63 mm OD x 31.75 mm

1шт.

32

3142396R1

WASHER

thrust

1шт.

33

3142403R1

HOLE PLUG BUTTON

PLUG, expansion

1шт.

34

3142401R1

PTO

SHAFT, 1000 rpm. serrated

1шт.

34

3142418R1

PTO

SHAFT, 1000 rpm. splined

1шт.

35

172532

PLUG,Exp, 13/16"

expansion

1шт.

36

3142404R91

OIL SEAL

1шт.

37

3054841R2

TUBE

CAP, PTO guard, 540 rpm.

1шт.

37

3058648R2

CAP

PTO guard, 1000 rpm.

1шт.

38

3142406R1

SHIM

0.1mm (.004")

1шт.

38

3142633R1

SHIM

0.2mm (.008")

1шт.

38

3142634R1

SHIM

0.5mm (.020")

1шт.

38

3142635R1

SHIM

1.0mm (.040")

1шт.

39

3142407R91

BEARING

tapered roller

1шт.

40

933076R1

SNAP RING,M72, Int

CIRCLIP

1шт.

41

3142398R91

TAPERED BEARING

tapered

1шт.

42

3142397R1

PTO

SHAFT, 540 rpm

1шт.

43

126-117

WOODRUFF KEY,#91, 1/4" x 3/4", HT

1шт.

44

3134541R91

GEAR-SET

PTO drive, 28/56 teeth

1шт.

45

3057315R1

SPACER

RING distance

1шт.

46

3131160R91

OIL SEAL

1шт.

47

3134518R1

GASKET,0.5mm Thk

1шт.

48

3057187R3

RETAINER

1шт.

179817

BOLT,Hex, 5/16" - 18 x 7/8", Gr 5, Full Thd

4шт.

103320

LOCK WASHER,5/16"

4шт.

49

3134542R91

GEAR

drive, 56 teeth with hollow shaft, 28 teeth

1шт.

50

3058128R1

PIN

1шт.

107761

COTTER PIN,1/16" x 5/8"

2шт.

51

3057800R2

GEAR

shifter ground sped PTO, 30 teeth

1шт.

52

3142400R1

LEVER

locking

1шт.

53

933120R1

SNAP RING,M15, Ext

CIRCLIP

2шт.

54

Q3501

WASHER

1шт.

55

3057801R1

SCREW

lock

1шт.

56

3058041R1

RING, SNAP

RING SNAP CIRCLIP

1шт.

57

3057380R11

SHIELD

master

1шт.

179837

BOLT,Hex, 3/8" - 16 x 3/4", Gr 5

4шт.

103321

LOCK WASHER,3/8"

4шт.

58

3142409R1

BACK-UP RING

1шт.

59

3142410R91

OIL SEAL

1шт.

60

3142412R1

RING

back-up

1шт.

61

3142413R1

RING

back-up

4шт.

62

3142414R1

SHIM

1шт.

63

3142416R1

PLUG

SPARE PART COVER, closing 85 mm dia.

1шт.

Version without P.T.O.

1шт.

63

3225803R1

PLUG

COVER, closing 80 mm dia.

1шт.

Version without P.T.O.

1шт.

64

3133249R1

COVER

SPARE PART

1шт.

Version without P.T.O.

1шт.

179883

BOLT,Hex, 1/2" - 13 x 1 1/4", Gr 5

4шт.

Version without P.T.O.

1шт.

3058102R1

PLUG

S 5/8" x 15 mm

1шт.

Version without P.T.O.

1шт.

413-1024

BOLT,Hex, 5/8" - 11 x 1-1/2", Gr 5

4шт.

Version without P.T.O.

1шт.

103323

LOCK WASHER,1/2"

4шт.

Version without P.T.O.

1шт.

103325

LOCK WASHER,5/8"

4шт.

Version without P.T.O.

1шт.

65

3133250R1

GASKET

1шт.

Version without P.T.O.

1шт.

66

3058101R1

BUSHING

spacer (in place of 10)

2шт.

Version without P.T.O.

1шт.

67

3133251R1

PLUG

1шт.

Version without P.T.O.

1шт.

68

3133252R1

SPACER

BUSHING (in place of) 44

1шт.

Version without P.T.O.

1шт.

Выбрано товаров: 111