Запчасти Case IH 553 (308) - BLOCK-MOUNTED CONTROL VALVES FOR HYDRAULIC MOWER (08) - HYDRAULICS

Схема запчастей Case IH 553 - (308) - BLOCK-MOUNTED CONTROL VALVES FOR HYDRAULIC MOWER (08) - HYDRAULICS
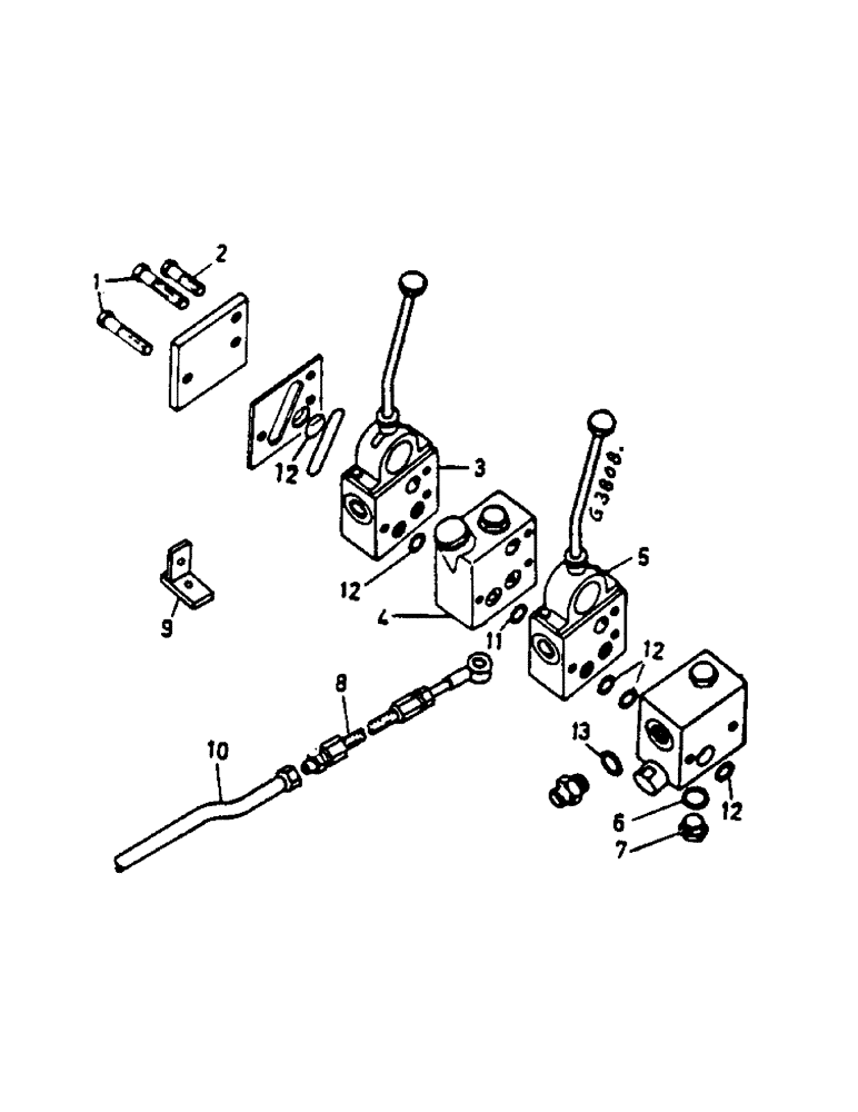
11
1
12
4
8
6
9
12
3
7
2
6
12
13
12
10
FIT
1:1
100%

Артикул

Название

Примечание

Количество

1

930917R1

BOLT,Hex, M8 x 1.25 x 190mm, Cl 8.8

2шт.

1

931082R1

BOLT,Hex, M8 x 1.25 x 230mm, Cl 8.8

2шт.

1

3137740R1

BOLT

S M8 x 270 mm

2шт.

103320

LOCK WASHER,5/16"

2шт.

2930915R1

S M8 x 140 mm

1шт.

2

931083R1

BOLT,Hex, M8 x 1.25 x 175mm, Cl 8.8

1шт.

2

3137739R1

BOLT

S M8 x 215 mm

1шт.

103320

LOCK WASHER,5/16"

1шт.

3

VALVE, control (single acting) for cutter bar, see Figure: 300

1шт.

4

DIVIDER, flow see Figure: 310

1шт.

5

3137729R91

VALVE

SPARE PART control (single acting) for hydromotor

1шт.

6

3051337R1

SEALING RING,M18 x 24mm OD x 1.5mm Thk

1шт.

7

933223R1

PLUG,Hex, M18 x 1.5

M 18

1шт.

8

3137732R1

HOSE

connection

1шт.

9

3137733R11

BRACKET

1шт.

10

3137735R1

TUBE

PIPE pressure, 553

1шт.

10

3137731R1

PIPE pressure, 654/724/824

1шт.

11

3078445R1

O-RING

3шт.

12

717012R1

O-RING,2.5mm Thk x 12.5mm ID, Cl 5, 70 Duro

1шт.

13

717598R1

GASKET

RING packing

1шт.

Выбрано товаров: 20