Запчасти Case IH 570 (196) - POWER STEERING GEAR, WITH DUAL FRONT WHEEL (05) - STEERING

Схема запчастей Case IH 570 - (196) - POWER STEERING GEAR, WITH DUAL FRONT WHEEL (05) - STEERING
27
7
5
13
36
47
23
37
8
5
3
41
24
8
9
43
6
38
18
6
13
44
1
18
19
11
25
20
4
16
26
13
12
46
40
30
5
22
14
28
9
2
13
9
31
15
39
42
20
45
5
34
35
14
21
17
29
33
32
10
9
FIT
1:1
100%

Артикул

Название

Примечание

Количество

1

A36571

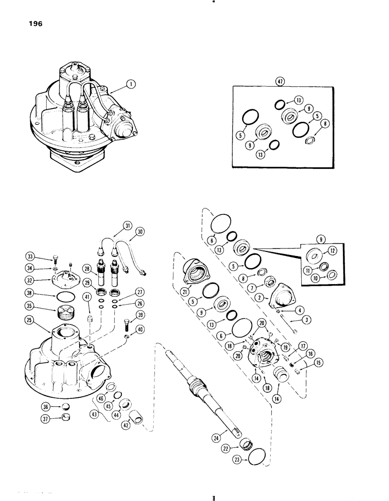
GEAR ASSY. - steering (includes ref. 2 - 47)

1шт.

2

A57039

CAP - valve

1шт.

3

13-660

BOLT,Hex, 3/8" - 16 x 3-3/4", Gr 5

- cap (3/8 x 3-3/4" N.C. hex hd.)

3шт.

4

92-6

LOCK WASHER,3/8"

3шт.

5

A57057

O-RING,0.103" Thk x 2.175" ID, -139, Cl 6, 90 Duro

"O" RING - thrust bearing (2-3/16 x 2-3/8 x 3/32")

2шт.

6

A7990

O-RING,0.103" Thk x 2.8" ID, -149, Cl 5, 75 Duro

"O" RING - cap & carrier (2-13/16 x 3 x 3/32")

2шт.

7

A7988

NUT

- thrust bearing retaining (1"-16 hex)

1шт.

8

A8317

LOCK ASSY

LOCK - worm shaft nut

1шт.

9

A57044

BEARING

ASSY. (includes ref. 10, 11 & 12)

2шт.

10

NSS

NOT SOLD SEPARAT

RACE - thrust bearing (1" O.D.)

1шт.

11

NSS

NOT SOLD SEPARAT

BEARING - thrust

1шт.

12

NSS

NOT SOLD SEPARAT

RACE - thrust bearing (2-7/32" O.D.)

1шт.

13

A57041

O-RING,0.103" Thk x 1.237" ID, -124, Cl 6, 90 Duro

"O" RING - thrust bearing (1-1/4" x 1-7/16" x 3/32")

2шт.

14

A34297

VALVE ASSY. (includes ref. 15 - 20)

1шт.

15

A33064

PLUNGER - valve centering (drilled)

3шт.

16

A33065

SPRING

- valve centering

3шт.

17

A9475

PLUNGER

- valve centering (solid)

3шт.

18

A33066

ORIFICE - dampening

2шт.

19

A9474

VALVE

- check

1шт.

20

A15233

SEAT

- power steering lines

3шт.

21

A57040

CARRIER

- worm shaft bearing

1шт.

22

A7985

BEARING, NEEDLE,1.25" ID x 1.5" OD x 0.75"

BEARING - needle, worm shaft, front

1шт.

23

A28318

O-RING,0.139" Thk x 2.484" ID, -230, Cl 5, 75 Duro

"O" RING - carrier (2-1/2 x 3/4 x 1/8")

1шт.

24

A23596

SHAFT - worm

1шт.

25

A7970

HOUSING - steering gear

1шт.

26

A29197

O-RING,0.424" ID x 0.63" OD x 0.103"

"O" RING - connector (7/16 x 5/8 x 3/32")

2шт.

27

A7982

O-RING,0.103" Thk x 0.612" ID, -114, Cl 5, 75 Duro

"O" RING - connector (5/8 x 13/16 x 3/32")

2шт.

28

A7979

CONNECTOR - valve inlet & outlet

2шт.

29

A7980

LOCK NUT

NUT - lock, connector

2шт.

30

A8309

TUBE - housing to valve (5-1/4" long)

1шт.

31

A8308

TUBE

- housing to valve (6-13/16" long)

1шт.

32

A26371

COVER - housing

1шт.

33

13-514

BOLT,Hex, 5/16" - 18 x 7/8", Gr 5

Cover Hex, 5/16"-18 x 7/8", G5, Full Thd

4шт.

34

92-5

LOCK WASHER,5/16"

4шт.

35

A28314

PLUG - thrust ball, upper seat

1шт.

36

A28312

BALL

- thrust, spindle

1шт.

37

A28313

SEAT

SADDLE - thrust ball, lower seat

1шт.

38

A29884

O-RING,0.139" Thk x 2.359" ID, -229, Cl 5, 75 Duro

"O" RING - cover (2-3/8 x 2-5/8 x 1/8")

1шт.

39

13-624

BOLT,Hex, 3/8" - 16 x 1-1/2", Gr 5

- housing (3/8 x 1-1/2" N.C. hex hd.)

2шт.

40

92-6

LOCK WASHER,3/8"

2шт.

41

221-14

DRAIN PLUG,Sq Hd, 1/2"-14 NPTF

PLUG - housing (1/2" P.T., square head)

1шт.

42

A7986

NEEDLE BEARING,1" ID x 1.25" OD x 3"

BEARING - needle, worm shaft, rear

1шт.

43

A22660

SEAL

KIT - worm shaft, dust (includes ref. 44, 45 & 46)

1шт.

44

NSS

NOT SOLD SEPARAT

CARRIER - dust seal

1шт.

45

A9394

RING

QUAD RING - (1 x 1-1/4 x 1/8")

1шт.

46

A9393

SEAL

- dust (1 x 1-3/8 x 3/16")

1шт.

47

A57202

VALVE

KIT - (Includes Items 5, 8, 9 & 13)

1шт.

Выбрано товаров: 0