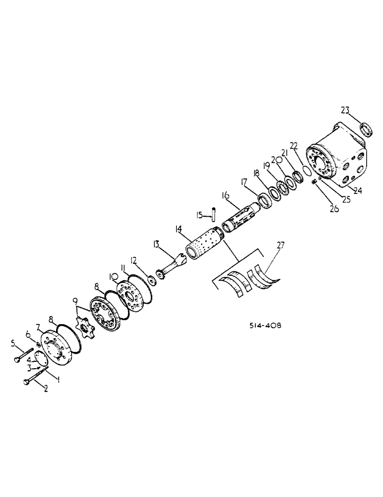
Запчасти Case IH 584 (10-048) - INTEGRAL POWER STEERING VALVE (07) - HYDRAULICS

Схема запчастей Case IH 584 - (10-048) - INTEGRAL POWER STEERING VALVE (07) - HYDRAULICS
3
5
26
1
13
24
11
9
27
6
21
2
7
17
4
16
8
23
12
20
25
10
19
14
22
15
18
8
FIT
1:1
100%

Артикул

Название

Примечание

Количество

67698C93

VALVE

ASSY, INTEGRAL POWER STEERING SERVICE PARTS ARE

1шт.

2

3112271R1

PIN, ROLL

1шт.

3

SCREW

1шт.

4

SCREW

2шт.

5

NS

NOT SERVICED

PLATE, RATING

1шт.

6

3146908R1

BOLT,M8 x 1 x 35mm

PLAIN

6шт.

6

3146907R1

BOLT,M8 x 1 x 35mm, Drilled

PLAIN

1шт.

7

WASHER, SEE SERVICE PACKAGE

7шт.

8

1500444C1

CAP

END

1шт.

9

O-RING, SEE SERVICE PACKAGE

2шт.

10

538918R1

ROTOR ASSY.

SET, ORBIT DRIVE, CONSISTS OF ITEMS 12 AND 13

1шт.

11

3112276R1

PLATE

VALVE

1шт.

12

O-RING, SEE SERVICE PACKAGE

1шт.

13

RING, SEAL, SEE SERVICE PACKAGE

1шт.

14

HOUSING, CONSISTS OF ITEMS 14 AND 16

1шт.

15

3112270R1

BALL

STEEL

1шт.

16

3112272R1

BUSHING

THREADED

1шт.

17

SPRING, LEAF, SEE SERVICE PACKAGE

2шт.

17

SPRING, LEAF, SEE SERVICE PACKAGE

2шт.

3234338R91

BEARING SET

ASSY, CONSISTS OF ITEMS 18, 19 AND 20, NOT ILLUSTRATED

1шт.

1500443C91

SEAL KIT

PACKAGE, SEAL AND SPRING, SERVICE, NOT ILLUSTRATED, CONSISTS OF

1шт.

RING, DUST SEAL, NOT ILLUSTRATED

1шт.

SEAL, LIP, NOT ILLUSTRATED

1шт.

O-RING, NOT ILLUSTRATED

1шт.

O-RING, NOT ILLUSTRATED

2шт.

WASHER, NOT ILLUSTRATED

7шт.

SPRING, LEAF, NOT ILLUSTRATED

2шт.

SPRING, LEAF, NOT ILLUSTRATED

2шт.

Выбрано товаров: 28