Запчасти Case IH 584 (12-089) - FUEL INJECTION PUMP, BOSCH INJECTION C R PUMP Power

Схема запчастей Case IH 584 - (12-089) - FUEL INJECTION PUMP, BOSCH INJECTION C R PUMP Power
25
7
40
44
6
62
19
39
9
42
71
57
3
74
32
41
67
85
2
29
31
47
21
79
20
38
63
28
23
8
27
82
33
34
70
55
81
11
37
35
1
86
76
30
54
17
84
56
53
36
43
22
72
64
12
26
4
51
58
5
60
15
14
61
46
52
16
69
66
68
80
65
50
83
18
10
77
45
73
24
78
59
75
13
49
48
FIT
1:1
100%

Артикул

Название

Примечание

Количество

3218604R91

PUMP

FUEL INJECTION VA4/10H 1150 CR8-3, INCLUDES NUTS AND WASHERS

1шт.

9635082

NUT,5/16" - 18, Gr 5

2шт.

103320

LOCK WASHER,5/16"

2шт.

3055574R1

WASHER,8.5mm ID x 19mm OD x 2.5mm Thk

355 X 748 X 098

2шт.

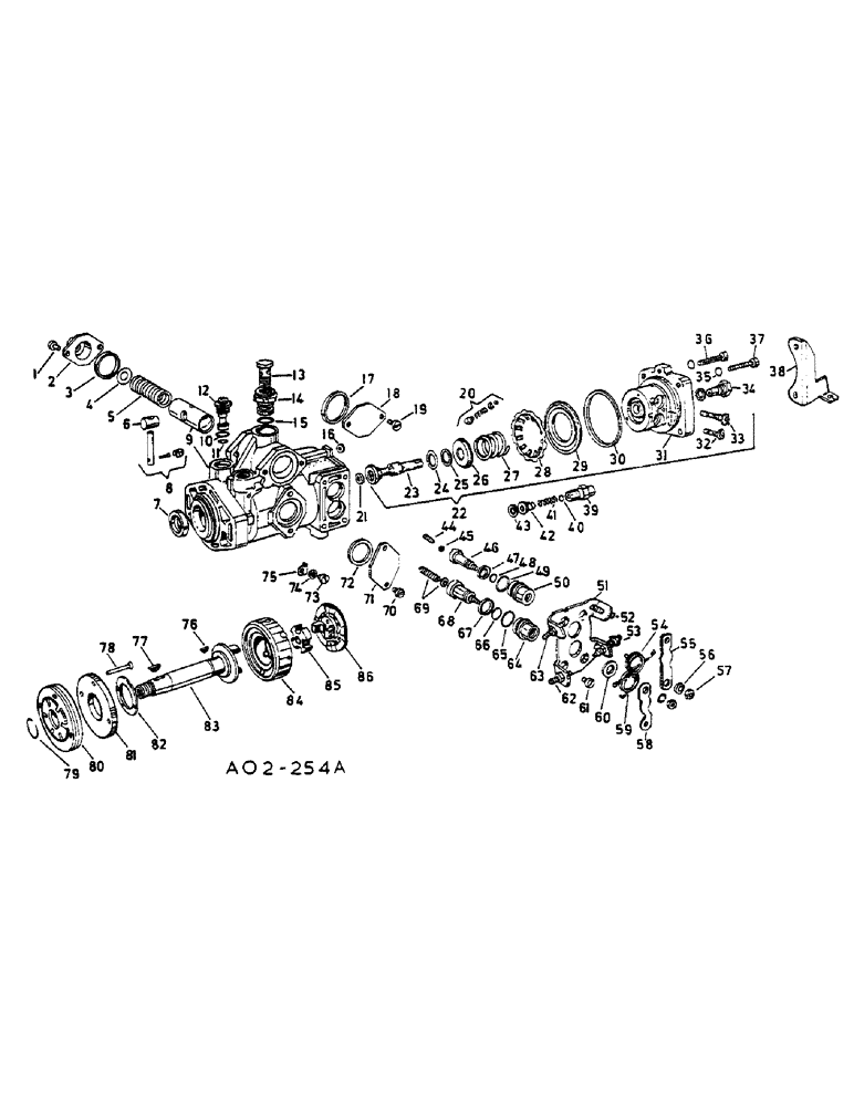
1

439189C1

SCREW

PAN HD

2шт.

2

3078489R1

COVER

ADVANCE HSG

1шт.

3

3078488R1

RING

PACKING

1шт.

4

3078528R1

THRUST WASHER

THRUST 0 6 MM

1шт.

4

3078529R1

THRUST WASHER

THRUST 0 8 MM

1шт.

4

3078530R1

THRUST WASHER

THRUST 1 0 MM

1шт.

4

3078531R1

THRUST WASHER

THRUST 1 2 MM

1шт.

4

3078532R1

THRUST WASHER

THRUST 1 4 MM

1шт.

4

3078533R1

THRUST WASHER

THRUST, 3 0 MM

1шт.

5

3078552R1

SPRING

ADVANCE PISTON

1шт.

6

3078482R1

SLIDE

SLIDE, ADVANCE PISTON

1шт.

7

3078355R1

SEAL

OIL DRIVE SHAFT

1шт.

8

3078481R1

PIN

CONNECTING AUTO ADVANCE

1шт.

9

3078472R91

HOUSING

SPARE PART W/ADVANCE PISTON CPTE

1шт.

10

3078358R1

O-RING

REGULATOR VALVE

1шт.

11

3078535R1

O-RING

REGULATOR VALVE

1шт.

12

3078614R91

VALVE

REGULATOR

1шт.

13

3059086R1

BANJO BOLT

SCREW, INLET UNION PUMP HSG

1шт.

14

3078484R1

VALVE

OVERFLOW

1шт.

15

3078483R1

O-RING,2.5mm Thk x 15mm ID

UNION ADAPTOR ADV HSG

1шт.

16

3078487R1

O-RING

PACKING

1шт.

17

3078488R1

RING

PACKING PLATE ADV HSG

1шт.

18

3078486R1

COVER

PLATE, ADVANCE HSG

1шт.

19

931535R1

BOLT,Hex, M8 x 1.25 x 80mm, Cl 8.8

BOLT, HEX HD

2шт.

20

NOT USED

1шт.

21

3078767R1

WASHER

1 92 MM

1шт.

21

3078769R1

WASHER

1 96 MM

1шт.

21

3078771R1

WASHER

2 00 MM

1шт.

21

3078773R1

WASHER

2 04 MM

1шт.

21

3078775R1

WASHER

2 08 MM

1шт.

21

3078777R1

WASHER

2 12 MM

1шт.

21

3078779R1

WASHER

2 16 MM

1шт.

21

3078781R1

WASHER

2 20 MM

1шт.

21

3078783R1

WASHER

2 24 MM

1шт.

21

3078785R1

WASHER

2 28 MM

1шт.

21

3078787R1

WASHER

2 32 MM

1шт.

21

3078789R1

WASHER

2 36 MM

1шт.

21

3078791R1

WASHER

2 40 MM

1шт.

21

3078793R1

WASHER

2 44 MM

1шт.

21

3078795R1

WASHER

2 48 MM

1шт.

21

3078797R1

WASHER

2 52 MM

1шт.

21

3078799R1

WASHER

2 56 MM

1шт.

21

3078801R1

WASHER

2 60 MM

1шт.

21

3078803R1

WASHER

2 64 MM

1шт.

21

3078805R1

WASHER

2 68 MM

1шт.

21

3078807R1

WASHER

2 72 MM

1шт.

21

3078809R1

WASHER

2 76 MM

1шт.

21

3078811R1

WASHER

2 80 MM

1шт.

21

3078813R1

WASHER

2 84 MM

1шт.

21

3078815R1

WASHER

2 88 MM

1шт.

22

3078818R1

HEAD, DISTRIBUTOR ASSY W/PLUNGER THROTTLE AND CONTROL PLUNGER

1шт.

23

NSS

NOT SOLD SEPARAT

1шт.

24

3078540R1

WASHER

PLUNGER 1 35 MM

1шт.

24

3078541R1

WASHER

PLUNGER 1 60 MM

1шт.

24

3078542R1

WASHER

PLUNGER, 1 85 MM

1шт.

25

3078537R1

WASHER

PLUNGER 1 65 MM

1шт.

25

3078571R1

WASHER

PLUNGER, 2 35 MM

1шт.

26

3078516R1

SEAT

SPRING PLUNGER

1шт.

27

3078515R1

SPRING

PLUNGER

1шт.

28

3078576R1

SPRING WASHER

WASHER, SPRING

1шт.

29

3078578R1

FILTER, FUEL

1шт.

30

3078366R1

O-RING

DISTRIBUTOR HEAD

1шт.

31

NSS

NOT SOLD SEPARAT

1шт.

32

NSS

NOT SOLD SEPARAT

1шт.

33

NSS

NOT SOLD SEPARAT

1шт.

34

3078514R1

PLUG

DISTRIBUTOR HEAD, INCLUDES RING

1шт.

3078915R1

RING

PACKING DISTRIBUTOR HEAD PLUG

1шт.

35

NOT USED

1шт.

36

3078600R1

SCREW

PUMP TO DISTRIBUTOR HEAD

2шт.

37

3078600R1

SCREW

PUMP TO DISTRIBUTOR HEAD

2шт.

38

3078549R1

SUPPORT

BRACKET, INJECTION PUMP

1шт.

39

3059067R1

HOLDER

DELIVERY VALVE

4шт.

40

3059066R1

WASHER,2.5mm ID x 7.3mm OD x 1.5mm Thk

DELIVERY VALVE

4шт.

41

3132408R1

SPRING

DELIVERY VALVE

4шт.

42

3079145R1

VALVE

DELIVERY

4шт.

43

3078362R1

SEALING WASHER

DELIVERY VALVE

4шт.

44

3078555R1

SPRING

THROTTLE

1шт.

45

NOT USED

1шт.

46

3078517R1

SHAFT

THROTTLE

1шт.

47

3078519R1

WASHER

THROTTLE SHAFT

1шт.

48

3078354R1

O-RING,2mm Thk x 6.5mm ID

THROTTLE SHAFT

1шт.

49

785602R1

O-RING

CONTROL PLUNGER AND THROTTLE SHAFT BUSHING

1шт.

50

3078556R1

BUSHING

THROTTLE SHAFT

1шт.

51

3078557R1

PLATE

STOP

1шт.

52

3132885R1

BOLT

STOP, INCLUDES NUT

1шт.

86500688

NUT,Hex, M6 x 1.0, Cl 10.9

HEX STOP SCREW

1шт.

53

3132251R1

STOP LOCK

STOP, INCLUDES

1шт.

3079141R1

NUT

HEX STOP SCREW

1шт.

54

3132588R1

SPRING

TORSION THROTTLE SHAFT

1шт.

55

3132590R1

LEVER

THROTTLE

1шт.

55

3132591R1

LEVER

THROTTLE, OPTIONAL AS REQUIRED

1шт.

56

933987R1

LOCK WASHER,M6

THROTTLE AND CONTROL PLUNGER LEVER

2шт.

57

86500688

NUT,Hex, M6 x 1.0, Cl 10.9

HEX THROTTLE AND CONTROL PLUNGER LEVER

2шт.

58

3059077R1

LEVER

CONTROL PLUNGER

1шт.

58

3059078R1

LEVER

CONTROL PLUNGER, OPTIONAL AS REQUIRED

1шт.

59

3132589R1

SPRING

TORSION CONTROL PLUNGER SHAFT

1шт.

60

3059076R1

WASHER

CONTROL PLUNGER SHAFT

1шт.

61

931320R1

SCREW,M6 x 12mm, Cl 8.8

COUNTERSUNK STOP PLATE

4шт.

62

3059074R1

SCREW

STOP, INCLUDES NUT

1шт.

86500688

NUT,Hex, M6 x 1.0, Cl 10.9

HEX STOP SCREW

1шт.

63

3079404R1

BOLT

STOP, INCLUDES NUT

1шт.

86500688

NUT,Hex, M6 x 1.0, Cl 10.9

HEX STOP SCREW

1шт.

64

3078524R1

BUSHING

CONTROL PLUNGER SHAFT

1шт.

65

785602R1

O-RING

CONTROL PLUNGER AND THROTTLE SHAFT BUSHING

1шт.

66

3078363R1

O-RING

CONTROL PLUNGER SHAFT

1шт.

67

3078523R1

WASHER

CONTROL PLUNGER SHAFT

1шт.

68

3078521R1

SHAFT

CONTROL PLUNGER

1шт.

69

3079144R91

PACKAGE

SERVICE CONTROL PLUNGER SPRING

1шт.

70

931330R1

SCREW,M6 x 1 x 12mm, Cl 8.8

Timing window cover

2шт.

71

3078486R1

COVER

TIMING WINDOW

1шт.

72

3078485R1

RING

PACKING TIMING WINDOW COVER

1шт.

73

931326R1

SCREW,Slotted Cheese , M4 x 0.7 x 5mm, Cl 8.8

PAN HD SLOTTED TIMING POINTER

1шт.

74

933982R1

WAVE WASHER,M4.3 ID x 9 OD x .5 Thk

TIMING POINTER

1шт.

75

3132598R1

INDICATOR

TIMING

1шт.

76

3132395R1

KEY

WOODRUFF DRIVE SHAFT REAR

1шт.

77

3079101R1

WOODRUFF KEY

WOODRUFF DRIVE SHAFT

1шт.

78

3078477R1

BOLT,CSK

C/SK SUPPORT RING

2шт.

79

3078474R1

RING

RETAINING

1шт.

80

3078475R1

PUMP, CHARGE

1шт.

81

3078476R1

RING

SUPPORT CHARGE PUMP

1шт.

82

3078479R1

THRUST WASHER

THRUST ROLLER RETAINER

1шт.

83

3078473R1

SHAFT

DRIVE

1шт.

84

3078478R1

RETAINER, ROLLER ASSY

1шт.

85

3059007R1

DISC

CROSS TYPE CAM FACE

1шт.

86

3078480R1

CAM

FACE

1шт.

3078526R91

GASKET KIT

SET, INJECTION PUMP, NOT ILLUSTRATED, CONSISTS OF 1 PACKING RING - 3078485R1, 2 PACKING RINGS - 3078488R1, 1 O-RING - 3078358R1, 1 O-RING - 3078535R1, 1 O-RING - 3078966R1, 1 O-RING -3078354R1, 2 O-RINGS - 785602R1, 1 O-RING - 3078363R1

1шт.

Выбрано товаров: 130