Запчасти Case IH 584 (07-024) - REAR FRAME, COVER AND CONNECTIONS (04) - Drive Train

Схема запчастей Case IH 584 - (07-024) - REAR FRAME, COVER AND CONNECTIONS (04) - Drive Train
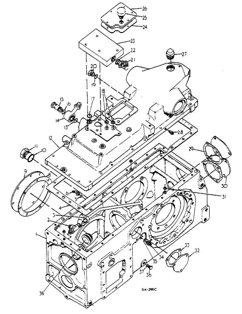
19
5
21
14
36
33
22
11
28
38
29
37
16
24
35
9
6
26
18
34
20
10
1
3
4
13
30
12
15
17
2
8
27
23
32
31
25
FIT
1:1
100%

Артикул

Название

Примечание

Количество

1

399848R71

FRAME ASSY

REAR, SYNCHROMESH DRIVE TRACTORS, ALSO INCLUDES BEARING 399820R91 OR 527746R91 AND 362251R91 IN RANGE TRANSMISSION, INCLUDES PLUGS AND PINS

1шт.

327412R1

PLUG,Cup, 13/16"

13/16 CUP

1шт.

3113103R1

PLUG

3/4-14 AUTOMOTIVE HEX HD PIPE

2шт.

9409961

DRAIN PLUG,Sq Soc, 3/4"-14 NPTF

REAR FRAME, FOR USE W/AUTO HITCH

2шт.

349373R1

PLUG

1-1/4 CUP

1шт.

19904R1

DOWEL,1/2" x 1"

2шт.

19875R1

DOWEL,5/8" x 1 1/2"

PIN 5/8

1шт.

386194R1

PLUG,Cup, 3/4"

3/4 CUP

2шт.

512870R1

PLUG,Cup, 2 1/4"

2-1/4 CUP

1шт.

19846R1

DOWEL,1/2" x 1 1/4"

PIN 1/2 X 1-1/4

1шт.

70129R1

PLUG,Cup, 2"

CORED HOLE

1шт.

23828R1

PLUG,Cup, 2 1/2"

2-1/2 CUP

1шт.

330222R1

PLUG,Cup, 1 7/8"

1-7/8 CUP

1шт.

151162R1

PLUG,Cup, 1 3/8"

1-3/8 CUP

1шт.

327413R1

PLUG

1-1/2 CUP

1шт.

2

9411131

TEE,3/4"-16, 37 Degree x 3/4"-18, O-Ring Run

3/4-16 C-Z 37 DEG HYD FLARED TUBE ADJ STR THD 90 DEG TRANSFER, PUMP OUTLET TUBE

1шт.

3

68393C1

TUBE ASSY.

1шт.

4

538649R91

PACKAGE

REAR FRAME COVER GASKET, W/THREE SEALS 406734R1

1шт.

5

369751R1

O-RING,0.072" Thk x 0.351" ID, -904, Cl 6, 90 Duro

1/4 OD tube

2шт.

6

ELBOW, 7/16-20 90 DEG TUBE, R H BRAKE TUBE

1шт.

7

NOT USED

1шт.

8

405738R1

COVER

GASKET, SIDE PTO

1шт.

9

405738R1

COVER

SIDE P T O, INCLUDES SCREWS

1шт.

179837

BOLT,Hex, 3/8" - 16 x 3/4", Gr 5

7шт.

10

296247R1

O-RING,16-1, 90 Duro, 1.171" ID x .116" Thk

1 OD TUBE

1шт.

11

9410363

PLUG

1-5/16-12 STR THD O-RING BOSS

1шт.

12

529381R94

COVER ASSY

REAR FRAME, INCLUDES NUTS, WASHERS, SCREWS, PLUGS, O-RING AND STUDS

1шт.

120377

NUT,3/8" - 16, Gr 5

2шт.

120382

LOCK WASHER,Helical Spring, 3/8"

2шт.

472144

NUT 3/8-16 HEX LOCK

2шт.

664645

NUT, 3/8 HEX LOCK, OPTIONAL

2шт.

179847

BOLT,Hex, 3/8" - 16 x 2", Gr 5

1шт.

413-630

BOLT,Hex, 3/8" - 16 x 1-7/8", Gr 5

11шт.

179850

BOLT,Hex, 3/8" - 16 x 2 3/4", Gr 5

3/8-16 X 2-5/8 HEX HD CAP

2шт.

179886

BOLT,Hex, 1/2" - 13 x 1 5/8", Gr 5

1/2-13 X 1-5/8 HEX HD CAP

2шт.

413-830

BOLT,Hex, 1/2" - 13 x 1-7/8", Gr 5

1/2-13 X 1-7/8 HEX HD CAP

4шт.

444695

PLUG

3/8-15 AUTOM HEX SOC HD PIPE

1шт.

444697

PLUG,Hex Soc, 3/8"-18

3/8-18 AUTO HEX SOC HD PIPE

1шт.

444698

PLUG

3/8-18 C-Z AUTOM HEX SOC HD PIPE

1шт.

386194R1

PLUG,Cup, 3/4"

3/4 CUP

1шт.

373553R1

PLUG,Cup, 7/8"

7/8 CUP

1шт.

41600D

PLUG,Cup, 1 1/8"

1-1/8 CUP

1шт.

24469R1

PLUG,Cup, 3 1/4"

3-1/4 CUP

2шт.

103321

LOCK WASHER,3/8"

14шт.

179883

BOLT,Hex, 1/2" - 13 x 1 1/4", Gr 5

3шт.

231-1408

LOCK NUT,1/2"-13, GB

1/2-13 NYLON INSERT

3шт.

536855R1

PLUG

3/4-16 C-Z STR HD O-RING BOSS

1шт.

570828R1

O-RING,0.087" Thk x 0.644" ID, -908, Cl 6, 90 Duro

1/2 OD TUBE

1шт.

531144R1

STUD

TOP COVER SHORT

2шт.

531143R2

STUD

TOP COVER LONG

2шт.

13

384376R1

O-RING,0.07" Thk x 0.926" ID, -21, Cl 6, 90 Duro

15/16 X 1-1/16 X 1/16

1шт.

14

66762C1

PIPE,0.625" OD, 3.5" Length

TUBE ASSY, INLET UNION

1шт.

15

66766C1

PLUG

INLET UNION

1шт.

16

364885R1

O-RING,0.097" Thk x 0.755" ID, -910, Cl 6, 90 Duro

5/8 OD TUBE

1шт.

17

21433R1

O-RING,0.103" Thk x 0.674" ID, -115, Cl 6, 90 Duro

11/16 X 7/8 X 3/32, AUX VALVE MANIFOLD

1шт.

18

352221R1

O-RING,0.103" Thk x 0.549" ID, -113, Cl 5, 75 Duro

9/16 X 3/4 X 3/32, AUX VALVE MANIFOLD

2шт.

19

570828R1

O-RING,0.087" Thk x 0.644" ID, -908, Cl 6, 90 Duro

1/2 OD TUBE, SYNCHROMESH DRIVE TRACTORS

1шт.

20

9410359

PLUG

3/4-16 C-Z STR THD O-RING BOSS, SYNCHROMESH DRIVE TRACTORS

1шт.

21

9410978

ELBOW,90 Degree, 7/8"-14, 37 Degree x 7/8"-14, O-Ring

7/8-14 C-Z 37 DEG HYD FLARED TUBE ADJ STR THD 90 DEG, AUX VALVE

1шт.

22

364885R1

O-RING,0.097" Thk x 0.755" ID, -910, Cl 6, 90 Duro

5/8 OD TUBE, AUX VALVE

1шт.

23

529382R1

MANIFOLD

AUX VALVE, INCLUDES SCREWS

1шт.

179847

BOLT,Hex, 3/8" - 16 x 2", Gr 5

Aux Valve

4шт.

24

399996R1

GASKET

LINKAGE ACCESS COVER, AUX VALVE

1шт.

25

65970C1

BREATHER

ASSY, HYD UNIT HOUSING, AUX VALVE

1шт.

26

65969C1

COVER

LINKAGE ACCESS, AUX VALVE, INCLUDES SCREWS

1шт.

179791

BOLT,Hex, 1/4" - 20 x 1/2", Gr 5

Aux. valve

5шт.

27

20953R1

DRAIN PLUG,Sq Hd, 1 1/4"-11 1/2 NPTF

1-3/4-11 X 1/2 NPTE, AUX VALVE

1шт.

28

82301R1

BLEEDER,3/8" - 24 x 117mm

BRAKE BLEED, AUX VALVE

2шт.

29

399843R2

GASKET

IPTO COVER, AUX VALVE

2шт.

30

399842R1

COVER

REAR FRAME IPTO, AUX VALVE, INCLUDES SCREWS

2шт.

179837

BOLT,Hex, 3/8" - 16 x 3/4", Gr 5

Aux valve

6шт.

31

406734R1

SEAL

TEFLON, AUX VALVE

3шт.

32

528448R1

PLATE

PARKING BRAKE PIVOT HOLE BLANKING, TRACTORS W/HAND OPERATED DRUM BRAKE, AUX VALVE, INCLUDES SCREWS AND WASHERS

1шт.

179837

BOLT,Hex, 3/8" - 16 x 3/4", Gr 5

Aux valve

3шт.

103321

LOCK WASHER,3/8"

Aux Valve

3шт.

33

528449R1

GASKET

PIVOT HOLE BLANKING PLATE, AUX VALVE

1шт.

34

9410200

HYD CONNECTOR,7/16" - 20 JIC x 7/16" - 20 ORB

7/16-20 C-Z 37 DEG HYD FLARED TUBE SHORT SWIVEL, L H BRAKE INLET TUBE, AUX VALVE

1шт.

35

369751R1

O-RING,0.072" Thk x 0.351" ID, -904, Cl 6, 90 Duro

1/4 OD tube, Aux valve

1шт.

36

9410356

PLUG

7/16-20 STR THD O-RING BOSS, AUX VALVE

1шт.

37

369751R1

O-RING,0.072" Thk x 0.351" ID, -904, Cl 6, 90 Duro

1/4 OD tube, Aux valve

1шт.

38

527748R1

PLUG

OIL RESERVOIR, AUX VALVE

1шт.

Выбрано товаров: 81