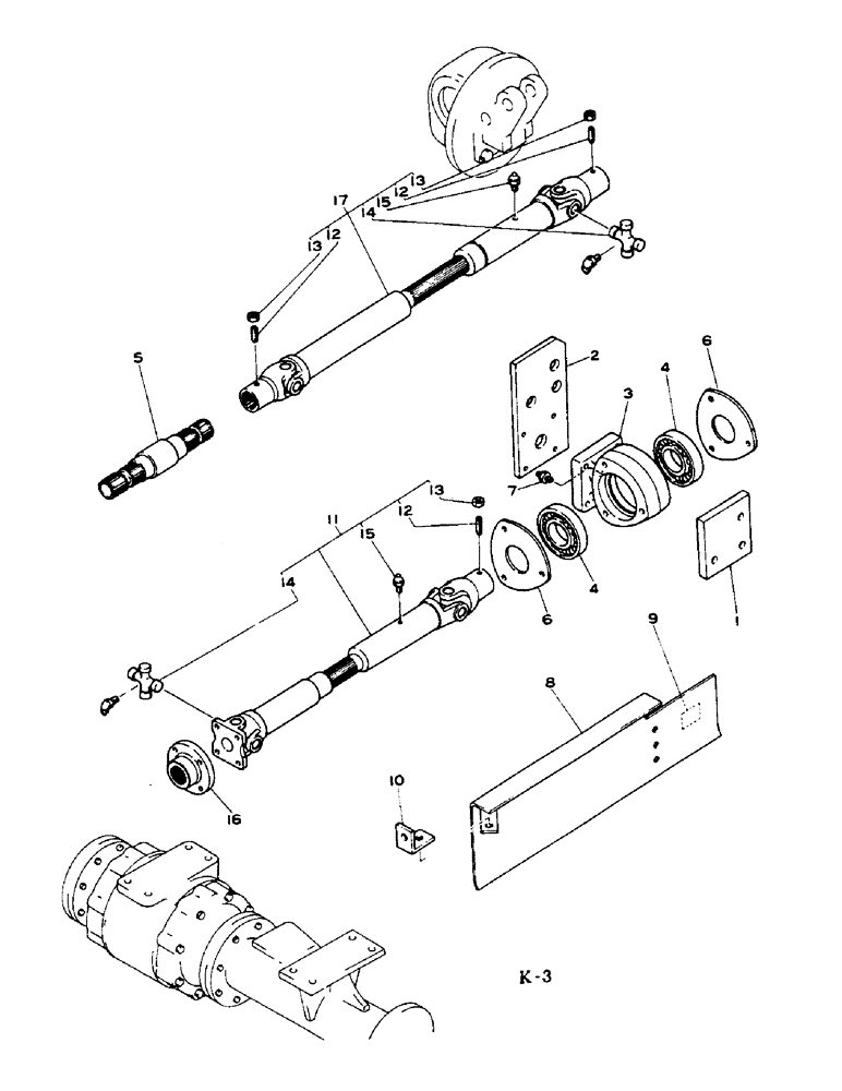
Запчасти Case IH 584 (07-50) - PROPELLER SHAFT, ALL WHEEL DRIVE, KIMCO AXLE (04) - Drive Train

Схема запчастей Case IH 584 - (07-50) - PROPELLER SHAFT, ALL WHEEL DRIVE, KIMCO AXLE (04) - Drive Train
10
12
8
2
13
9
12
7
15
6
13
4
12
14
17
14
13
5
16
15
3
6
4
11
FIT
1:1
100%

Артикул

Название

Примечание

Количество

1

3121579R1

SPACER

1шт.

24889R1

BOLT,Hex, 3/4" - 10 x 2 1/4", Gr 8

3шт.

131142

LOCK WASHER,3/4"

WASHER, LOCK, 3/4"

3шт.

2

1004129C1

BRACKET

1шт.

24889R1

BOLT,Hex, 3/4" - 10 x 2 1/4", Gr 8

3шт.

131142

LOCK WASHER,3/4"

WASHER, LOCK, 3/4"

3шт.

3

1002989C1

BLOCK

pillow, kimco

1шт.

3

3125817R1

BLOCK

pillow, uk

1шт.

25274R1

BOLT,Hex, 1/2" - 13 x 1 1/8", Gr 8

1/2 x 1-1/8 PHC type 8

4шт.

3129499R1

BEARING COVER

pillow block bearing dirt

1шт.

4

1014678C1

BEARING ASSY

BEARING, ball

2шт.

5

1002992C1

SHAFT

pillow block

1шт.

6

1002991C1

COVER

pillow block

2шт.

25678R1

BOLT,Hex, 5/16" - 18 x 3 1/4", Gr 8

5/16 x 3-1/4 PHC type 8

3шт.

121637

LOCK WASHER

WASHER, 1/4 LT lock

3шт.

25520R1

NUT,5/16"-18, G8

5/16 PHC type 8

3шт.

7

973356C1

LUBE NIPPLE

FITTING, grease, kimco

1шт.

7

109461

LUBE NIPPLE,1/8"-27 x .66 lg

NIPPLE, LUBE, , PTF, UK 1/8"-27 x .66 lg

1шт.

8

NSS

NOT SOLD SEPARAT

(Not used this application)

1шт.

9

1093136R1

PRODUCT GRAPHIC

caution

1шт.

10

NSS

NOT SOLD SEPARAT

(Not used this application)

1шт.

11

1014638C13

SHAFT ASSY.

SHAFT ASSY, propeller, front

1шт.

1014555C1

FLANGE

YOKE

1шт.

1062797C1

YOKE

splined

1шт.

1002113C2

BOLT,Hex, M10 x 1.25 x 35mm

4шт.

12

3125345R1

SET SCREW

SCREW, m8 x 20 mm cone point, set screw fixing yoke

3шт.

12

1062798C1

BOLT

BOLT, through bolt fixing yoke

2шт.

12

24866R1

BOLT,Hex, 1/2" - 13 x 2 1/2", Gr 8

Hex, 1/2"-13 x 2 1/2", G8, Through bolt larger dia

6шт.

13

43362

NUT,M8 x 1.25, Cl 10

M8, Cl 10, Setscrew Fixing Yoke

3шт.

13

1062799C1

NUT

through bolt fixing yoke

2шт.

13

9412230

LOCK NUT

1/2 PHC p/t lock type 8

6шт.

495-11053

WASHER,1/2", SAE

.531 x 1.062 x .074, for shaft w/larger dia bolt

1шт.

14

1014552C1

BEARING ASSY

BEARING, spider

4шт.

1014682C1

FITTING

grease

4шт.

15

109461

LUBE NIPPLE,1/8"-27 x .66 lg

NIPPLE, LUBE, , PTF 1/8"-27 x .66 lg

2шт.

16

1014556C1

FLANGE

spline

1шт.

1002113C2

BOLT,Hex, M10 x 1.25 x 35mm

4шт.

1004154C1

NUT

4шт.

17

1002644C95

SHAFT ASSY.

SHAFT ASSY, propeller, rear

1шт.

Yokes are 1062797C1

1шт.

Выбрано товаров: 40