Запчасти Case IH 584 (10-12) - DRAFT CONTROL (07) - HYDRAULICS

Схема запчастей Case IH 584 - (10-12) - DRAFT CONTROL (07) - HYDRAULICS
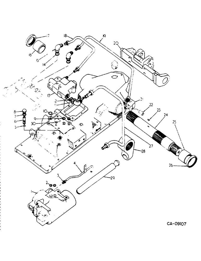
11
16
6
12
29
13
7
28
24
14
4
22
1
27
19
2
18
5
20
8
26
23
15
21
7
9
10
3
25
30
FIT
1:1
100%

Артикул

Название

Примечание

Количество

1

399885R11

CYLINDER ASSY.

CYLINDER ASSY, draft control, for components, see list of parts under details of draft control cylinder valve

1шт.

179884

BOLT,Hex, 1/2" - 13 x 1 3/8", Gr 5, Full Thd

1/2 x 1-3/8 pln type 5

3шт.

400000R1

SEALING WASHER

cap screw sealing

3шт.

2

400002R1

OLIVE

SEAL, cyl to hyd hsg

2шт.

3

222-504

TUBE NUT,9/16"-20

NUT, 9/16-20 hi-duty tube fitting

1шт.

4

60652C1

TUBE ASSY.

TUBE ASSY, lub

1шт.

179816

BOLT,Hex, 5/16" - 18 x 3/4", Gr 5

3шт.

5

702788R1

O-RING,0.103" Thk x 0.362" ID, -110, Cl 6, 90 Duro

3/8 x 9/16 x 3/32

1шт.

6

400095R92

VALVE, CUSHION

VALVE ASSY, cushion

1шт.

7

570828R1

O-RING,0.087" Thk x 0.644" ID, -908, Cl 6, 90 Duro

1/2 OD tube

1шт.

8

536855R1

PLUG

3/4-16 str thd o-ring boss

1шт.

9

377952R1

O-RING,0.103" Thk x 0.549" ID, -113, Cl 6, 90 Duro

9/16 x 3/4 x 3/32

2шт.

10

21433R1

O-RING,0.103" Thk x 0.674" ID, -115, Cl 6, 90 Duro

11/16 x 7/8 x 3/32

1шт.

11

9410978

ELBOW,90 Degree, 7/8"-14, 37 Degree x 7/8"-14, O-Ring

7/8-14 C-Z 37 deg hyd flared tube adj str thr 90 deg

1шт.

12

364885R1

O-RING,0.097" Thk x 0.755" ID, -910, Cl 6, 90 Duro

5/8 tube

1шт.

13

59098C93

VALVE

ASSY, unloading and flow control, for components, see list of parts under details of unloading and flow control valve

1шт.

179841

BOLT,Hex, 3/8" - 16 x 1 1/4", Gr 5

3/8-16 x 1-1/4 pln type 5

2шт.

179848

BOLT,Hex, 3/8" - 16 x 2 1/4", Gr 5

2шт.

103321

LOCK WASHER,3/8"

WASHER, LOCK, 3/8"

4шт.

14

570828R1

O-RING,0.087" Thk x 0.644" ID, -908, Cl 6, 90 Duro

1/2 OD tube

2шт.

15

9410977

ELBOW,90 Degree, 3/4"-16, 37 Degree x 3/4"-16, O-Ring

3/4-16 37 deg hyd flared tube adjustable str thread 90 deg

1шт.

16

399992R1

BUSHING

rockshaft RH

1шт.

16

1500447C1

BUSHING

rockshaft RH, oversize

1шт.

17

380770R91

OIL SEAL

SEAL, rockshaft RH oil

1шт.

18

66759C1

TUBE ASSY.

TUBE ASSY, variable flow

1шт.

19

66758C1

TUBE

variable flow control supply, Z pattern shift

1шт.

19

1500296C1

TUBE,0.5" OD, 475.5, 75 mm Length

ASSY, variable flow control supply, H pattern shift

1шт.

20

527229R91

SUPPORT

SPRING ASSY, draft sensing

1шт.

21047R1

HEX SOC SCREW,5/8"-11 x 1 3/4"

5/8 x 1-3/4 pln h/shd cap

4шт.

19842R1

DOWEL,5/16" x 1/2"

PIN, 5/16 x .500 pln hdn dowel

1шт.

21

406003R32

HOUSING ASSY.

HOUSING ASSY, hydraulic unit

1шт.

531143R2

STUD

top cover long

2шт.

531144R1

STUD

top cover short

2шт.

120377

NUT,3/8" - 16, Gr 5

4шт.

120382

LOCK WASHER,Helical Spring, 3/8"

WASHER, LOCK, 3/8"

4шт.

22

399993R1

BUSHING

eccentric shaft

1шт.

23

376057R1

BUCKET TOOTH KEY

KEY, rockshaft hub

1шт.

24

400049R2

SHAFT

ROCKSHAFT, hyd draft control

1шт.

537126R2

PLATE

retaining lift arm

2шт.

271560

PANEL,Hex, 5/8" - 11 x 1 3/4", Gr 5

5/8 x 1-3/4 pln type 5

2шт.

25

527749R1

BUSHING,63.52mm ID x 66.67mm OD x 50.8mm L

rockshaft LH

1шт.

1500532C1

BUSHING

rockshaft LH, oversize

1шт.

26

380212R91

OIL SEAL

SEAL, rockshaft LH oil

1шт.

27

66760C1

TUBE ASSY.

TUBE ASSY, draft control pressure, Z pattern shift

1шт.

27

3129243R2

PIPE

TUBE ASSY, draft control pressure, H pattern shift

1шт.

28

400053R3

LEVER

rockshaft bellcrank

1шт.

376069R1

SET SCREW

SCREW, rockshaft bellcrank set

1шт.

400052R1

PIN

hyd cyl conn rod

1шт.

16558R1

WASHER

.266 x .625 x .036 pln

1шт.

83723R1

WAVE WASHER

spring

1шт.

103384

COTTER PIN,1/8" x 3/4"

Pin, Split (Cotter), , Tractors 1/8" x 3/4", Serial Range: -5128

1шт.

441015R1

LOCK PIN,5/16" x 2 1/4", Slotted

Tractors 5/16" x 2 1/4", Slotted, Start Serial: 5129

1шт.

29

400054R2

ROD

hyd cyl connecting

1шт.

30

59099C1

O-RING,2.39mm Thk x 6.6mm ID

1шт.

Выбрано товаров: 54