Запчасти Case IH 584 (10-27) - HYDRAULIC PUMP AND CONNECTIONS, TRACTORS WITH FORWARD AND REVERSE (07) - HYDRAULICS

Схема запчастей Case IH 584 - (10-27) - HYDRAULIC PUMP AND CONNECTIONS, TRACTORS WITH FORWARD AND REVERSE (07) - HYDRAULICS
3
20
5
18
9
24
17
1
14
19
21
16
8
13
10
23
7
4
11
12
22
6
15
2
FIT
1:1
100%

Артикул

Название

Примечание

Количество

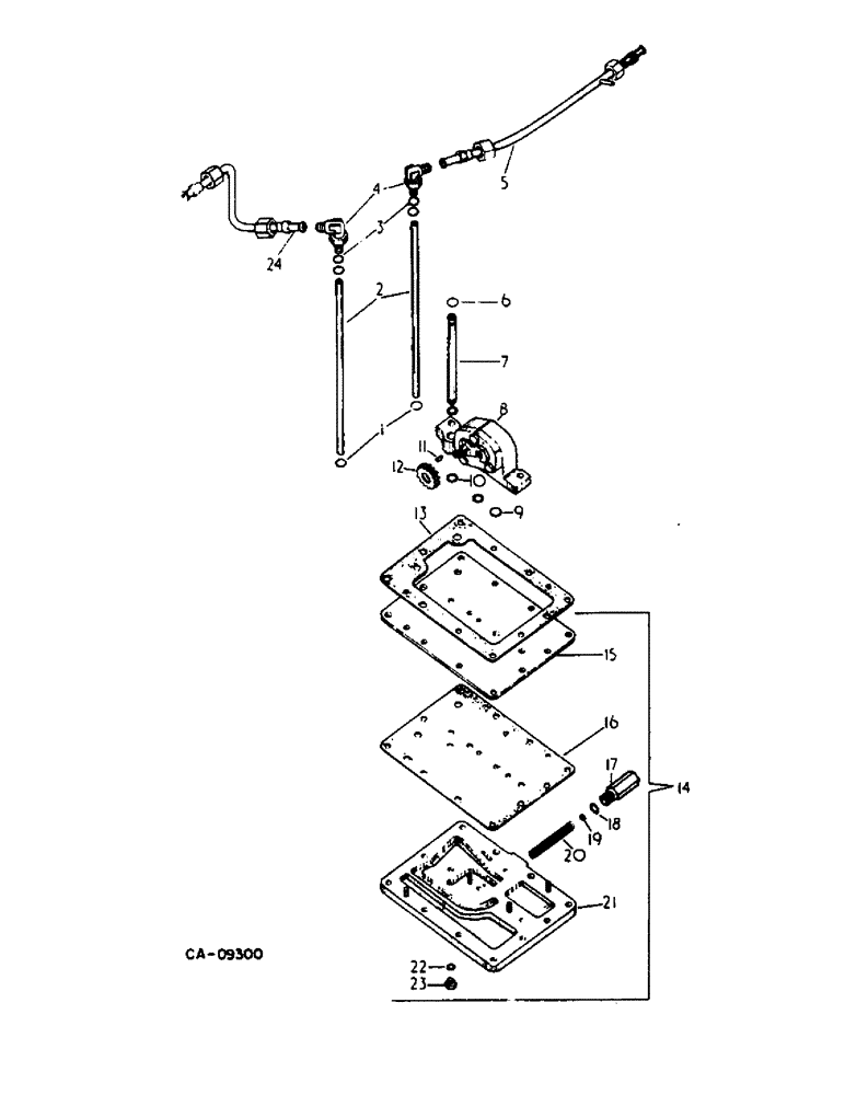
1

252739R1

O-RING,0.103" Thk x 0.487" ID, -112, Cl 5, 75 Duro

1/2 x 11/16 class 5

4шт.

2

402545R1

PRESSURE PIPE

TUBE, pump pressure

2шт.

3

570828R1

O-RING,0.087" Thk x 0.644" ID, -908, Cl 6, 90 Duro

1/2 OD tube class 6

2шт.

4

9410977

ELBOW,90 Degree, 3/4"-16, 37 Degree x 3/4"-16, O-Ring

1/2 C-Z hyd fld adj 90d

2шт.

5

66116C2

TUBE ASSY.,0.5" OD, 13.04, 2.26" Length

TUBE ASSY, torque amplifier and forward/reverse return

1шт.

6

382997R1

O-RING,0.07" Thk x 0.489" ID, -14, Cl 6, 90 Duro

1/2 x 5/8 class 6

2шт.

7

402544R1

SUCTION PIPE

TUBE, oil inlet

1шт.

8

527757R92

PUMP

ASSY, hyd includes ref. nos. 9, 10 & 11

1шт.

179841

BOLT,Hex, 3/8" - 16 x 1 1/4", Gr 5

3/8-16 x 1-1/4 pln type 5

2шт.

103321

LOCK WASHER,3/8"

WASHER, LOCK, 3/8"

2шт.

9

574069R1

O-RING,0.750" ID x .062"

3/4 x 7/8 class 5

1шт.

10

379181R1

O-RING,0.614" ID x 0.07" Width

5/8 x 3/4 class 5

2шт.

11

427261

KEY

1/8 x 3/8 Woodruff

1шт.

12

528076R1

GEAR

pump driven, 14T

1шт.

115548

LOCK WASHER,Int Tooth, 5/16"

WASHER, LOCK, Int Tooth, 5/16"

1шт.

114493

JAM NUT,Jam, 5/16"-24, G5

1шт.

13

402556R2

GASKET

pump mounting flange LT

1шт.

14

402547R96

VALVE

ASSY, regulator

1шт.

15

402554R1

PLATE

pump

1шт.

16

402555R2

GASKET

pump plate

1шт.

17

NSS

NOT SOLD SEPARAT

PLUG ASSY, order package 1502344C92

1шт.

18

570828R1

O-RING,0.087" Thk x 0.644" ID, -908, Cl 6, 90 Duro

1/2 OD tube class 6

1шт.

19

NSS

NOT SOLD SEPARAT

SHIM, use as required, order package 1502344C92

1шт.

20

NSS

NOT SOLD SEPARAT

SPRING, order package 1502344C92

1шт.

21

NSS

NOT SOLD SEPARAT

BODY, regulator valve, order valve assy 402547R96

1шт.

413-622

BOLT,Hex, 3/8" - 16 x 1-3/8", Gr 5

BOLT, 3/8 x 1-3/8 pln type 5

11шт.

103321

LOCK WASHER,3/8"

WASHER, LOCK, 3/8"

11шт.

22

369751R1

O-RING,0.072" Thk x 0.351" ID, -904, Cl 6, 90 Duro

4-1, 90 Duro, .351" ID x .072" Thk, 1/4 OD tube, class 6

1шт.

23

9410356

PLUG

1/4 C-Z str thd o-ring boss

1шт.

24

66117C1

TUBE ASSY.

TUBE ASSY, oil cooler return rear

1шт.

534263R91

SEALING RING

KIT, pump seal pack

1шт.

1502344C92

PACKAGE

regulator valve service, consists of ref no. 17, 19 & 20

1шт.

Выбрано товаров: 32