Запчасти Case IH 584 (14-04) - FRONT WHEEL HUB, BEARINGS AND CAP, ADJUSTABLE FRONT AXLE Suspension

Схема запчастей Case IH 584 - (14-04) - FRONT WHEEL HUB, BEARINGS AND CAP, ADJUSTABLE FRONT AXLE Suspension
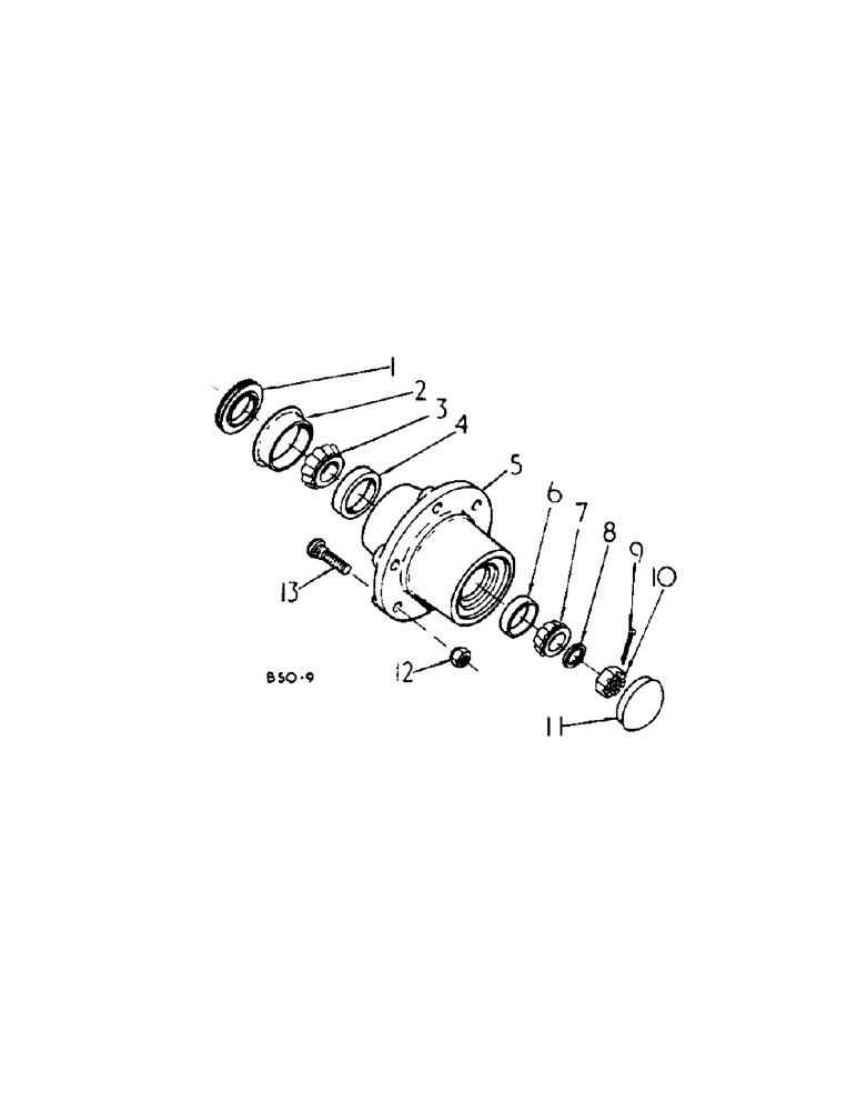
10
7
13
4
1
2
9
3
8
5
12
6
11
FIT
1:1
100%

Артикул

Название

Примечание

Количество

1

405835R91

SEAL

front wheel dust

2шт.

2

406295R2

RING

wear

2шт.

3

618023R91

BEARING ASSY,34.93mm ID x 18.2mm W

BEARING ASSY, inner cone

2шт.

4

618024R1

BEARING CUP,65.113mm OD x 13.97mm W

Inner

2шт.

5

406294R21

HUB ASSY.

HUB ASSY, front wheel, composed of ref no. 2, 4, 6 & 13

2шт.

6

371883R1

BEARING CUP

Outer

2шт.

7

371882R91

ROLLER BEARING,20.64mm ID x 49.23mm OD x 19.84mm W

Assy, Outer

2шт.

8

369857R1

WASHER,20.7mm ID x 31.75mm OD x 3mm Thk

outer bearing retainer

2шт.

9

108643

COTTER PIN,5/32" x 1 3/8"

Pin, Split (Cotter), 5/32" x 1 3/8"

2шт.

10

427639

SLOTTED NUT,3/4"-16, G5

NUT, 3/4-16 slt hex

2шт.

11

612884R1

HUB CAP

CAP, front wheel hub

2шт.

12

483879R1

NUT

wheel

12шт.

13

528803R1

BOLT,1/2" - 20 x 1.75"

Mounting

12шт.

Выбрано товаров: 13