Запчасти Case IH 585 (1-02) - PICTORIAL INDEX, MAIN HYDRAULICS (00) - PICTORIAL INDEX

Схема запчастей Case IH 585 - (1-02) - PICTORIAL INDEX, MAIN HYDRAULICS (00) - PICTORIAL INDEX
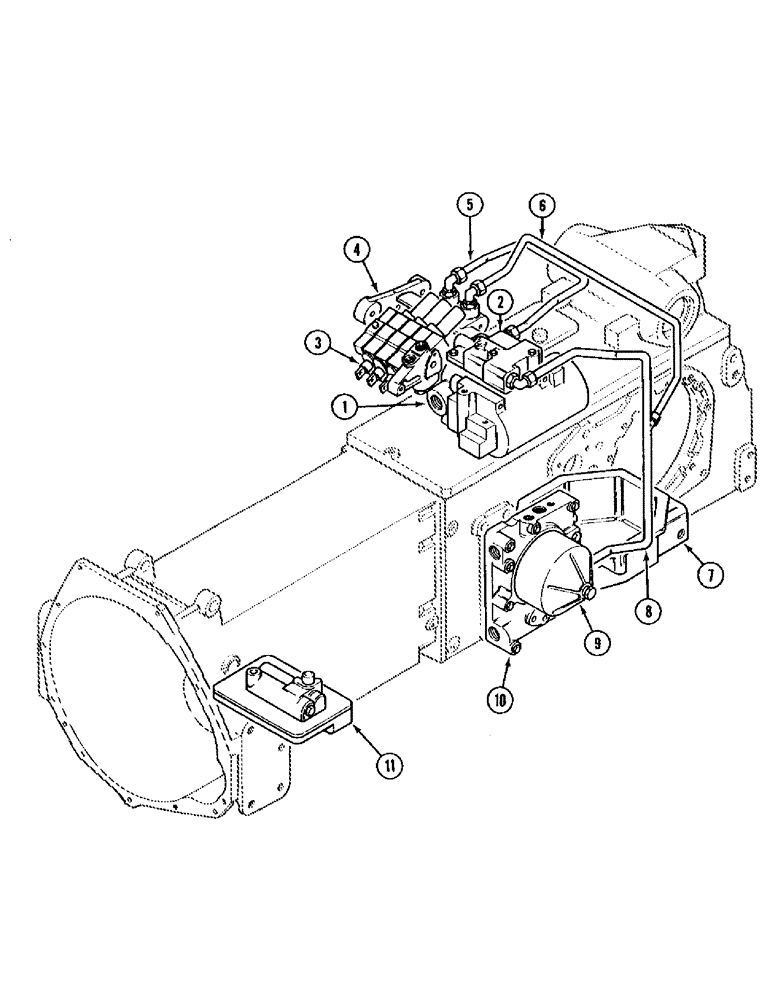
9
7
6
2
5
1
4
3
11
10
8
FIT
1:1
100%

Артикул

Название

Примечание

Количество

1

CYLINDER - draft control with valve, Page 8-471

1шт.

2

VALVE - Unloading and flow control, Page 8-469

1шт.

3

VALVE - auxiliary, Page 8-453

1шт.

4

SUPPORT - hitch control shaft, Page 8-467

1шт.

5

TUBE - variable flow, Page 8-467

1шт.

6

TUBE - variable flow control supply, Page 8-467

1шт.

7

BOX - transfer gear, Page 6-353

1шт.

8

TUBE - draft control pressure, Page 8-467

1шт.

9

FILTER - hydraulic, oil, Page 8-411

1шт.

10

VALVE - multiple control, Page 8-425

1шт.

11

VALVE - pressure regulator, Page 8-437, 439

1шт.

Выбрано товаров: 11