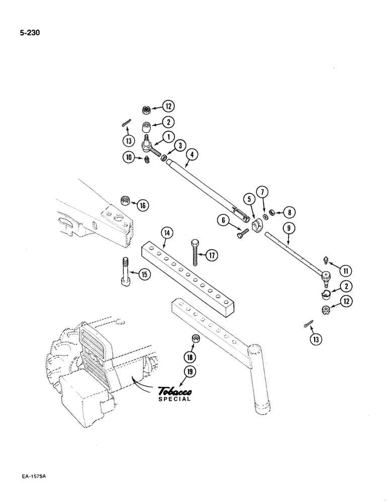
Запчасти Case IH 585 (5-230) - AXLE EXTENSION, FRONT, TOBACCO SPECIAL, TRACTORS WITH HIGH CLEARANCE BOLSTER (05) - STEERING

Схема запчастей Case IH 585 - (5-230) - AXLE EXTENSION, FRONT, TOBACCO SPECIAL, TRACTORS WITH HIGH CLEARANCE BOLSTER (05) - STEERING
16
17
12
11
13
18
2
3
1
12
19
10
13
5
15
2
8
14
9
7
6
4
FIT
1:1
100%

Артикул

Название

Примечание

Количество

3125976R91

DRAG LINK

ROD tie, adjustable, complete, Includes: Ref. 2-9

2шт.

1

527658R91

BALL JOINT

END socket, right

1шт.

1

527658R91GV

TIE-ROD

Value, Tie Rod End

1шт.

2

358900R1

SEAL

COVER dust

2шт.

3

390686R1

JAM NUT

hex jam, 11/16 inch NF

1шт.

4

66756C2

TUBE,19.38 mm ID, 25.46 mm OD, mm Length

tie rod

1шт.

5

43747D

CLAMP

tie rod tube

2шт.

6

537165R1

BOLT,Hex, 7/16" - 20 x 1-7/8", Gr 5

BOLT cap, 7/16 NF x 1-3/4 inch

2шт.

7

9421096

LOCK WASHER,7/16"

2шт.

8

425-117

NUT,7/16"-20, G5

hex jam, 7/16 inch NF, grade 5

2шт.

9

65079C91

END

socket, left

1шт.

10

87415

LUBE NIPPLE,90 Degree, 1/4" NPT x 3/4" L, Drive

NIPPLE, LUBE, 90°, 1/4" NPT x .75" lg, Drive

2шт.

11

219-8

LUBE NIPPLE,1/4" - 28 NPTF

NIPPLE, LUBE, 1/4"-28 NPT x .54" lg

2шт.

12

102648

SLOTTED NUT,9/16"-18, G5

4шт.

13

103385

COTTER PIN,1/8" x 1"

PIN, SPLIT (COTTER), 1/8" x 1"

4шт.

14

66755C92

EXTENSION

front axle, with decal 114520C1

2шт.

15

405584R2

BOLT,Shldr, 3/4" - 16 x 4

Shoulder

1шт.

16

405576R1

NUT

front axle

1шт.

17

18752R1

BOLT,Hex, 3/4" - 10 x 6 1/2", Gr 5

hex, 3/4 NC x 6-1/2 inch, grade 5

8шт.

18

425-1012

NUT,3/4"-10, G5

hex, 3/4 inch NC, grade 5

8шт.

19

114520C1

DECAL

tobacco special

2шт.

Выбрано товаров: 21