Запчасти Case IH 585 (1-08) - PICTORIAL INDEX, AUXILIARY VALVES AND PIPING, WITH CAB (00) - PICTORIAL INDEX

Схема запчастей Case IH 585 - (1-08) - PICTORIAL INDEX, AUXILIARY VALVES AND PIPING, WITH CAB (00) - PICTORIAL INDEX
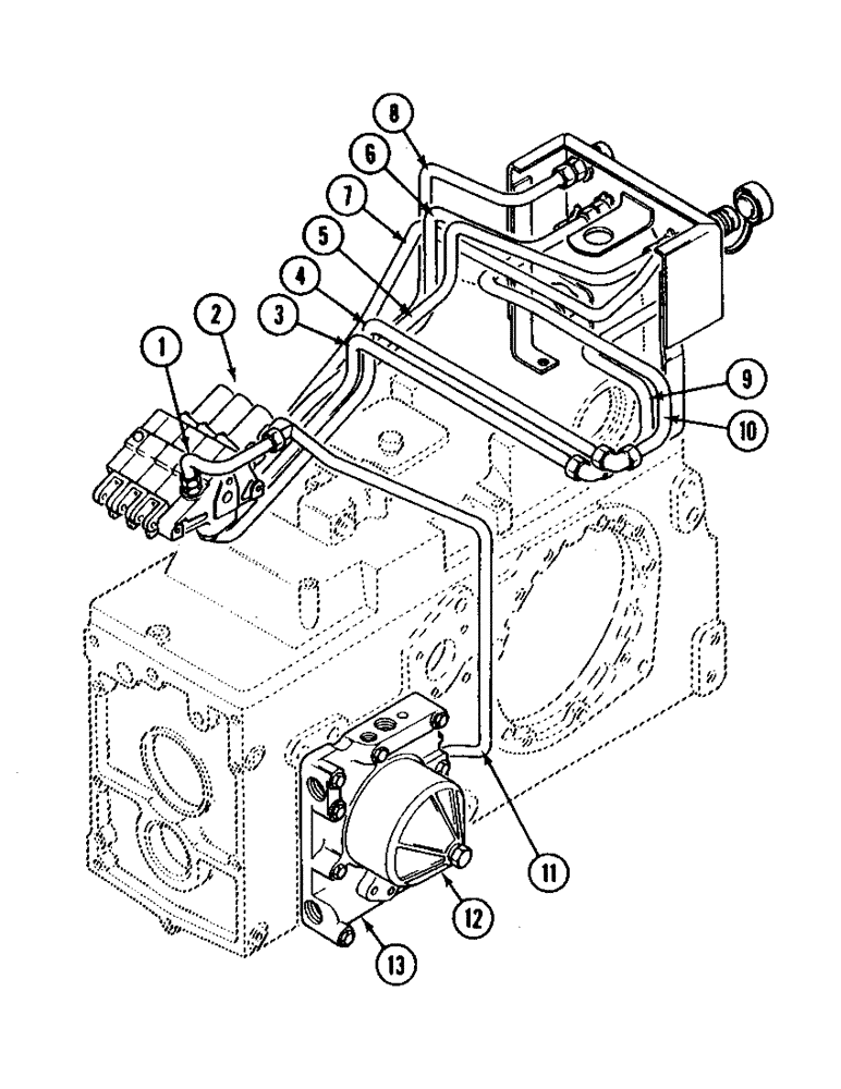
6
10
12
13
2
1
4
5
3
7
11
9
8
FIT
1:1
100%

Артикул

Название

Примечание

Количество

1

TUBE - auxiliary valve return, Page 8-449

1шт.

2

VALVE - double acting, without check valve, Page 8-453

1шт.

2

VALVE - double acting, with check valve, Page 8-453

1шт.

3

TUBE - 1st bank, rear port to coupling, Page 8-463

1шт.

4

TUBE - 1st bank, front port to coupling, Page 8-463

1шт.

5

TUBE - 2nd bank, rear port to coupling, Page 8-463

1шт.

6

TUBE - 2nd bank, front port to coupling, Page 8-463

1шт.

7

TUBE - 3rd bank, rear port to coupling, Page 8-463

1шт.

8

TUBE - 3rd bank, front port to coupling, Page 8-463

1шт.

9

TUBE - coupling to first bank, rear port, Page 8-463

1шт.

10

TUBE - coupling to first bank, front port, Page 8-463

1шт.

11

TUBE - multiple control valve by-pass, Page 8-423

1шт.

12

FILTER - hydraulic, oil, Page 8-411

1шт.

13

VALVE - multiple control, Page 8-425

1шт.

Выбрано товаров: 14