Запчасти Case IH 585 (6-274) - CLUTCH HOUSING COVER, WITH CAB (06) - POWER TRAIN

Схема запчастей Case IH 585 - (6-274) - CLUTCH HOUSING COVER, WITH CAB (06) - POWER TRAIN
3
6
4
5
1
20
8
10
18
14
19
17
18
16
15
22
2
19
12
11
21
16
17
19
17
16
13
9
18
7
FIT
1:1
100%

Артикул

Название

Примечание

Количество

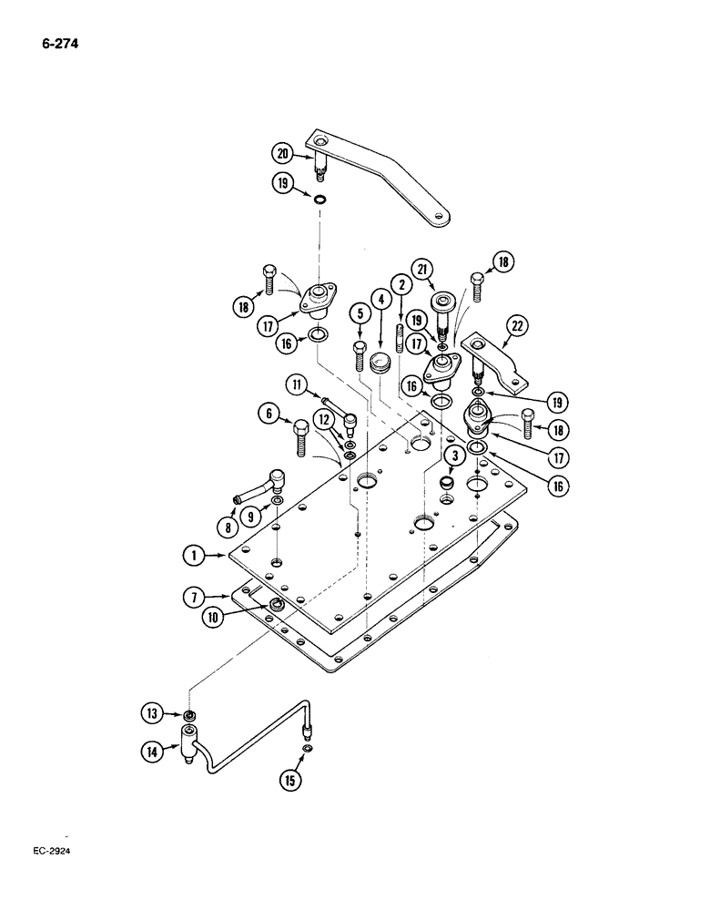
1

1288499C91

COVER ASSY

COVER clutch housing top, 4 wheel drive, Start Serial: 18001

1шт.

1

1288499C91

COVER ASSY

COVER clutch housing top, 2 wheel drive with 2 speed power shift, Start Serial: 18001

1шт.

1

99493C91

COVER ASSY

COVER clutch housing top, 2 wheel drive without 2 speed power shift, Start Serial: 18001

1шт.

1

3129203R91

COVER ASSY

COVER clutch housing, top, with torque amplifier, Serial Range: -18001

1шт.

1

3129204R91

COVER ASSY

COVER clutch housing, top, without torque amplifier, Includes: Ref. 2-5, Serial Range: -18001

1шт.

2

3129159R1

STUD

top cover

1шт.

3

386194R1

PLUG,Cup, 3/4"

cup, 3/4 inch

1шт.

4

349373R1

PLUG

cup, 1-1/4 inch

1шт.

5

179816

BOLT,Hex, 5/16" - 18 x 3/4", Gr 5

1шт.

6

179838

BOLT,Hex, 3/8" - 16 x 7/8", Gr 5, Full Thd

hex, 3/8 NC x 7/8 inch, grade 5

14шт.

6

179839

BOLT,Hex, 3/8" - 16 x 1", Gr 5

hex, 3/8 NC x 1 inch, grade 5

2шт.

7

401621R3

GASKET

clutch housing top cover

1шт.

8

3129197R1

PIPE

TUBE brake line dump

1шт.

9

371544R1

O-RING,0.07" Thk x 0.551" ID, -15, Cl 5, 75 Duro

9/16 ID x 11/16 inch, class 5

1шт.

10

21332R1

SNAP RING,#68, Ext

1шт.

11

88117C1

PIPE,60 mm L

TUBE lubricator inlet

1шт.

12

355967R1

O-RING,0.364" ID x 0.003" Width

3/8 x 1/2 inch, class 5

2шт.

13

971043R1

SNAP RING,#50, Ext

1шт.

14

88157C2

TUBE

internal inlet

1шт.

15

352219R1

O-RING,0.07" Thk x 0.239" ID, -10, Cl 5, 75 Duro

1/4 x 3/8 inch, class 5

1шт.

16

391733R1

O-RING,0.07" Thk x 1.114" ID, -24, Cl 6, 90 Duro

1-1/8 x 1-1/4 inch, class 6

3шт.

17

3129165R2

HOUSING

speed shift arm

3шт.

18

179816

BOLT,Hex, 5/16" - 18 x 3/4", Gr 5

6шт.

19

392385R1

O-RING,0.07" Thk x 0.614" ID, -16, Cl 6, 90 Duro

-016, 90 Duro, .614" ID x .070" Thk

3шт.

20

3129190R4

ARM

shift actuating, 3rd/4th speed

1шт.

21

1277030C1

PIVOT ASSY.

PIVOT interlock

1шт.

22

3129184R1

ARM ASSY.

ARM speed shift actuating, 1st/2nd

1шт.

Выбрано товаров: 27