Запчасти Case IH 585 (1-10) - PICTORIAL INDEX, AUXILIARY VALVES AND PIPING, WITHOUT CAB (00) - PICTORIAL INDEX

Схема запчастей Case IH 585 - (1-10) - PICTORIAL INDEX, AUXILIARY VALVES AND PIPING, WITHOUT CAB (00) - PICTORIAL INDEX
3
13
15
12
5
10
2
14
6
9
1
4
8
11
7
FIT
1:1
100%

Артикул

Название

Примечание

Количество

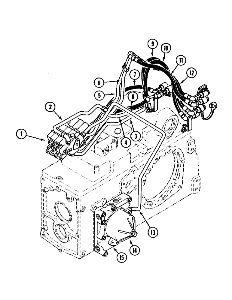
1

VALVE - double acting, without check valve, Page 8-453

1шт.

1

VALVE - double acting, with check valve, Page 8-453

1шт.

2

TUBE - auxiliary valve return, Page 8-423

1шт.

3

TUBE - raise, 1st bank, front outlet, Page 8-457

1шт.

4

TUBE - lower, 1st bank, rear outlet, Page 8-457

1шт.

5

TUBE - raise, 2nd bank, front outlet, Page 8-457

1шт.

6

TUBE - lower, 2nd bank, rear outlet, Page 8-457

1шт.

7

HOSE - 3rd bank, rear outlet, Page 8-459

1шт.

8

HOSE - 3rd bank, front outlet, Page 8-459

1шт.

9

HOSE - to coupling, 1st bank, Page 8-457

1шт.

10

HOSE - to coupling, 1st bank, Page 8-457

1шт.

11

HOSE - 2nd bank, rear outlet, Page 8-457

1шт.

12

HOSE - 2nd bank, rear outlet, Page 8-457

1шт.

13

TUBE - multiple control valve by-pass, Page 8-423

1шт.

14

FILTER - hydraulic, oil, Page 8-411

1шт.

15

VALVE - multiple control, Page 8-425

1шт.

Выбрано товаров: 16