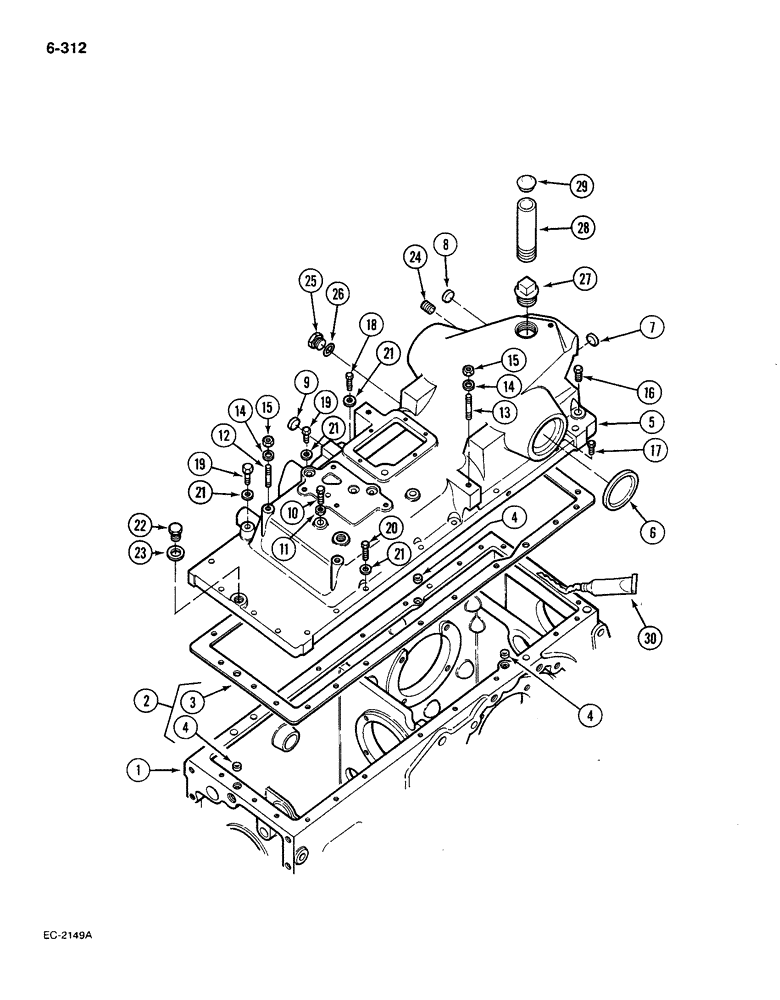
Запчасти Case IH 585 (6-312) - REAR FRAME TOP COVER (06) - POWER TRAIN

Схема запчастей Case IH 585 - (6-312) - REAR FRAME TOP COVER (06) - POWER TRAIN
18
2
13
22
9
30
24
4
10
21
21
12
1
3
11
20
4
19
25
4
21
28
7
17
5
8
15
16
15
14
27
26
19
29
23
21
14
6
FIT
1:1
100%

Артикул

Название

Примечание

Количество

1

1289949C91

FRAME ASSY

FRAME rear, Serial Range: -18001

1шт.

1

82793C91

FRAME

rear, Start Serial: 18001

1шт.

2

538649R92

GASKET KIT

KIT rear frame cover, Includes: Ref. 3 and 4

1шт.

3

NSS

NOT SOLD SEPARAT

GASKET rear frame cover

1шт.

4

406734R1

SEAL

teflon

3шт.

5

406003R32

HOUSING ASSY.

HOUSING hydraulic unit (with draft control) (see Figure 8-464)

1шт.

5

529381R96

COVER ASSY

COVER rear frame (without hydraulic draft control), Includes: Ref. 6-13

1шт.

6

24469R1

PLUG,Cup, 3 1/4"

cup, 3-1/4 inch

2шт.

7

373553R1

PLUG,Cup, 7/8"

cup, 7/8 inch

1шт.

8

386194R1

PLUG,Cup, 3/4"

cup, 3/4 inch

1шт.

9

41600D

PLUG,Cup, 1 1/8"

cup, 1-1/8 inch

1шт.

10

179883

BOLT,Hex, 1/2" - 13 x 1 1/4", Gr 5

hex, 1/2 NC x 1-1/4 inch, grade 5

3шт.

11

231-1408

LOCK NUT,1/2"-13, GB

NUT hex lock, 1/2 inch NC, grade 5

3шт.

12

531144R1

STUD

top cover, short

2шт.

13

531143R2

STUD

top cover, long

2шт.

14

120382

LOCK WASHER,Helical Spring, 3/8"

WASHER, LOCK, 3/8"

4шт.

15

120377

NUT,3/8" - 16, Gr 5

4шт.

16

413-830

BOLT,Hex, 1/2" - 13 x 1-7/8", Gr 5

BOLT hex, 1/2 NC x 1-7/8 inch, grade 5

4шт.

17

179886

BOLT,Hex, 1/2" - 13 x 1 5/8", Gr 5

hex, 1/2 NC x 1-5/8 inch, grade 5

2шт.

18

179847

BOLT,Hex, 3/8" - 16 x 2", Gr 5

1шт.

19

179850

BOLT,Hex, 3/8" - 16 x 2 3/4", Gr 5

hex, 3/8 NC x 2-3/4 inch, grade 5

2шт.

20

413-630

BOLT,Hex, 3/8" - 16 x 1-7/8", Gr 5

- hex, 3/8 NC x 1-7/8 inch, grade 5

11шт.

21

103321

LOCK WASHER,3/8"

WASHER, LOCK, 3/8"

14шт.

22

536855R1

PLUG

O-ring boss, 3/4 inch NF

1шт.

23

570828R1

O-RING,0.087" Thk x 0.644" ID, -908, Cl 6, 90 Duro

1/2 inch OD tube, class 6

1шт.

24

444697

PLUG,Hex Soc, 3/8"-18

hex socket, 3/8 inch NPTF

1шт.

24

444698

PLUG

hex socket, 3/8 inch NPTF, Serial Range: (Optional-444697)

1шт.

25

9410359

PLUG

O-ring boss, 1/2 inch OD tube

1шт.

26

570828R1

O-RING,0.087" Thk x 0.644" ID, -908, Cl 6, 90 Duro

1/2 inch OD tube, class 6

1шт.

27

20953R1

DRAIN PLUG,Sq Hd, 1 1/4"-11 1/2 NPTF

PLUG automotive square, 1-1/4 inch NPTF, tractors without cab

1шт.

28

28747R1

PIPE,Nipple, 1 1/4" NPT x 7"

filler extension, 1-1/4 dia x 7 inch, tractors with cab

1шт.

29

221-528

CAP,1 1/4" NPT

1-1/4 inch dia. pipe, tractors with cab

1шт.

30

B501074

LOCTITE

GASKET liquid, 160 ml tube, Start Serial: 18001

1шт.

Выбрано товаров: 33