Запчасти Case IH 585 (8-448) - AUXILIARY VALVES, WITH CAB, P.I.N. 18001 AND AFTER (08) - HYDRAULICS

Схема запчастей Case IH 585 - (8-448) - AUXILIARY VALVES, WITH CAB, P.I.N. 18001 AND AFTER (08) - HYDRAULICS
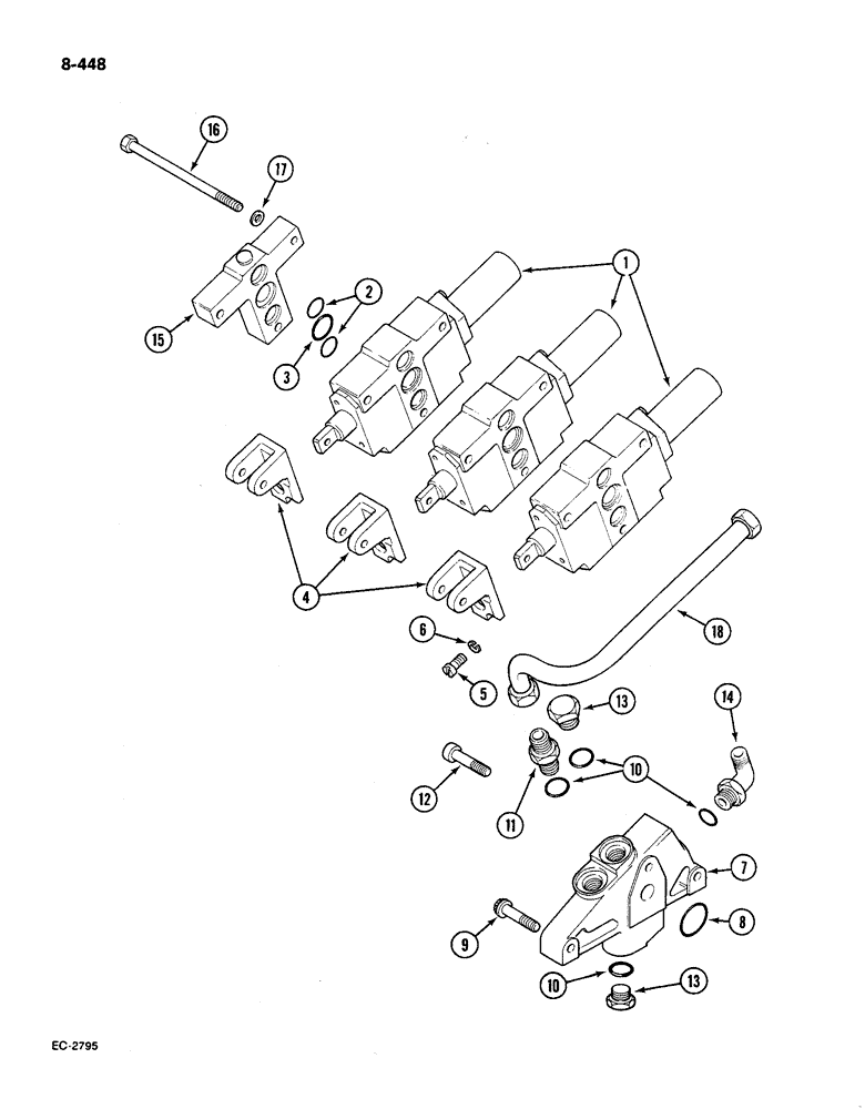
4
9
18
7
1
17
14
15
8
12
13
3
5
10
16
6
10
11
13
2
FIT
1:1
100%

Артикул

Название

Примечание

Количество

1

1287379C91

VALVE

double acting, without check valve (1st, 2nd or 3rd bank)

1шт.

1

1287384C91

VALVE

double acting, with check valve (1st, 2nd or 3rd bank), Includes: Ref. 2 and 3

1шт.

2

1328382C1

O-RING,2.5mm Thk x 18mm ID

18 x 2.5 mm

1шт.

3

1328393C1

O-RING,2.5mm Thk x 26mm ID

26 x 2.5 mm

1шт.

4

1958026C1

BRACKET

auxiliary valve

1шт.

5

1958025C1

SCREW

fillister, M6 x 12 mm, class 5.8

1шт.

6

933833R1

LOCK WASHER,M6

WASHER lock, M6

1шт.

7

94070C1

PLATE

BLOCK control valve transfer

1шт.

REF #7 .THIS IS A BOSCH VALVE AND POWER BEYOND IS ALREADY BUILT INTO THIS CONTROL VALVE TRANSFER BLOCK.

1шт.

8

379794R1

O-RING,0.103" Thk x 1.237" ID, -124, Cl 5, 75 Duro

1-1/4 x 3/16 inch, class 5

1шт.

9

347756R1

12 PT SCREW,Flg, 3/8"-16 x 1 3/4"

SCREW 12 point flanged, 3/8 NC x 1-3/4 inch

2шт.

10

364885R1

O-RING,0.097" Thk x 0.755" ID, -910, Cl 6, 90 Duro

5/8 inch OD tube, class 6

1шт.

11

9410204

HYD CONNECTOR,7/8"-14, 37 Degree x 7/8"-14, O-Ring

UNION short, 5/8 inch OD tube

1шт.

12

NLS

NO LONGER SERVICED

cap, hex socket, 3/8 NC x 1-3/4 inch

1шт.

13

9410360

PLUG

O-ring boss, 5/8 inch NF

2шт.

14

9410978

ELBOW,90 Degree, 7/8"-14, 37 Degree x 7/8"-14, O-Ring

90 degree, adjustable, 5/8 inch OD tube

1шт.

15

89464C91

COVER

valve end

1шт.

16

31291R1

BOLT,Hex, M8 x 1.25 x 80mm, Cl 8.8

hex, M8 x 80 mm, class 8.8, use with 1 valve bank.

3шт.

16

931628R1

BOLT,Hex, M8 x 1.25 x 120mm, Cl 8.8

hex, M8 x 120 mm, class 8.8, use with 2 valve bank

3шт.

16

31252R1

BOLT,Hex, M8 x 1.25 x 160mm, Cl 8.8

hex, M8 x 160 mm, class 8.8, use with 3 valve bank

3шт.

17

934309R1

LOCK WASHER,M8

WASHER lock, M8

3шт.

18

99530C1

PIPE ASSY.

TUBE auxiliary valve return

1шт.

Выбрано товаров: 22