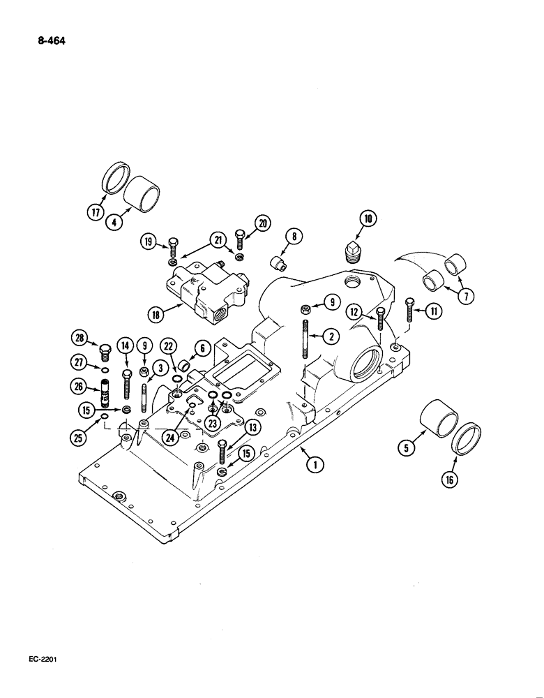
Запчасти Case IH 585 (8-464) - DRAFT CONTROL HYDRAULIC HOUSING (08) - HYDRAULICS

Схема запчастей Case IH 585 - (8-464) - DRAFT CONTROL HYDRAULIC HOUSING (08) - HYDRAULICS
9
25
2
7
16
20
4
26
24
15
3
13
5
15
12
19
1
27
17
21
10
23
14
22
28
8
6
18
11
9
FIT
1:1
100%

Артикул

Название

Примечание

Количество

1

406003R32

HOUSING ASSY.

HOUSING hydraulic unit, Includes: Ref. 2-8

1шт.

2

531143R2

STUD

top cover, long

2шт.

3

531144R1

STUD

top cover, short

2шт.

4

399992R1

BUSHING

rockshaft, right

1шт.

4

1500447C1

BUSHING

rockshaft, right, oversize

1шт.

5

527749R1

BUSHING,63.52mm ID x 66.67mm OD x 50.8mm L

rockshaft left

1шт.

5

1500532C1

BUSHING

rockshaft left, oversize

1шт.

6

376011R1

BUSHING

quadrant shaft

1шт.

7

273279R91

BUSHING

BEARING sensing shaft

2шт.

8

399993R1

BUSHING

eccentric shaft

1шт.

9

120377

NUT,3/8" - 16, Gr 5

4шт.

10

20953R1

DRAIN PLUG,Sq Hd, 1 1/4"-11 1/2 NPTF

PLUG automotive square, 1-1/4 inch NPTF

1шт.

11

179888

LEVER

BOLT hex, 1/2 NC x 1-7/8 inch, grade 5

4шт.

12

179886

BOLT,Hex, 1/2" - 13 x 1 5/8", Gr 5

hex, 1/2 NC x 1-5/8 inch, grade 5

2шт.

13

179846

LEVER

- hex, 3/8 NC x 1-7/8 inch, grade 5

11шт.

14

179850

BOLT,Hex, 3/8" - 16 x 2 3/4", Gr 5

hex, 3/8 NC x 2-3/4 inch, grade 5

2шт.

14

179847

BOLT,Hex, 3/8" - 16 x 2", Gr 5

1шт.

15

103321

LOCK WASHER,3/8"

WASHER, LOCK, 3/8"

14шт.

16

380212R91

OIL SEAL

SEAL oil rockshaft left

1шт.

17

380770R91

OIL SEAL

SEAL oil rockshaft, right

1шт.

17

530096R92

OIL SEAL

SEAL oil rockshaft, right (Optional to 380770 R91)

1шт.

18

59098C93

VALVE

unloading and flow control, see Figure 8-468

1шт.

19

179841

BOLT,Hex, 3/8" - 16 x 1 1/4", Gr 5

- hex, 3/8"-16 NC x 1-1/4", G5

2шт.

20

179848

BOLT,Hex, 3/8" - 16 x 2 1/4", Gr 5

hex, 3/8 NC x 2-1/4 inch, grade 5

2шт.

21

103321

LOCK WASHER,3/8"

WASHER, LOCK, 3/8"

4шт.

22

21433R1

O-RING,0.103" Thk x 0.674" ID, -115, Cl 6, 90 Duro

11/16 x 7/8 inch, class 6

1шт.

23

377952R1

O-RING,0.103" Thk x 0.549" ID, -113, Cl 6, 90 Duro

9/16 x 3/4 inch, class 6

2шт.

24

59099C1

O-RING,2.39mm Thk x 6.6mm ID

1шт.

25

702788R1

O-RING,0.103" Thk x 0.362" ID, -110, Cl 6, 90 Duro

3/8 x 9/16 inch, class 6

1шт.

26

400095R92

VALVE, CUSHION

VALVE safety, 2500 psi

1шт.

27

570828R1

O-RING,0.087" Thk x 0.644" ID, -908, Cl 6, 90 Duro

1/2 inch OD tube, class 6

1шт.

28

536855R1

PLUG

O-ring boss, 3/4 inch NF

1шт.

Выбрано товаров: 32