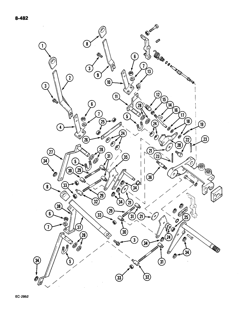
Запчасти Case IH 585 (8-482) - DRAFT CONTROL LEVERS, WITH CAB (08) - HYDRAULICS

Схема запчастей Case IH 585 - (8-482) - DRAFT CONTROL LEVERS, WITH CAB (08) - HYDRAULICS
31
34
15
34
30
29
17
3
11
29
21
34
8
23
18
34
7
34
6
33
10
24
8
28
6
2
7
25
32
12
24
7
32
16
22
25
3
33
31
5
13
33
5
1
36
19
9
20
23
28
31
26
21
14
6
35
29
34
5
37
21
27
30
3
4
38
24
28
FIT
1:1
100%

Артикул

Название

Примечание

Количество

1

3129746R2

BUTTON

KNOB control

1шт.

2

1500630C1

LEVER

draft control upper

1шт.

3

80353C1

BOLT

hex, M6 x 12 mm

6шт.

3

80354C1

BOLT

hex, M6 x 12 mm, Serial Range: (Optional-80353C1)

6шт.

4

3129749R1

LEVER ASSY.

LEVER lower

1шт.

5

3129349R1

U-BOLT,M8 x 1.25 x 36.25mm

BOLT U-type, M8

3шт.

6

30167R1

NUT,M8, Cl 10

hex, M8, class 10

6шт.

7

934309R1

LOCK WASHER,M8

WASHER lock, M8

6шт.

8

3399915R2

BUTTON

KNOB control

2шт.

9

3129763R1

LEVER

raise response

1шт.

10

3129764R1

LEVER ASSY.

lower

1шт.

11

3129751R1

LEVER ASSY.

SHAFT raise response

1шт.

12

3234763R1

ADJUSTABLE CLEVIS,M6

CLEVIS M6 x 24 mm

1шт.

13

3129997R1

CLIP

1шт.

14

3129996R1

CLEVIS PIN

PIN

1шт.

15

30281R1

NUT,M6, Cl 10

- hex, M6, class 10

1шт.

16

3129769R1

STEM

LINK connecting, raise response

1шт.

17

3129768R1

WASHER

RING self locking

1шт.

18

934948R1

WASHER,M6

flat, 6.4 x 12.5 x 1.6 mm

2шт.

19

932951R1

COTTER PIN,M1.6 x 12

PIN cotter, 5/32 x 1 inch

1шт.

20

3129770R1

LEVER

bellcrank, raise response

1шт.

20

3129765R1

LEVER

bellcrank, raise response, Serial Range: (Optional-3129770R1)

1шт.

21

380421R1

FRICTION WASHER

WASHER sensitivity control friction

3шт.

22

527919R1

BOLT

BOLT - Flow lever pivot

1шт.

23

19716R1

PIN,4.75mm OD x 44.45mm L, Coiled

2шт.

24

536847R1

BELLEVILLE WASHER

WASHER belleville

7шт.

25

231-1446

NUT,3/8" - 16, Gr 5

NUT LOCK, 3/8"-16, GB

3шт.

26

536849R1

PLATE

outer retaining

1шт.

27

3129752R1

SHAFT ASSY.

SHAFT pivot

1шт.

28

3129414R1

SPACER

1шт.

29

400085R1

STUD

hitch link connecting rod

3шт.

30

400086R1

PIN

hitch link connecting, front

2шт.

31

400087R1

PIN

hitch link connecting rear

4шт.

32

1500634C1

PIN

hitch link connecting, front

2шт.

33

124829

JAM NUT,Hex, 3/8" - 16, Gr 5

4шт.

34

204502R1

SNAP RING,#43, Ext

Arm #43, Ext

8шт.

35

3118009R1

LEVER

draft control

1шт.

36

400081R1

BOLT,3/8" - 16 x 72.90mm, HT

- Hitch control lever pivot

1шт.

37

3129733R1

LEVER

position control

1шт.

38

3129735R1

LEVER ASSY.

LEVER lower position

1шт.

Выбрано товаров: 40