Запчасти Case IH 585 (2-44) - VALVE MECHANISM, ENGINE (02) - ENGINE

Схема запчастей Case IH 585 - (2-44) - VALVE MECHANISM, ENGINE (02) - ENGINE
3
1
16
11
9
5
8
6
17
7
2
13
4
12
17
15
5
14
6
10
FIT
1:1
100%

Артикул

Название

Примечание

Количество

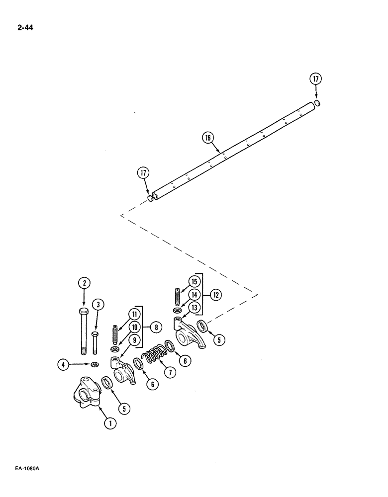
1

3055077R6

SUPPORT

BRACKET rocker arm shaft

4шт.

2

179894

BOLT,Hex, 1/2" - 13 x 3 1/4", Gr 5

- hex, 1/2" NC x 3-1/4", grade 5

4шт.

3

179822

BOLT,Hex, 5/16" - 18 x 1 1/2", Gr 5

4шт.

4

3050129R1

LOCK WASHER

WASHER lock, 5/16 inch

4шт.

5

3055068R1

BUSHING,22mm ID x 30mm OD x 6.8mm L

distance

5шт.

6

3055669R1

THRUST WASHER

thrust, rocker arm

6шт.

7

3055075R2

SPRING

rocker arm

3шт.

8

3132293R92

ROCKER

KIT service, exhaust rocker arm, Includes: Ref. 9, 10 and 11

3шт.

9

NSS

NOT SOLD SEPARAT

ARM rocker, exhaust

1шт.

10

3132138R1

NUT

adjusting, rocker arm

1шт.

11

3132137R1

ADJUSTMENT SCREW

Rocker arm

1шт.

12

3132292R92

ROCKER

KIT service, intake rocker arm, Includes: Ref. 13, 14 and 15

3шт.

13

NSS

NOT SOLD SEPARAT

ARM rocker, intake

1шт.

14

3132138R1

NUT

adjusting, rocker arm

1шт.

15

3132137R1

ADJUSTMENT SCREW

Rocker arm

1шт.

16

3055070R31

SHAFT

rocker arm, Includes: Ref. 17

1шт.

17

933565R1

PLUG,M14, Conical

cup

2шт.

Выбрано товаров: 0