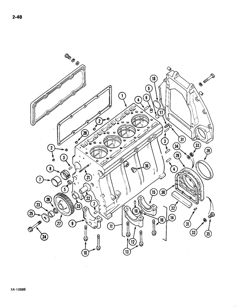
Запчасти Case IH 585 (2-48) - CYLINDER BLOCK AND RELATED PARTS (02) - ENGINE

Схема запчастей Case IH 585 - (2-48) - CYLINDER BLOCK AND RELATED PARTS (02) - ENGINE
6
35
2
19
7
2
4
12
3
22
3
9
26
16
33
8
1
31
28
32
29
13
3
31
5
33
10
14
30
23
20
4
18
34
15
36
23
11
17
5
21
27
24
25
FIT
1:1
100%

Артикул

Название

Примечание

Количество

3144742R94

CRANKCASE

BLOCK cylinder, complete, short stroke engine, 16-1/2 inches in height, Includes: Ref. 1-20

1шт.

1

NSS

NOT SOLD SEPARAT

BLOCK cylinder

1шт.

2

3144520R1

PLUG

slotted headless pipe

4шт.

3

141242

DOWEL

PIN dowel, 3/8 x 7/8 inch

4шт.

4

141284

PIN,25.4mm OD x 31.75mm L

Pin 1/2" x 1 1/8"

2шт.

5

933537R1

PLUG,M25, Conical

cup

2шт.

6

3055007R1

BUSHING

dowel

2шт.

7

3055008R2

CRANKSHAFT BEARING,57.56mm ID x 63.1mm OD x 30mm W

BEARING camshaft, front

1шт.

8

1806820C1

CAMSHAFT BEARING,57.98mm ID x 63mm OD x 18mm W

BEARING camshaft

2шт.

9

NSS

NOT SOLD SEPARAT

CAP front bearing

1шт.

10

3138885R1

SCREW

BOLT crankshaft bearing cap

2шт.

11

3144440R91

BEARING ASSY

KIT service, bearing cap (with fitting instructions), Includes: Ref. 12 and 13

3шт.

12

NSS

NOT SOLD SEPARAT

CAP crankshaft bearing

1шт.

13

3138885R1

SCREW

BOLT crankshaft bearing cap

2шт.

14

3144434R91

CRANKSHAFT BEARING

KIT service, rear bearing cap (with fitting instructions), Includes: Ref. 15 and 16

1шт.

15

NSS

NOT SOLD SEPARAT

CAP rear bearing

1шт.

16

3138885R1

SCREW

BOLT crankshaft bearing cap

2шт.

17

3055270R1

STUD

rear

1шт.

18

172602

SUPPORT

expansion, 2-3/4 inch

1шт.

19

3055173R1

PLUG

1шт.

20

3136004R1

COVER

closing, 10mm

1шт.

20

3136004R1

COVER

closing, 10mm

1шт.

21

3055989R1

STUD

crankcase front

1шт.

22

3055373R1

CARRIER

idler gear

1шт.

23

3058816R91

NEEDLE BEARING CAGE,35mm ID x 42mm OD x 17.8mm W

BEARING needle

2шт.

23

3136515R91

BEARING

needle, Serial Range: (Optional-3058816R91)

2шт.

24

3055374R2

BOLT

BOLT idler gear carrier

1шт.

25

3055372R1

DISC

RING anti-wear, idler gear

1шт.

26

787656R1

SPACER,35.5mm ID x 41mm OD x 4mm L

RING distance

1шт.

27

3055043R3

PINION

GEAR idler

1шт.

28

3138701R91

SEAL

SEAL oil, crankcase rear

1шт.

29

3055216R1

RETAINER

oil seal

1шт.

30

3055215R1

GASKET

crankcase oil seal retainer (see Figure 2-66)

1шт.

31

714868R1

SEALING STRIP

sealing

2шт.

32

3055214R1

SUPPORT

STRIP crankcase sealing

1шт.

33

9635082

NUT,5/16" - 18, Gr 5

hex, 5/16 inch NC, grade 5

1шт.

34

3218395R1

BELLEVILLE WASHER,8.199mm ID x 16mm OD x 0.9mm Thk

Lock (5/16") M8.2 ID x 16 OD x .9 Thk

9шт.

35

179816

BOLT,Hex, 5/16" - 18 x 3/4", Gr 5

8шт.

36

20990R1

PLUG

hex, 3/8 inch NPTF

1шт.

Выбрано товаров: 39