Запчасти Case IH 585 (2-50) - CYLINDER BLOCK AND RELATED PARTS CONTD (02) - ENGINE

Схема запчастей Case IH 585 - (2-50) - CYLINDER BLOCK AND RELATED PARTS CONTD (02) - ENGINE
42
39
41
40
44
45
43
43
37
38
FIT
1:1
100%

Артикул

Название

Примечание

Количество

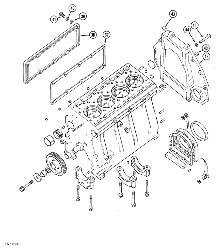
37

3055393R4

GASKET,1.5mm Thk

side cover (See Figure 2-66)

1шт.

38

3132155R2

COVER

cylinder block side

1шт.

39

3055574R1

WASHER,8.5mm ID x 19mm OD x 2.5mm Thk

flat, 5/16 inch

10шт.

40

3050129R1

LOCK WASHER

WASHER lock, 5/16 inch

10шт.

41

13-510

BOLT,Hex, 5/16" - 18 x 5/8", Gr 5, Full Thd

- hex, 5/16 NC x 5/8 inch, grade 5

10шт.

42

3136059R22

PLATE ASSY.

HOUSING flywheel

1шт.

43

3136060R2

BUSHING

1шт.

44

350128R1

WASHER lock

4шт.

45

179885

BOLT,Hex, 1/2" - 13 x 1 1/2", Gr 5

4шт.

Выбрано товаров: 9