Запчасти Case IH 585 (07-081) - FORWARD AND REVERSE CONTROLS, 585 SLOW AND FAST SPEED (04) - Drive Train

Схема запчастей Case IH 585 - (07-081) - FORWARD AND REVERSE CONTROLS, 585 SLOW AND FAST SPEED (04) - Drive Train
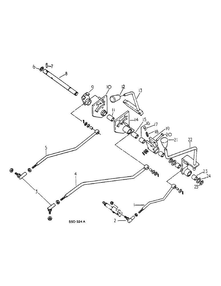
8
22
10
21
14
12
16
15
18
5
9
25
17
23
1
6
11
13
20
3
19
2
24
7
4
FIT
1:1
100%

Артикул

Название

Примечание

Количество

1

3129232R91

ROD ASSY.

SHIFT, INCLUDES BUSHING

1шт.

3129156R1

BUSHING,9.58mm ID x 12.79mm OD x 12.7mm L

ROD EYE END

1шт.

2

1500497C1

BALL JOINT

INCLUDES NUTS

1шт.

1500536C1

JAM NUT

7/16-28 HEX JAM

1шт.

274841

BEARING CONE,2.9528" ID x 0.9843"

7/16-20 PREVAILING TORQUE HEX

1шт.

702455

NUT

7/16-20 PREV TORQUE TURRET, OPTIONAL

1шт.

3

653867C1

BALL JOINT

3/8 IH TYPE G4, INCLUDES NUTS AND WASHERS

2шт.

124925

JAM NUT,Jam, 3/8"-24, G5

2шт.

Q3641

WASHER

13/32 X 3/4 X 020

4шт.

3048059R91

LOCK NUT

3/8-24 HEX

2шт.

4

3129226R91

ROD ASSY.

SPEED SHIFT, FAST SPEED, INCLUDES BUSHING

1шт.

3129156R1

BUSHING,9.58mm ID x 12.79mm OD x 12.7mm L

ROD END EYE

1шт.

5

3129222R91

ROD ASSY.

SPEED SHIFT, INCLUDES BUSHING

1шт.

3129156R1

BUSHING,9.58mm ID x 12.79mm OD x 12.7mm L

ROD END EYE

1шт.

6

454331R1

SNAP RING,#87, Ext

1шт.

7

617940R1

PIN,5/16" x 1 3/4", Coiled

5/16" x 1 3/4", Coiled

1шт.

8

3129270R1

SHAFT

SHAFT, RANGE SHIFT LEVER

1шт.

9

3129218R1

HUB

GATE ASSY, SHIFT

1шт.

10

3129211R91

LEVER ASSY.

SPEED SHIFT 1ST/2ND, INCLUDES WASHERS AND PIN

1шт.

83723R1

WAVE WASHER

WAVE

1шт.

Q3641

WASHER

1шт.

103373

COTTER PIN,3/32" x 3/4"

1шт.

11

3129207R1

BUSHING,22.25mm ID x 25.48mm OD x 30mm L

LEVER

1шт.

12

3129267R1

BALL KNOB

SPEED SHIFT LEVER

1шт.

13

3129265R2

LEVER

SPEED SHIFT

1шт.

14

3129217R91

LEVER ASSY.

SPEED SHIFT 3RD/4TH, INCLUDES WASHERS AND PIN

1шт.

83723R1

WAVE WASHER

WAVE

1шт.

Q3641

WASHER

1шт.

103373

COTTER PIN,3/32" x 3/4"

1шт.

15

3129207R1

BUSHING,22.25mm ID x 25.48mm OD x 30mm L

LEVER

1шт.

16

530815R1

BUSHING,22.27mm ID x 25.46mm OD x 22.23mm L

2шт.

17

22938R1

HEADED PIN,5/16" x 1/2"

1шт.

18

71486C1

SPRING

1шт.

19

3129214R91

HOUSING

ASSY, SELECTOR ARM

1шт.

20

23225R1

HEADED PIN,3/8" x 2"

1шт.

21

3129267R1

BALL KNOB

SHIFT LEVER

1шт.

22

3129271R92

LEVER ASSY.

RANGE SHIFT, INCLUDES WASHER AND PIN

1шт.

Q3461

WASHER

1шт.

103373

COTTER PIN,3/32" x 3/4"

1шт.

23

530815R1

BUSHING,22.27mm ID x 25.46mm OD x 22.23mm L

RANGE SHIFT LEVER

1шт.

24

615192R1

WASHER

906 X 1 250 X 027 PLAIN

2шт.

25

454331R1

SNAP RING,#87, Ext

2шт.

Выбрано товаров: 42