Запчасти Case IH 585 (10-018) - AUXILIARY VALVES (07) - HYDRAULICS

Схема запчастей Case IH 585 - (10-018) - AUXILIARY VALVES (07) - HYDRAULICS
34
28
3
31
29
18
24
6
13
10
25
15
14
21
35
8
19
1
41
42
15
37
20
32
33
14
5
17
9
43
30
45
7
2
16
7
44
40
38
26
4
11
23
36
22
39
46
FIT
1:1
100%

Артикул

Название

Примечание

Количество

ATTACHMENT, SINGLE AUXILIARY HYDRAULIC VALVE, SINGLE-ACTING VALVE AND SELF-SEALING COUPLING, FIRST BANK, CONSISTS OF ALL UNMARKED PARTS AND THOSE MARKED UNIT A

1шт.

ATTACHMENT, SINGLE AUXILIARY HYDRAULIC VALVE, SINGLE-ACTING VALVE AND SELF-SEALING COUPLING, DOUBLE-ACTING VALVE AND TWO SELF-SEALING COUPLINGS, FIRST BANK, CONSISTS OF ALL UNMARKED PARTS AND THOSE MARKED UNIT B

1шт.

ATTACHMENT, SINGLE AUXILIARY HYDRAULIC VALVE, SINGLE-ACTING VALVE AND MUST BE USED IN CONJUNCTION WITH FIRST BANK SINGLE AUXILIARY HYDRAULIC VALVE ATTACHMENT, SECOND BANK, CONSISTS OF ALL UNMARKED PARTS AND THOSE MARKED UNIT C

1шт.

ATTACHMENT, SINGLE AUXILIARY HYDRAULIC VALVE, DOUBLE-ACTING VALVE AND MUST BE USED IN CONJUNCTION WITH FIRST BANK SINGLE AUXILIARY HYDRAULIC VALVE ATTACHMENT, SECOND BANK, CONSISTS OF ALL UNMARKED PARTS AND THOSE MARKED UNIT D

1шт.

ATTACHMENT, SINGLE AUXILIARY HYDRAULIC VALVE, SINGLE-ACTING VALVE AND ONE SELF-SEALING BREAKAWAY COUPLING, FIRST BANK, CONSISTS OF ALL UNMARKED PARTS AND THOSE MARKED UNIT E

1шт.

ATTACHMENT, SINGLE AUXILIARY HYDRAULIC VALVE, SINGLE-ACTING VALVE, SPECIAL FEATURE, SCANDANAVIAN MARKET, CONSISTS OF ALL UNMARKED PARTS AND THOSE MARKED UNIT F

1шт.

ATTACHMENT, SINGLE AUXILIARY HYDRAULIC VALVE WITH DOUBLE-ACTING VALVE, FIRST BANK, SPECIAL FEATURE, AUSTRALIAN MARKET, CONSISTS OF ALL UNMARKED PARTS AND THOSE MARKED UNIT G

1шт.

ATTACHMENT, SINGLE AUXILIARY HYDRAULIC VALVE, SINGLE-ACTING VALVE AND ONE SELF-SEALING BREAKAWAY COUPLING, SECOND BANK, CONSISTS OF ALL UNMARKED PARTS AND THOSE MARKED UNIT H

1шт.

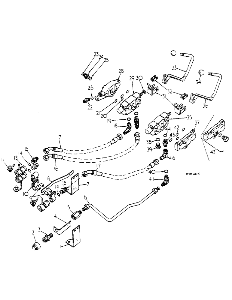
1

533139R1

BRACKET

ASSY, BREAKAWAY COUPLING, UNIT A, INCLUDES SCREWS AND WASHERS

1шт.

179889

BOLT,Hex, 1/2" - 13 x 2", Gr 5

1/2-13 X 2 HEX HD CAP

2шт.

103323

LOCK WASHER,1/2"

2шт.

2

705578R1

CYLINDER END CAP

SCREWED SELF-SEALING COUPLING

1шт.

2

3041963R1

CAP

SCREWED SELF-SEALING COUPLING, UNIT A, OPTIONAL

1шт.

3

705579R1

COUPLING

SCREWED SELF-SEALING

1шт.

3

3041962R91

COUPLING, BREAK AWAY

SELF-SEALING, UNIT A, OPTIONAL

1шт.

4

533140R1

BRACKET

SCREW COUPLING, UNIT A, INCLUDES SCREWS, NUTS AND WASHERS

1шт.

NLS

NO LONGER SERVICED

1/4-20 X 7/8

2шт.

109084

NUT,1/4"-20, G5

2шт.

103319

LOCK WASHER,1/4"

2шт.

95-11028

WASHER,1/4"

9/32 X 5/8 X 051, UNIT A

2шт.

5

529708R1

ADAPTER

1шт.

704337R1

SEALING WASHER

VALVE TO COUPLING TUBE ADAPTOR, UNIT A

2шт.

6

533138R1

TUBE ASSY.

W/SLEEVE AND NUTS, AUX VALVE TO COUPLING, UNIT A, INCLUDES NUTS AND SLEEVES

1шт.

9403529

TUBE NUT,37 Degree, 7/8"-14, Type B

7/8-14 C-Z 37 DEG HYD FLARED TUBE

2шт.

9403451

SLEEVE,37 Degree, 5/8" Tube

5/8 C-Z 37 DEG HYD FLARED TUBE

2шт.

7

3113436R91

SUPPORT

BRACKET ASSY, SELF-SEALING COUPLING W/EDGE, UNIT B, E AND G, INCLUDES SCREWS AND WASHERS

1шт.

179889

BOLT,Hex, 1/2" - 13 x 2", Gr 5

1/2-13 X 2 HEX HD CAP

2шт.

103323

LOCK WASHER,1/2"

2шт.

3113437R1

STRIP

MOULDING

1шт.

8

533143R1

BAR

BREAKAWAY COUPLING BRACKET, UNIT B, E AND G, INCLUDES SCREWS, WASHERS AND NUTS

1шт.

179796

BOLT,Hex, 1/4" - 20 x 7/8", Gr 5

1/4-20 X 7/8 HEX HD

2шт.

103319

LOCK WASHER,1/4"

2шт.

95-11028

WASHER,1/4"

PLAIN

2шт.

109084

NUT,1/4"-20, G5

2шт.

9

3123061R1

SPACER

BREAKAWAY COUPLING, UNIT H

4шт.

10

3114106R1

CLAMP

COUPLING, UNIT B AND E

1шт.

10

3114106R1

CLAMP

COUPLING, UNIT B, INCLUDES SCREWS, NUTS AND WASHERS

1шт.

179819

BOLT,Hex, 5/16" - 18 x 1 1/8", Gr 5

2шт.

9635082

NUT,5/16" - 18, Gr 5

2шт.

80681

LOCK WASHER,5/16"

2шт.

10

3114106R1

CLAMP

COUPLING, INCLUDES SCREWS

1шт.

179830

Unit H

3шт.

11

373220R1

PLUG

SEAL ASSY, DUST

1шт.

11

401757R11

PLUG

SEAL ASSY, DUST, INCLUDES WASHER

1шт.

401758R1

WASHER,14.48mm ID x 38.1mm OD x 3.05mm Thk

DUST PLUG, OPTIONAL, UNIT 2B, E AND H

1шт.

12

NOT USED

1шт.

13

3067993R91

COUPLING, BREAK AWAY

SELF-SEALING BREAKAWAY-FEMALE, UNIT 2B AND E, INCLUDES O-RING, WASHER, SEAL AND PLUG

1шт.

3115783R1

O-RING

FEMALE HALF

1шт.

3115782R1

BACK-UP RING

BACK-UP

1шт.

373220R1

PLUG

SEAL, BREAKAWAY COUPLING DUST, UNIT 2B AND E

1шт.

401757R11

PLUG

BREAKAWAY COUPLING DUST

1шт.

401758R1

WASHER,14.48mm ID x 38.1mm OD x 3.05mm Thk

BREAKAWAY COUPLING DUST, UNIT 2B AND E

1шт.

14

364885R1

O-RING,0.097" Thk x 0.755" ID, -910, Cl 6, 90 Duro

5/8 OD TUBE, UNIT 2B, E, 2G AND H

1шт.

15

9410204

HYD CONNECTOR,7/8"-14, 37 Degree x 7/8"-14, O-Ring

7/8-14 C-Z DEG HYD FLARED, UNIT 2B, E, 2G AND H

1шт.

16

533141R2

HOSE

AUX VALVE TO COUPLING LONG HYD, UNIT B, E, G AND H

1шт.

17

533142R2

HOSE,12.7mm ID x 610mm L

AUX VALVE TO COUPLING SHORT HYD, UNIT B AND G

1шт.

18

9410978

ELBOW,90 Degree, 7/8"-14, 37 Degree x 7/8"-14, O-Ring

7/8 C-Z 37 DEG HYD FLARED TUBE ADJ STR THD 90 DEG, UNIT 2B, E AND 2G

1шт.

19

364885R1

O-RING,0.097" Thk x 0.755" ID, -910, Cl 6, 90 Duro

5/8 OD TUBE, UNIT 2B, E AND 2G

1шт.

20

3121945R1

O-RING

METRIC, VALVE S/ACTING, VALVE D/ACTING, UNIT C, D AND H, 2 UNITS A, B, E, F AND G

1шт.

21

384578R1

O-RING,0.07" Thk x 0.801" ID, -19, Cl 6, 90 Duro

13/16 X 15/16 X 1/16, FOR UNITS C, D AND H, 4 FOR UNITS A, B, E, F AND G

2шт.

22

9410204

HYD CONNECTOR,7/8"-14, 37 Degree x 7/8"-14, O-Ring

7/8 C-Z DEG HYD FLARED TUBE, UNIT A, B, E, F AND G

1шт.

23

377952R1

O-RING,0.103" Thk x 0.549" ID, -113, Cl 6, 90 Duro

9/16 X 3/4 X 3/32, UNIT A, B, E, F AND G

1шт.

24

529705R1

UNION

CONNECTOR, AUX VALVE, UNIT A, B, E, F AND G

1шт.

25

364885R1

O-RING,0.097" Thk x 0.755" ID, -910, Cl 6, 90 Duro

5/8 OD TUBE, UNIT A, B, E, F AND G

1шт.

26

364885R1

O-RING,0.097" Thk x 0.755" ID, -910, Cl 6, 90 Duro

5/8 OD TUBE, UNIT A, B, E, F AND G

1шт.

27

NOT APPLICABLE

1шт.

28

3116012R1

BLOCK

AUX VALVE CONTROL LEVER ADAPTOR, UNIT A, B, E, F AND G, INCLUDES SCREWS AND WASHERS

1шт.

413-616

BOLT,Hex, 3/8" - 16 x 1", Gr 5

2шт.

103321

LOCK WASHER,3/8"

2шт.

29

VALVE ASSY, DOUBLE-ACTING AUX HYD, UNIT B, D AND G, FOR COMPONENTS SEE LIST OF PARTS UNDER DETAILS OF DOUBLE-ACTING AUX HYD VALVE ASSY

1шт.

30

529698R1

SEALING RING,15.88mm ID x 23.8mm OD x 7.54mm Thk

AUX HYD VALVE WIPER

1шт.

31

3121840R1

BRACKET

ASSY, AUX VALVE CONTROL LEVER, INCLUDES SCREWS

2шт.

186923

HEX SOC SCREW,1/4"-20 x 5/8"

SCREW 1/4-20 X 5/8 HEX SOC HD CAP

4шт.

3121842R1

SCREW

SHOULDER

2шт.

32

529702R1

LINK

CONTROL LEVER CONNECTION, INCLUDES PINS

4шт.

102776H

CLEVIS PIN,1/4" x 11/16"

Rod end

4шт.

103361

PIN, SPLIT (COTTER)

PIN, COTTER 1/16 X 1/2

4шт.

33

3121846R1

LEVER

ASSY, AUX VALVE, FIRST BANK

1шт.

34

3123087R1

BUTTON

KNOB, AUX VALVE CONTROL LEVER

1шт.

35

VALVE ASSY, SINGLE-ACTING AUX HYD, UNITS A-C AND E, FOR COMPONENTS SEE LIST OF PARTS UNDER DETAILS OF SINGLE-ACTING AUX HYD VALVE ASSY

1шт.

36

3121843R1

LEVER

ASSY, AUX VALVE, SECOND BANK

1шт.

37

529697R2

PLATE

AUX HYD VALVE END, UNIT A, B, E, F AND G, INCLUDES SCREWS AND WASHERS

1шт.

179850

BOLT,Hex, 3/8" - 16 x 2 3/4", Gr 5

3/8-16 X 2-3/4 HEX HD CAP, 2 FOR UNIT A, B, E, F AND G

2шт.

433114

BOLT,Hex, 3/8" - 16 x 4 1/4", Gr 5

3/8-16 X 4-1/4 HEX HD CAP, UNIT A, B, E, F AND G

1шт.

186288

BOLT,Hex, 3/8" - 16 x 4 1/2", Gr 5

3/8-16 X 4-1/4 HEX HD CAP, 2 FOR UNITS C, D AND H

1шт.

103321

LOCK WASHER,3/8"

3шт.

22344R1

BOLT,Hex, 3/8" - 16 x 5 3/4", Gr 5

3/8-16 X 5-3/4 HEX HD CAP, UNIT C, D AND H

1шт.

38

364885R1

O-RING,0.097" Thk x 0.755" ID, -910, Cl 6, 90 Duro

5/8 OD TUBE, UNIT C AND F, 2 FOR UNIT D AND G

1шт.

39

9410360

PLUG

7/8-14 C-Z STR THD O-RING BOS, UNIT C AND F, 2 FOR UNIT D AND G

1шт.

40

364885R1

O-RING,0.097" Thk x 0.755" ID, -910, Cl 6, 90 Duro

5/8 OD TUBE, UNIT A

1шт.

41

9410978

ELBOW,90 Degree, 7/8"-14, 37 Degree x 7/8"-14, O-Ring

7/8-14 C-Z 37 DEG HYD FLARED TUBE ADJ STR THD O-RING 90 DEG, UNIT A

1шт.

42

393349R1

O-RING,0.07" Thk x 0.864" ID, -20, Cl 6, 90 Duro

7/8 X 1 X 1/16, UNIT C, D AND H, 2 UNIT A, B, E, F AND G

1шт.

43

3123527R91

COVER ASSY

HIGH PRESSURE CARRYOVER, INCLUDES PLUG, SEAL, ADAPTER AND O-RING

1шт.

3123528R1

PLUG

3/4 BSP

1шт.

708496R1

SEAL

1шт.

3118797R1

ADAPTER

1шт.

383024R1

O-RING,0.07" Thk x 0.676" ID, -17, Cl 6, 90 Duro

11/16 X 13/16 X 1/16, SHIP LOOSE

1шт.

44

364885

O-RING

5/8 OD TUBE, UNIT H

1шт.

45

9410204

HYD CONNECTOR,7/8"-14, 37 Degree x 7/8"-14, O-Ring

7/8-14 C-Z 37 DEG HYD FLARED TUBE 2ND BANK AUX VALVE TO COUPLING TUBE ELBOW, UNIT H

1шт.

46

9410282

ELBOW,90 Degree, 7/8"-14, 37 Degree x 7/8"-14, 37 Degree Fem Sw

C-Z 37 DEG HYD FLARED TUBE 90 DEG SWIVEL 2ND BANK AUX VALVE TO COUPLING HYD HOSE, UNIT H

1шт.

537080R2

PRODUCT GRAPHIC

CONTROL HANDLE, NOT ILLUSTRATED

1шт.

Выбрано товаров: 101