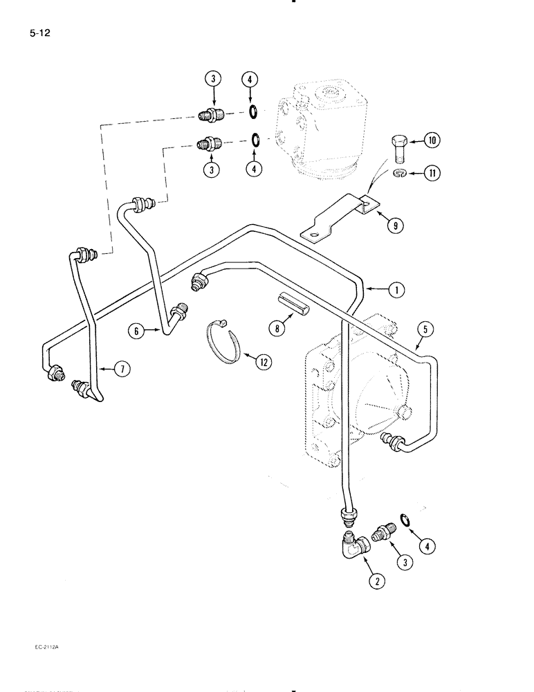
Запчасти Case IH 595 (5-12) - POWER STEERING TUBES, REAR, 2 WHEEL DRIVE TRACTOR W/O CAB, W/O 2 SPEED POWER SHIFT, W/O FWD. & REV. (05) - STEERING

Схема запчастей Case IH 595 - (5-12) - POWER STEERING TUBES, REAR, 2 WHEEL DRIVE TRACTOR W/O CAB, W/O 2 SPEED POWER SHIFT, W/O FWD. & REV. (05) - STEERING
5
4
2
1
3
8
11
12
4
6
3
3
7
4
10
9
FIT
1:1
100%

Артикул

Название

Примечание

Количество

1

99800C2

PIPE

TUBE ASSEMBLY - return, power steering

1шт.

2

218-5230

ELBOW,90 Degree, 3/4"-16, 37 Degree x 3/4"-16, 37 Degree Fem Sw

- 90 degree, 3/4-16 inch flare x swivel flare

1шт.

3

218-5059

HYD CONNECTOR,3/4"-16, 37 Degree x 3/4"-16, O-Ring

ADAPTER - straight, 3/4-16 inch flare x O-ring boss

3шт.

4

237-6008

O-RING,0.087" Thk x 0.644" ID, -908, Cl 6, 90 Duro

8-1, 90 Duro, .644" ID x .087" Thk

3шт.

5

99777C3

PIPE

TUBE ASSEMBLY - pressure, power steering

1шт.

6

99797C3

PIPE

TUBE ASSEMBLY - pressure, power steering

1шт.

6

99824C1

HOSE

ASSEMBLY - pressure, power steering (Orchard tractor)

1шт.

7

99798C2

PIPE

TUBE ASSEMBLY - return, power steering

1шт.

7

99823C1

HOSE

ASSEMBLY - return, power steering (Orchard tractor)

1шт.

8

536009R1

FUEL HOSE,0.31" ID x 2.50"

Sleeve (Order 87086C1) 0.31" ID x 2.50"

2шт.

9

99953C1

CLAMP

BRACKET - pipe retaining

1шт.

10

13-630

BOLT,Hex, 3/8" - 16 x 1-7/8", Gr 5

- hex, 3/8 NC x 1-7/8 inch

2шт.

11

92-11038

LOCK WASHER,3/8"

WASHER, LOCK, 3/8"

2шт.

12

306132C1

CABLE TIE,14.5" L

STRAP - tie, nylon, 14 inch

2шт.

Выбрано товаров: 14