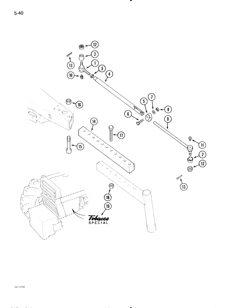
Запчасти Case IH 595 (5-40) - FRONT AXLE EXTENSION, TOBACCO SPECIAL (05) - STEERING

Схема запчастей Case IH 595 - (5-40) - FRONT AXLE EXTENSION, TOBACCO SPECIAL (05) - STEERING
7
4
16
12
15
2
5
1
8
3
13
9
2
6
11
12
17
10
13
18
19
14
FIT
1:1
100%

Артикул

Название

Примечание

Количество

1

527658R91

BALL JOINT

END - socket, right

1шт.

1

527658R91GV

TIE-ROD

Value, Tie Rod End

1шт.

2

358900R1

SEAL

COVER - dust

2шт.

3

390686R1

JAM NUT

- hex jam, 11/16 inch NF

1шт.

4

66756C2

TUBE,19.38 mm ID, 25.46 mm OD, mm Length

- tie rod

1шт.

5

43747D

CLAMP

- tie rod tube

2шт.

6

537165R1

BOLT,Hex, 7/16" - 20 x 1-7/8", Gr 5

BOLT - hex, 7/16 NF x 1-3/4 inch

2шт.

7

92-31044

LOCK WASHER,7/16"

WASHER, LOCK, 7/16"

2шт.

8

25-117

NUT,7/16"-20, G5

- hex, 7/16 NF

2шт.

9

65079C91

END

- socket, left

1шт.

10

87415

LUBE NIPPLE,90 Degree, 1/4" NPT x 3/4" L, Drive

NIPPLE, LUBE, 90°, 1/4" NPT x .75" lg, Drive

2шт.

11

219-8

LUBE NIPPLE,1/4" - 28 NPTF

NIPPLE, LUBE, , drive type 1/4"-28 NPT x .54" lg

2шт.

12

25-139

SLOTTED NUT,9/16"-18, G5

NUT - hex slotted, 9/16 inch NF

4шт.

13

32-816

COTTER PIN,1/8" x 1"

Pin, Split (Cotter), 1/8" x 1"

4шт.

14

66755C92

EXTENSION

- front axle

2шт.

15

405584R2

BOLT,Shldr, 3/4" - 16 x 4

Shoulder

1шт.

16

405576R1

NUT

- front axle

1шт.

17

13-12104

BOLT,Hex, 3/4" - 10 x 6-1/2", Gr 5

- hex, 3/4 NC x 6-1/2 inch

8шт.

18

25-1012

NUT,3/4"-10, G5

8шт.

19

114520C1

DECAL

- Tobacco special

2шт.

Выбрано товаров: 20