Запчасти Case IH 595 (1-10) - PICTORIAL INDEX, MAIN HYDRAULICS (00) - PICTORIAL INDEX

Схема запчастей Case IH 595 - (1-10) - PICTORIAL INDEX, MAIN HYDRAULICS (00) - PICTORIAL INDEX
1
7
5
6
9
4
3
11
8
2
10
FIT
1:1
100%

Артикул

Название

Примечание

Количество

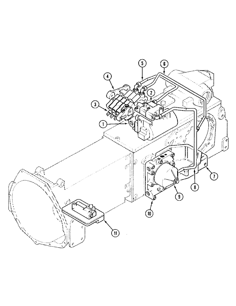
1

Draft Control Cylinder and Valve, Page 8-51

1шт.

2

Unloading and Flow Control Valve, Page 8-53

1шт.

3

Remote Auxiliary control Valves, Pages 8-43, 45

1шт.

4

Hitch Control Shaft Support, Page 8-47

1шт.

5

Variable Flow Tube, Page 8-47

1шт.

6

Variable Flow Supply Tube, Page 8-47

1шт.

7

Transfer Gear Drop Box, Pages 6-101, 107

1шт.

8

Draft Control Pressure Tube, Page 8-47

1шт.

9

Hydraulic Oil filter, Page 8-3

1шт.

10

Multiple Control Valve, Page 8-13

1шт.

11

Pressure Regulator Valve (2 Speed Power Shift), Pages 8-15, 25

1шт.

11

Pressure Regulator Valve (Forward and Reverse Transmission), Pages 8-17, 27

1шт.

11

Pressur eRegulator Valve (MFD Tractor with 2SPS), Pages 8-19, 27

1шт.

Выбрано товаров: 0